Клубок вакумных шлангов у дроселя - помогите разобраться?!

Системы питания и зажигания. Датчики, форсунки, свечи, катушки, дроссельный узел, расходомер воздуха. Лямбдазонд, катализатор, выпуск. Регулировка длинны впускного коллектора. Воздушный фильтр.
Аватара пользователя
alex@prip.ru
Сообщения: 269
Зарегистрирован: Вт ноя 11, 2008 2:50 pm
Репутация: 7
Модель: A8 1998
Мотор: AKJ
Город: Москва
Имя: Леха
Контактная информация:

Клубок вакумных шлангов у дроселя - помогите разобраться?!

Сообщение alex@prip.ru »

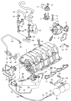
Всем добрый день. Перебирал мотор AKJ 3.7 переборка затянулась на три месяца (командировки и все такое) сейчас собираю... дошел до вакумных шлангов, которые окутывают дроссельный узел..... естественно на память не вспомнил полез в Эльзу листаю ее уже третий день не могу найти рисунок что куда тыкается..... помогите пожалуйста кто знает где это в Эльзе... 1plaaes5

У меня стоит Эльза 3.7

заранее спасибо!!!
verefing
Сообщения: 232
Зарегистрирован: Пт мар 05, 2010 3:34 pm
Репутация: 2
Модель: A8 3.7 1996 vulkanschwarz
Мотор: AEW
Город: Львов Украина
Имя: Роман

Re: Клубок вакумных шлангов у дроселя - помогите разобраться

Сообщение verefing »

3.7 AKJ
Вложения
153133940.gif
Аватара пользователя
alex@prip.ru
Сообщения: 269
Зарегистрирован: Вт ноя 11, 2008 2:50 pm
Репутация: 7
Модель: A8 1998
Мотор: AKJ
Город: Москва
Имя: Леха
Контактная информация:

Re: Клубок вакумных шлангов у дроселя - помогите разобраться

Сообщение alex@prip.ru »

Да спасибо, 1thankyou это я нашел в Эльзе У меня проблема в том что я не помню куда втыкивается патрубок №24, потому как в коллекторе на том месте куда он может дотянуться два сопуна, одинакового диаметра он подходит и в один и в другой, а они в коллекторе помоему имеют разные каналы..... хотя могу ошибаться может это и одно и тоже и вторая проблема я не знаю что втыкивать во второй сопун.....

А в Эльзе это единственная картинка впускного коллектора.... хотя может это только в моей...
1plaaes5
verefing
Сообщения: 232
Зарегистрирован: Пт мар 05, 2010 3:34 pm
Репутация: 2
Модель: A8 3.7 1996 vulkanschwarz
Мотор: AEW
Город: Львов Украина
Имя: Роман

Re: Клубок вакумных шлангов у дроселя - помогите разобраться

Сообщение verefing »

24 - в то что немножко выдвинут и выше, а в то что ниже и дальше идет шланг паров топливного бака
verefing
Сообщения: 232
Зарегистрирован: Пт мар 05, 2010 3:34 pm
Репутация: 2
Модель: A8 3.7 1996 vulkanschwarz
Мотор: AEW
Город: Львов Украина
Имя: Роман

Re: Клубок вакумных шлангов у дроселя - помогите разобраться

Сообщение verefing »

обязательно поменяй хомуты и подтяни, у меня через это была большая проблема с расходом, шнурком подсос воздуха не показывает, у многих на тех шлангах тянет воздух через оригинальные хомуты, и это совсем не заметно, результат ощущается на тормозах
Последний раз редактировалось verefing Вт май 25, 2010 11:55 am, всего редактировалось 1 раз.
Аватара пользователя
alex@prip.ru
Сообщения: 269
Зарегистрирован: Вт ноя 11, 2008 2:50 pm
Репутация: 7
Модель: A8 1998
Мотор: AKJ
Город: Москва
Имя: Леха
Контактная информация:

Re: Клубок вакумных шлангов у дроселя - помогите разобраться

Сообщение alex@prip.ru »

Роман Спасибо ОГРОМНОЕ очень выручили я с этим второй день бьюсь весь инет перерыл ничего не нашел.....
фотографировать нужно когда разбираешь сто раз себе говорил и никогда не делал..... +1 1thankyou 1resulyt12 1hurra8
Аватара пользователя
alex@prip.ru
Сообщения: 269
Зарегистрирован: Вт ноя 11, 2008 2:50 pm
Репутация: 7
Модель: A8 1998
Мотор: AKJ
Город: Москва
Имя: Леха
Контактная информация:

Re: Клубок вакумных шлангов у дроселя - помогите разобраться

Сообщение alex@prip.ru »

Да хомуты я все поменял, правда в шлангах есть микротрещены, но вроде не сквозные, хотел поменять но посмотрел что каждый патрубок стоит около 1000р и успокоился, окунул в воду подул вроде нет пузырей.... буду ставить старые...
verefing
Сообщения: 232
Зарегистрирован: Пт мар 05, 2010 3:34 pm
Репутация: 2
Модель: A8 3.7 1996 vulkanschwarz
Мотор: AEW
Город: Львов Украина
Имя: Роман

Re: Клубок вакумных шлангов у дроселя - помогите разобраться

Сообщение verefing »

1thankyou спасибо за +1, всегда рад помочь 1dontmen8 шланги поменяй обязательно, езжай на базар и подбери (маслостойкие) потом отпиши, как тормоза
Аватара пользователя
alex@prip.ru
Сообщения: 269
Зарегистрирован: Вт ноя 11, 2008 2:50 pm
Репутация: 7
Модель: A8 1998
Мотор: AKJ
Город: Москва
Имя: Леха
Контактная информация:

Re: Клубок вакумных шлангов у дроселя - помогите разобраться

Сообщение alex@prip.ru »

до переборки тормоза были нормальные вроде а что с ними не так должно быть ?
Аватара пользователя
alex@prip.ru
Сообщения: 269
Зарегистрирован: Вт ноя 11, 2008 2:50 pm
Репутация: 7
Модель: A8 1998
Мотор: AKJ
Город: Москва
Имя: Леха
Контактная информация:

Re: Клубок вакумных шлангов у дроселя - помогите разобраться

Сообщение alex@prip.ru »

Да шланги поменяю, сам сомневался.... теперь сделаю.... :beer:
verefing
Сообщения: 232
Зарегистрирован: Пт мар 05, 2010 3:34 pm
Репутация: 2
Модель: A8 3.7 1996 vulkanschwarz
Мотор: AEW
Город: Львов Украина
Имя: Роман

Re: Клубок вакумных шлангов у дроселя - помогите разобраться

Сообщение verefing »

alex@prip.ru писал(а):до переборки тормоза были нормальные вроде а что с ними не так должно быть ?
почувствуешь по педали, хватать должно сразу а не где-то посередине (ну Если мембрана цела, нормальные шланги и колодки)
Аватара пользователя
alex@prip.ru
Сообщения: 269
Зарегистрирован: Вт ноя 11, 2008 2:50 pm
Репутация: 7
Модель: A8 1998
Мотор: AKJ
Город: Москва
Имя: Леха
Контактная информация:

Re: Клубок вакумных шлангов у дроселя - помогите разобраться

Сообщение alex@prip.ru »

Понятно СПАСИБО! 1thankyou кстати да тормоза были мягкие..... ну если с A3 сравнивать....
артур калуга
Сообщения: 79
Зарегистрирован: Вт апр 20, 2010 12:33 am
Репутация: 0
Модель: a8 2.8-МКПП1999
Мотор: AQD
Город: калуга
Имя: артур

Re: Клубок вакумных шлангов у дроселя - помогите разобраться

Сообщение артур калуга »

Если не разберёшся со шлангами,напиши я сфотаю свои
Аватара пользователя
VolumeX

Ветеран Клуба
Член Клуба
Сообщения: 2657
Зарегистрирован: Вт окт 23, 2007 4:57 pm
Награды: 1
Репутация: 54
Модель: V40
Мотор: 3.5
Город: Чехов
Имя: Алексей

Re: Клубок вакумных шлангов у дроселя - помогите разобраться

Сообщение VolumeX »

я ставил вместо оригинального обычный хомут как раз на соединении шланга №24 и дросселя.
Тормоза стали жёстче. 1heeloi8
Изображение
Аватара пользователя
Alex_Dolgopa
Сообщения: 45
Зарегистрирован: Сб июн 30, 2012 7:32 am
Репутация: 1
Модель: AUDI - A8 (D2,4D), 1998
Мотор: AKJ - 3,7
Город: Волгодонск
Имя: Алексей
Откуда: МО, г. Долгопрудный
Контактная информация:

Re: Клубок вакумных шлангов у дроселя - помогите разобраться

Сообщение Alex_Dolgopa »

VolumeX писал(а):я ставил вместо оригинального обычный хомут как раз на соединении шланга №24 и дросселя.
Тормоза стали жёстче.
Согласен, родные хомуты не держат, на днях залез под капот в целях навести чистоту и наткнулся на такую проблему, нижний патрубок (№24) у меня слетел полностью. Все хомуты поменял на новые, действительно, тормоза стали хватать в самом начале.

Попутно, заменил патрубок № 35 на силиконовый, год ездил и не замечал, что он у меня отломился от пластмассового патрубка, что идет к резонатору (синие груши) под крылом. Правда каких-то изменений в работе двигателя не заметил. 1confuz8
Ищу переходную консоль 2 DIN на дорестайл!!! http://as8.ru/forum/download/file.php?id=32297&t=1
Ответить

Вернуться в «V8 3.7, 4.2 питание, зажигание, управление»