Пассажирская сидушка
- 
				- Реклама
 
- 
				Alexandr93
- Сообщения: 54
- Зарегистрирован: Сб фев 04, 2023 9:33 am
- Репутация: 0
- Модель: A8 2004
- Мотор: BFM
- Город: Нижний Новгород
- Имя: Александр
Пассажирская сидушка
Приветствую!
Перестала работать сидушка пассажира вперёд и назад. Сказали смотреть блок под сиденьем.
Вопрос. Как открутить сиденье? Сзади можно открутить спереди доступа к болтам нету)
			
			
									
									
						Перестала работать сидушка пассажира вперёд и назад. Сказали смотреть блок под сиденьем.
Вопрос. Как открутить сиденье? Сзади можно открутить спереди доступа к болтам нету)
- Akin
- Президент Клуба
- Сообщения: 27945
- Зарегистрирован: Пн авг 27, 2007 2:01 am
- Репутация: 643
- Модель: ___
- Мотор: ___
- Город: Королев
- Имя: Владислав
- Откуда: Москва
Пассажирская сидушка
Как нет доступа, а если сиденье до конца назад отодвинуть?
			
			
									
									
						- 
				Alexandr93
- Сообщения: 54
- Зарегистрирован: Сб фев 04, 2023 9:33 am
- Репутация: 0
- Модель: A8 2004
- Мотор: BFM
- Город: Нижний Новгород
- Имя: Александр
Пассажирская сидушка
Сиденье не двигается)))
Поэтому и нужно снять сиденье)))
					Последний раз редактировалось Alexandr93 Ср июн 25, 2025 7:50 pm, всего редактировалось 1 раз.
									
			
									
						- Akin
- Президент Клуба
- Сообщения: 27945
- Зарегистрирован: Пн авг 27, 2007 2:01 am
- Репутация: 643
- Модель: ___
- Мотор: ___
- Город: Королев
- Имя: Владислав
- Откуда: Москва
Пассажирская сидушка
А, невнимательно посмотрел.
Тогда в Эльзе есть подробный алгоритм, как это сделать.
Где-то и на форуме выкладывал.
			
			
									
									
						Тогда в Эльзе есть подробный алгоритм, как это сделать.
Где-то и на форуме выкладывал.
- 
				Alexandr93
- Сообщения: 54
- Зарегистрирован: Сб фев 04, 2023 9:33 am
- Репутация: 0
- Модель: A8 2004
- Мотор: BFM
- Город: Нижний Новгород
- Имя: Александр
Пассажирская сидушка
					Последний раз редактировалось Alexandr93 Ср июн 25, 2025 10:44 pm, всего редактировалось 1 раз.
									
			
									
						- Akin
- Президент Клуба
- Сообщения: 27945
- Зарегистрирован: Пн авг 27, 2007 2:01 am
- Репутация: 643
- Модель: ___
- Мотор: ___
- Город: Королев
- Имя: Владислав
- Откуда: Москва
Пассажирская сидушка
Это он и есть.
Подавать плюсы и минусы от стороннего источника.
			
			
									
									
						Подавать плюсы и минусы от стороннего источника.
- 
				Alexandr93
- Сообщения: 54
- Зарегистрирован: Сб фев 04, 2023 9:33 am
- Репутация: 0
- Модель: A8 2004
- Мотор: BFM
- Город: Нижний Новгород
- Имя: Александр
Пассажирская сидушка
А что куда тыкать не пойму. Мне надо вперед и назад что бы открутить сидение.
			
			
									
									
						- 
				Alexandr93
- Сообщения: 54
- Зарегистрирован: Сб фев 04, 2023 9:33 am
- Репутация: 0
- Модель: A8 2004
- Мотор: BFM
- Город: Нижний Новгород
- Имя: Александр
Пассажирская сидушка
Вот я взял аккум два провода и куда их?))
			
			
									
									
						- 
				
								alexrae				  
- Член Клуба
- Сообщения: 6826
- Зарегистрирован: Пт июн 26, 2009 8:18 pm
- Награды: 1
- Репутация: 96
- Модель: A8 2006
- Мотор: BGK/HKT 3шт
- Город: Торонто
- Имя: Алекс
Пассажирская сидушка
Аварийный штекер вытащить. И подавать напряжение на пару контактов - 1-2.. Или 3-4. Трчнно не помню верхний и иди и нижний ряд.. И какая пара отвечает за верх/них, в вперёд/назад.. Но там мметодом тыка
			
			
									
									
						- 
				
								dimutik				  
- Член Клуба
- Сообщения: 2260
- Зарегистрирован: Вт июн 15, 2010 8:26 pm
- Награды: 1
- Репутация: 77
- Модель: A8D3 BARABAN
- Мотор: BFM
- Город: Переславль-Залесский
- Имя: Дмитрий
Пассажирская сидушка
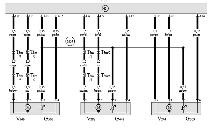
V288 ваш двигатель, Т8m ваш разъём, питание подавать на пины 1 и 2.
			
							
			
													
					Последний раз редактировалось dimutik Чт июн 26, 2025 1:28 pm, всего редактировалось 1 раз.
									
			
									
						- 
				
								alexrae				  
- Член Клуба
- Сообщения: 6826
- Зарегистрирован: Пт июн 26, 2009 8:18 pm
- Награды: 1
- Репутация: 96
- Модель: A8 2006
- Мотор: BGK/HKT 3шт
- Город: Торонто
- Имя: Алекс
Пассажирская сидушка
На сервисном разъёме это пины 5 и 6 как я вижу
			
			
									
									
						- 
				Alexandr93
- Сообщения: 54
- Зарегистрирован: Сб фев 04, 2023 9:33 am
- Репутация: 0
- Модель: A8 2004
- Мотор: BFM
- Город: Нижний Новгород
- Имя: Александр
Пассажирская сидушка
Всё получилось!
Блок отдал на диагностику скорее всего в нем проблема так как на одной фишке на блоке есть зелень.
Большое спасибо за помощь!
			
			
													Блок отдал на диагностику скорее всего в нем проблема так как на одной фишке на блоке есть зелень.
Большое спасибо за помощь!
					Последний раз редактировалось Alexandr93 Пт июн 27, 2025 9:16 am, всего редактировалось 1 раз.
									
			
									
						




 
		


