Пассажирская сидушка

Alexandr93
Сообщения: 54
Зарегистрирован: Сб фев 04, 2023 9:33 am
Репутация: 0
Модель: A8 2004
Мотор: BFM
Город: Нижний Новгород
Имя: Александр

Пассажирская сидушка

Сообщение Alexandr93 »

Приветствую!
Перестала работать сидушка пассажира вперёд и назад. Сказали смотреть блок под сиденьем.
Вопрос. Как открутить сиденье? Сзади можно открутить спереди доступа к болтам нету)
Аватара пользователя
Akin
Президент Клуба
Сообщения: 28003
Зарегистрирован: Пн авг 27, 2007 2:01 am
Репутация: 643
Модель: ___
Мотор: ___
Город: Королев
Имя: Владислав
Откуда: Москва

Пассажирская сидушка

Сообщение Akin »

Как нет доступа, а если сиденье до конца назад отодвинуть?
Alexandr93
Сообщения: 54
Зарегистрирован: Сб фев 04, 2023 9:33 am
Репутация: 0
Модель: A8 2004
Мотор: BFM
Город: Нижний Новгород
Имя: Александр

Пассажирская сидушка

Сообщение Alexandr93 »

Akin писал(а): Ср июн 25, 2025 7:42 pm Как нет доступа, а если сиденье до конца назад отодвинуть?
Сиденье не двигается)))
Поэтому и нужно снять сиденье)))
Последний раз редактировалось Alexandr93 Ср июн 25, 2025 7:50 pm, всего редактировалось 1 раз.
Аватара пользователя
Akin
Президент Клуба
Сообщения: 28003
Зарегистрирован: Пн авг 27, 2007 2:01 am
Репутация: 643
Модель: ___
Мотор: ___
Город: Королев
Имя: Владислав
Откуда: Москва

Пассажирская сидушка

Сообщение Akin »

А, невнимательно посмотрел.
Тогда в Эльзе есть подробный алгоритм, как это сделать.
Где-то и на форуме выкладывал.
Alexandr93
Сообщения: 54
Зарегистрирован: Сб фев 04, 2023 9:33 am
Репутация: 0
Модель: A8 2004
Мотор: BFM
Город: Нижний Новгород
Имя: Александр

Пассажирская сидушка

Сообщение Alexandr93 »

viewtopic.php?t=61996
Нашел толко этот пост.
Но не как не пойму как этим пользоваться :)
Последний раз редактировалось Alexandr93 Ср июн 25, 2025 10:44 pm, всего редактировалось 1 раз.
Аватара пользователя
Akin
Президент Клуба
Сообщения: 28003
Зарегистрирован: Пн авг 27, 2007 2:01 am
Репутация: 643
Модель: ___
Мотор: ___
Город: Королев
Имя: Владислав
Откуда: Москва

Пассажирская сидушка

Сообщение Akin »

Это он и есть.
Подавать плюсы и минусы от стороннего источника.
Alexandr93
Сообщения: 54
Зарегистрирован: Сб фев 04, 2023 9:33 am
Репутация: 0
Модель: A8 2004
Мотор: BFM
Город: Нижний Новгород
Имя: Александр

Пассажирская сидушка

Сообщение Alexandr93 »

А что куда тыкать не пойму. Мне надо вперед и назад что бы открутить сидение.
Alexandr93
Сообщения: 54
Зарегистрирован: Сб фев 04, 2023 9:33 am
Репутация: 0
Модель: A8 2004
Мотор: BFM
Город: Нижний Новгород
Имя: Александр

Пассажирская сидушка

Сообщение Alexandr93 »

Вот я взял аккум два провода и куда их?))
Аватара пользователя
alexrae

Ветеран Клуба
Член Клуба
Сообщения: 6853
Зарегистрирован: Пт июн 26, 2009 8:18 pm
Награды: 1
Репутация: 96
Модель: A8 2006
Мотор: BGK/HKT 3шт
Город: Торонто
Имя: Алекс

Пассажирская сидушка

Сообщение alexrae »

Аварийный штекер вытащить. И подавать напряжение на пару контактов - 1-2.. Или 3-4. Трчнно не помню верхний и иди и нижний ряд.. И какая пара отвечает за верх/них, в вперёд/назад.. Но там мметодом тыка
Аватара пользователя
dimutik

Ветеран Клуба
Член Клуба
Сообщения: 2286
Зарегистрирован: Вт июн 15, 2010 8:26 pm
Награды: 1
Репутация: 77
Модель: A8D3 BARABAN
Мотор: BFM
Город: Переславль-Залесский
Имя: Дмитрий

Пассажирская сидушка

Сообщение dimutik »

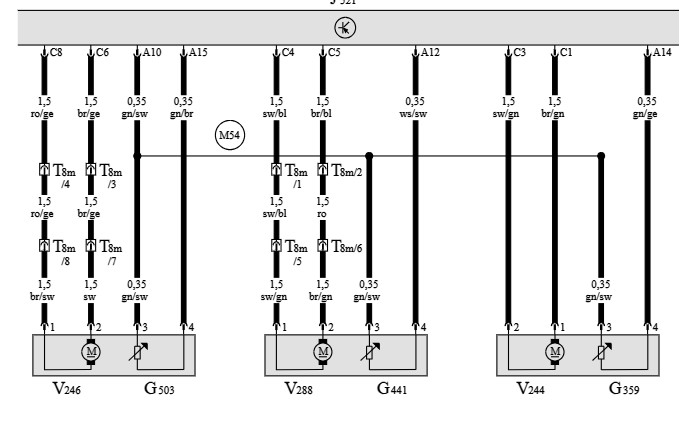
V288 ваш двигатель, Т8m ваш разъём, питание подавать на пины 1 и 2.
Вложения
Скриншот 26-06-2025 105319.jpg
Последний раз редактировалось dimutik Чт июн 26, 2025 1:28 pm, всего редактировалось 1 раз.
Аватара пользователя
alexrae

Ветеран Клуба
Член Клуба
Сообщения: 6853
Зарегистрирован: Пт июн 26, 2009 8:18 pm
Награды: 1
Репутация: 96
Модель: A8 2006
Мотор: BGK/HKT 3шт
Город: Торонто
Имя: Алекс

Пассажирская сидушка

Сообщение alexrae »

На сервисном разъёме это пины 5 и 6 как я вижу
Alexandr93
Сообщения: 54
Зарегистрирован: Сб фев 04, 2023 9:33 am
Репутация: 0
Модель: A8 2004
Мотор: BFM
Город: Нижний Новгород
Имя: Александр

Пассажирская сидушка

Сообщение Alexandr93 »

Всё получилось!
Блок отдал на диагностику скорее всего в нем проблема так как на одной фишке на блоке есть зелень.
Большое спасибо за помощь!
Последний раз редактировалось Alexandr93 Пт июн 27, 2025 9:16 am, всего редактировалось 1 раз.
Ответить

Вернуться в «Память, регулировки»