Всем привет!
Господа, собираю магистрали ОЖ.
Я правильно понимаю, что на ABZ горячая ОЖ выходит из 2х патрубков на головках блока, а холодная поступает в блок через термостат?
Вопрос возник т.к. обычно термостат стоит на выходе горячей воды из мотора, а тут, выходит наоборот на входе холодной.
+вопрос по циркуляции: верхние штуцера радиаторов идут на верхний штуцер расширительного бачка?
Нижний штуцер расш бачка идет на патрубки сзади мотора?
Мотор стоит не в а8 , а в скажем "багги" отсюда и вопросы по подключению...
Циркуляция ОЖ в ABZ
-
- Реклама
-
Vassaby
- Сообщения: 20
- Зарегистрирован: Пн ноя 11, 2013 8:35 pm
- Репутация: 0
- Модель: Lancia Stratos
- Мотор: Abz 4.2
- Город: Мск
- Имя: Глеб
Re: Циркуляция ОЖ в ABZ
Парни, ну подскажите пожалуйста: головки блока подключаются к верху радиатора, а термостат к низу?
-
makdey2010
- Член Клуба
- Сообщения: 1566
- Зарегистрирован: Пн ноя 29, 2010 2:00 am
- Награды: 1
- Репутация: 41
- Модель: A8 96г. quattro механика
- Мотор: ARE
- Город: Красногорск МО
- Имя: Дмитрий
Re: Циркуляция ОЖ в ABZ
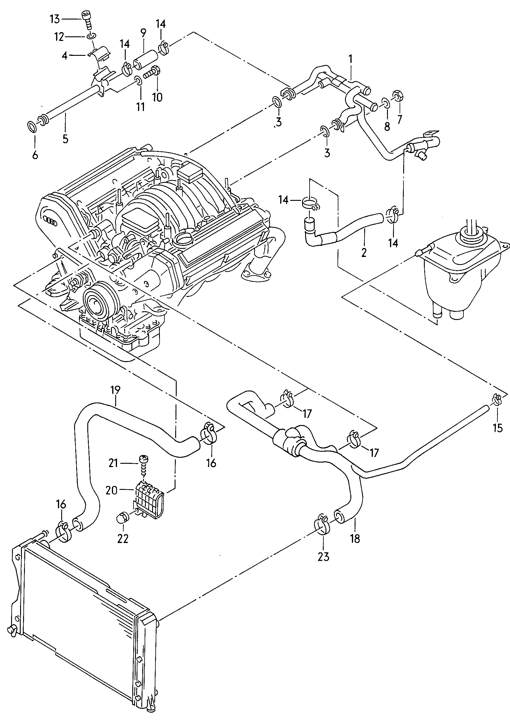
Вот схема из етки :
Даже сломанные часы дважды в сутки показывают правильное время.
-
Vassaby
- Сообщения: 20
- Зарегистрирован: Пн ноя 11, 2013 8:35 pm
- Репутация: 0
- Модель: Lancia Stratos
- Мотор: Abz 4.2
- Город: Мск
- Имя: Глеб
Re: Циркуляция ОЖ в ABZ
makdey2010 писал(а):Вот схема из етки :
Дмитрий, ну понятно, что эту картинку я нашел)
Но по этой схеме не очевидно как идёт ОЖ - тут оба патрубка идут к верхней части радиатора.
По какому патрубка горячая вода идет из мотора, а по какому холодная в?
-
АндрейS8
- Почетный член Клуба
- Сообщения: 11778
- Зарегистрирован: Вс фев 26, 2012 6:14 pm
- Награды: 3
- Репутация: 168
- Модель: А8 1995г. и Ауди 100Q 91г.
- Мотор: 4,2 ABZ и 2,0
- Город: Кострома
- Имя: Андрей
Re: Циркуляция ОЖ в ABZ
У всех моторов в радиаторе 2 больших отверстия -вверху и внизу.Нижний соединяется с термостатом,верхний если ты не начинающий конструктор,то догадаться не трудно что/куда.
Помним, любим, скорбим. Светлая память.
-
Vassaby
- Сообщения: 20
- Зарегистрирован: Пн ноя 11, 2013 8:35 pm
- Репутация: 0
- Модель: Lancia Stratos
- Мотор: Abz 4.2
- Город: Мск
- Имя: Глеб
Re: Циркуляция ОЖ в ABZ
Андрей, спасибо за ответ!АндрейS8 писал(а):У всех моторов в радиаторе 2 больших отверстия -вверху и внизу.Нижний соединяется с термостатом,верхний если ты не начинающий конструктор,то догадаться не трудно что/куда.
Да я так и подумал, меня смутил термостат : вот на всех моторах с которыми ковырялся термостат на выходе горячей воды из блока, а тут наоборот на впуске холодной из радиатора.
-
Vassaby
- Сообщения: 20
- Зарегистрирован: Пн ноя 11, 2013 8:35 pm
- Репутация: 0
- Модель: Lancia Stratos
- Мотор: Abz 4.2
- Город: Мск
- Имя: Глеб
Re: Циркуляция ОЖ в ABZ
В продолжение темы уложенного двигателя ( viewtopic.php?f=13&t=52688 ):
полную разборку пока не произвел, так что точной причины пока нет.
предположительно перегрев из-за воздушной пробки.
На фото ниже показано как у меня организована система охлаждения сзади мотора:
1. Выход ОЖ из блока на маслокулер заблокирован пробкой
2. Патрубки соединены как на фото
3. Патрубки соединены с низом расширительного бачка (на фото не видно - загораживает шланг слева)
Господа, подскажите пожалуйста:
1. Допустимо ли такое подключение и будет ли оно обеспечивать нормальную циркуляцию ОЖ?
2. Какой вариант подключения более правильный? (что можно убрать/добавить)

полную разборку пока не произвел, так что точной причины пока нет.
предположительно перегрев из-за воздушной пробки.
На фото ниже показано как у меня организована система охлаждения сзади мотора:
1. Выход ОЖ из блока на маслокулер заблокирован пробкой
2. Патрубки соединены как на фото
3. Патрубки соединены с низом расширительного бачка (на фото не видно - загораживает шланг слева)
Господа, подскажите пожалуйста:
1. Допустимо ли такое подключение и будет ли оно обеспечивать нормальную циркуляцию ОЖ?
2. Какой вариант подключения более правильный? (что можно убрать/добавить)






