тестовый разъем - схема подключения
-
- Реклама
-
михаил V8
- Сообщения: 70
- Зарегистрирован: Вт мар 11, 2008 9:49 pm
- Репутация: 0
- Модель: A8 2000
- Мотор: AQF 4,2
тестовый разъем - схема подключения
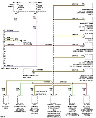
Граждане может у кого есть расклад по подключению проводов к тестовому разъему 16 контактов (именно тот куда вставляется диагностический "шнурок"). Отрезан был нах... кем-то придурки блин. Есть провода и разъем! Как законнектить????????????????
- Vijay
- Член Клуба
- Сообщения: 495
- Зарегистрирован: Чт янв 15, 2009 4:01 pm
- Репутация: 19
- Модель: A8D4
- Мотор: CDRA
- Город: Москва
- Имя: Виктор
Re: тестовый разъем 16 контактов
Тут скорее по цветам нужно разжувать.... особенно К и Л линий....
в чип и дипе можно купить приспособу.... там юизбишный тестер KL линии..... выглядит, как флешка... имеется 4 или 5 контактов... и распиновка в инструкции есть, но ток по дыркам... лучше всего тебе подайдет.. раз провода ток торчат.... стоит дешевле... прикрутил зажимами к проводам..... а потом ток юизбишный удлинитель к нему и в ноутбук.. и все
в чип и дипе можно купить приспособу.... там юизбишный тестер KL линии..... выглядит, как флешка... имеется 4 или 5 контактов... и распиновка в инструкции есть, но ток по дыркам... лучше всего тебе подайдет.. раз провода ток торчат.... стоит дешевле... прикрутил зажимами к проводам..... а потом ток юизбишный удлинитель к нему и в ноутбук.. и все
Кто не ездил на AUDI A8 или BMW 7, тот не ездил на машине.......
-
михаил V8
- Сообщения: 70
- Зарегистрирован: Вт мар 11, 2008 9:49 pm
- Репутация: 0
- Модель: A8 2000
- Мотор: AQF 4,2
Re:
16 + 12Vdimavag писал(а):16 й пин плюс 4 й и 5 й минус 7 й к-линия 15 й L- линия
4 - земля
5 - земля
7 К линия
15 L линия
Я правильно понял?
И еще 7 pin К линия мне понятно на нее идот инфа с блоков двигателя АБС и т.д.
А 15 pin L линия что это за линия
-
vovvw
- Почетный член Клуба

- Сообщения: 8429
- Зарегистрирован: Ср сен 26, 2007 8:42 am
- Награды: 1
- Репутация: 61
- Модель: I-Pace
- Мотор: Permanent magnet
- Город: Киров
- Имя: Владимир
Re: Re:
Хм... а по мне так там идеально-педантичные немецкие схемы... в чем неудобство то?михаил V8 писал(а):Спасибо! Ты где принципиалку взял? Может есть где скачать. А то в Elsa не удобно работать со схемами.
-
Евгений В.
- Почетный член Клуба
- Сообщения: 5331
- Зарегистрирован: Сб сен 06, 2008 8:36 pm
- Награды: 1
- Репутация: 216
- Модель: A8 1997
- Мотор: ACK 2,8
- Город: Медвежья гора
-
михаил V8
- Сообщения: 70
- Зарегистрирован: Вт мар 11, 2008 9:49 pm
- Репутация: 0
- Модель: A8 2000
- Мотор: AQF 4,2
Re:
Всем спасибо за отклики. Подключил удачно согласно схеме от AKIN. Только поправочка, провод от ключа на pin 1 мне не понадобился. На штекере даже нет ответного pinа.Akin писал(а):Могут быть отличия, но вроде все похоже.




