сигнализация нужна помощь в подключении
-
- Реклама
- максим 99
- Сообщения: 75
- Зарегистрирован: Вс окт 03, 2010 10:46 am
- Репутация: 0
- Модель: a8 d2 00
- Мотор: aqf
- Город: донецк
- Имя: максим
- Откуда: ukraine донецк-макеевка
- Контактная информация:
сигнализация нужна помощь в подключении
сигнализация
кто ставил и вникал или может быть сам установщик
вобщем такое дело...
при подключении сигнализнализации через водительскую дверь то либо стёкла не подымаются либо не работает автозавод т к штатная становится на охрану
а отказываться не хочется ни от одного ни от другого
знаю точно что есть способ но установщики не знают как
ребята грамотные но опыта по таким машинам нет
а с контрольками не полазишь
вобщем надо схему детальную по штат сигналке либо дельный совет как подключить
лучше схему))
офф ....спрашиваю -как же вы на новых прадо лесусах ставили и вопроса не возникло а тут 00 год и непонятки??
говорят -так в праде проводов во всём как у тебя в одной двери))))
кто ставил и вникал или может быть сам установщик
вобщем такое дело...
при подключении сигнализнализации через водительскую дверь то либо стёкла не подымаются либо не работает автозавод т к штатная становится на охрану
а отказываться не хочется ни от одного ни от другого
знаю точно что есть способ но установщики не знают как
ребята грамотные но опыта по таким машинам нет
а с контрольками не полазишь
вобщем надо схему детальную по штат сигналке либо дельный совет как подключить
лучше схему))
офф ....спрашиваю -как же вы на новых прадо лесусах ставили и вопроса не возникло а тут 00 год и непонятки??
говорят -так в праде проводов во всём как у тебя в одной двери))))
машины бывают немецкие и стиральные
- Паша
- Член Клуба
- Сообщения: 223
- Зарегистрирован: Вт янв 20, 2009 11:38 am
- Репутация: 2
- Модель: Форд Мондео 2014
- Мотор: 1500 экобуст
- Город: Гродно
- Имя: Паша
Re: сигнализация нужна помощь в подключении
У меня совмещенная с родной сигналкой и обратной связью, все работает от родного ключа.Т.е работает и родная и дополнительная.Схему если только после выходных, и то если мне дадут кто ставил.Попробую попросить.
-
AlEХEЙ
- Член Клуба
- Сообщения: 155
- Зарегистрирован: Вс окт 17, 2010 7:53 pm
- Награды: 1
- Репутация: 2
- Модель: A8 95г.quattro
- Мотор: AAH 2.8
- Город: Касимов
- Имя: Алексей
- Откуда: Касимов
Re: сигнализация нужна помощь в подключении
офф ....спрашиваю -как же вы на новых прадо лесусах ставили и вопроса не возникло а тут 00 год и непонятки?? Любой лехус прадо по сравнению с А8ской -велосипед(электрика).Переделали уже 1000штук.
- максим 99
- Сообщения: 75
- Зарегистрирован: Вс окт 03, 2010 10:46 am
- Репутация: 0
- Модель: a8 d2 00
- Мотор: aqf
- Город: донецк
- Имя: максим
- Откуда: ukraine донецк-макеевка
- Контактная информация:
Re: сигнализация нужна помощь в подключении
так и я ж про тоAlEХEЙ писал(а): Любой лехус прадо по сравнению с А8ской -велосипед
спсIvan71 писал(а):http://as8.ru/forum/viewtopic.php?f=89&t=621
но там не всё
и рисунков некоторых не видно(((
один из основных вопросов это как реализовать автозапуск если....
1 при закрытии дверей через "личинку" становится в охрану штатная и автозавод не заведёт машину
2 если закрывать двери через кнопку цз то окна не закроются
вот так вот...
как на время автозавода отключать штатку но не снимать её с охраны(ато двери откроет))) а как-то нейтрализовать ???
Последний раз редактировалось максим 99 Вс мар 06, 2011 9:03 pm, всего редактировалось 1 раз.
машины бывают немецкие и стиральные
- jant
- Сообщения: 129
- Зарегистрирован: Ср ноя 11, 2009 11:54 pm
- Репутация: 8
- Модель: A8 2006
- Мотор: BFL 3,7
- Город: Алушта
- Имя: Михаил
Re: сигнализация нужна помощь в подключении
Попробуй во время постановки на охрану доп сигналкой имитировать незакрытый капот штатным концевиком!По идее не должна становиться на штатку но двери закроет!
-
kabirwww
- Член Клуба
- Сообщения: 321
- Зарегистрирован: Чт июн 25, 2009 9:36 am
- Награды: 1
- Репутация: 10
- Модель: Audi S8 1999г
- Мотор: AQH 4172
- Город: Новороссийск
- Имя: Константин
- Откуда: РСО-Алания
Re: сигнализация нужна помощь в подключении
вот попробуй это
Автомобиль всего лишь средство передвижения, НО и ноги тоже всего лишь средство передвижения...
-
kabirwww
- Член Клуба
- Сообщения: 321
- Зарегистрирован: Чт июн 25, 2009 9:36 am
- Награды: 1
- Репутация: 10
- Модель: Audi S8 1999г
- Мотор: AQH 4172
- Город: Новороссийск
- Имя: Константин
- Откуда: РСО-Алания
Re: сигнализация нужна помощь в подключении
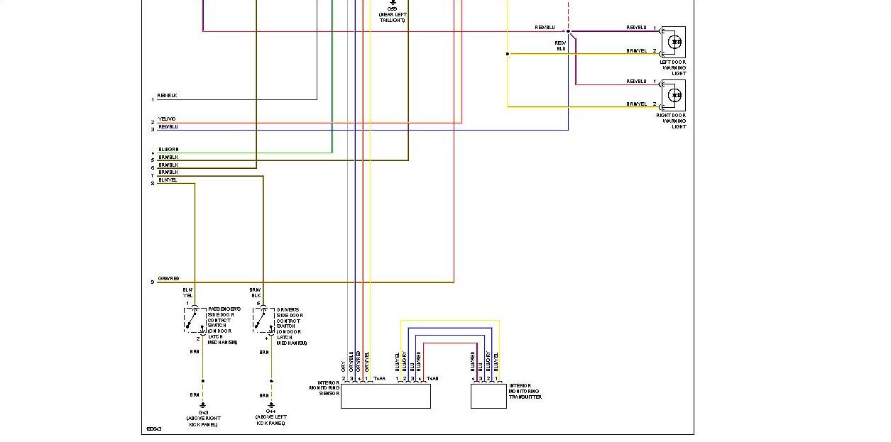
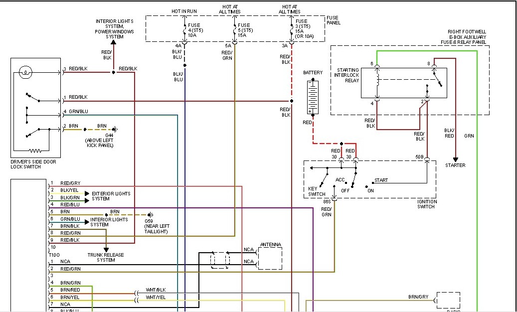
Вот еще более подробная схема, из трех частей состоит.
Автомобиль всего лишь средство передвижения, НО и ноги тоже всего лишь средство передвижения...
-
kabirwww
- Член Клуба
- Сообщения: 321
- Зарегистрирован: Чт июн 25, 2009 9:36 am
- Награды: 1
- Репутация: 10
- Модель: Audi S8 1999г
- Мотор: AQH 4172
- Город: Новороссийск
- Имя: Константин
- Откуда: РСО-Алания
Re: сигнализация нужна помощь в подключении
думаю твои электроники смогут разобраться
Автомобиль всего лишь средство передвижения, НО и ноги тоже всего лишь средство передвижения...
- максим 99
- Сообщения: 75
- Зарегистрирован: Вс окт 03, 2010 10:46 am
- Репутация: 0
- Модель: a8 d2 00
- Мотор: aqf
- Город: донецк
- Имя: максим
- Откуда: ukraine донецк-макеевка
- Контактная информация:
Re: сигнализация нужна помощь в подключении
пробовали с багажникомjant писал(а):Попробуй во время постановки на охрану доп сигналкой имитировать незакрытый капот штатным концевиком!По идее не должна становиться на штатку но двери закроет!
сразу после закрытия(прекращения имитации) она становится на охрану )) умная))
а если же имитацию продлить на всё время охраны то всё равно сюрприз))
когда сигнализация включает зажигание для того что-бы совершить автозавод то штатка открывает цз
вот так вот..
но тут решение пришло само собой)))....
решили пожертвовать стеклоподъёмниками и оставить в приоритете автозавод
накинули везде провода и пробуем...
при ключе вставленном в замок всё работает..
но это не выход так оставлять так же
специально для этого был заказан ключ вернее чип за 30$
и приобретён обходчик иммобилайзера вернее удлинитель)) тот в который вставляется ключ(или чип)
а на замок вешается антенна
так вот... при всех рекоммендованных-возможных его подключениях и расположениях антенны даже так как и закрепить невозможно(просто чтоб попробовать ) он не работает
да и сам чип работает только в определённых положениях...ну оно и правильно ключ то по разному особо не засунешь))
нашли вобщем место где работает чип благо он маааленький и подклеили его аккуратненько....о чудо всё работает и заводит
уже обрадовались даже все....но не тут то было)))
когда я прихожу со своим ключом и хочу её заводить то два чипа машина воспринимает как то не так и не работает
можно вобщем ходить либо с болванкой либо выковырять чип из брелка
я не захотел делать ни то ни другое да и то что машину вобщем можно завести отвёрткой не радовало(обходчик то хоть сигналка на время включала) а тут чип прям около замка((
вобщем приняли общее решение отказаться от автозапуска...думаю правильное
вебаста у меня есть ))зачем он мне раз машина такая умная))) а ломать ничего неохота
машины бывают немецкие и стиральные
- Akin
- Президент Клуба
- Сообщения: 27997
- Зарегистрирован: Пн авг 27, 2007 2:01 am
- Репутация: 643
- Модель: ___
- Мотор: ___
- Город: Королев
- Имя: Владислав
- Откуда: Москва
Re: сигнализация нужна помощь в подключении
У меня автозапуск был реализован так - сначала машина открывалась, потом включался автозапуск, потом она сама закрывалась.
Мне нужно было с брелка сначала открыть, потом завести.
Мне нужно было с брелка сначала открыть, потом завести.
- максим 99
- Сообщения: 75
- Зарегистрирован: Вс окт 03, 2010 10:46 am
- Репутация: 0
- Модель: a8 d2 00
- Мотор: aqf
- Город: донецк
- Имя: максим
- Откуда: ukraine донецк-макеевка
- Контактная информация:
Re: сигнализация нужна помощь в подключении
спсkabirwww писал(а):вот попробуй это
не пригодилось правда))
всё установлено и работает
правда без автозапуска ну да и ладно
вот об этом я и писалAkin писал(а):У меня автозапуск был реализован так - сначала машина открывалась, потом включался автозапуск, потом она сама закрывалась.
Мне нужно было с брелка сначала открыть, потом завести.
мы могли это сделать и без открытия брелком она сама откроется а при заводе импульсом закроется но так не приемлимо на мой взгляд т к машина какое-то время стоит открытаямаксим 99 писал(а):когда сигнализация включает зажигание для того что-бы совершить автозавод то штатка открывает цз
а постоянно это осознавать это стресс)))
кстати как организовали дружбу с иммобилайзером??
машины бывают немецкие и стиральные
- Akin
- Президент Клуба
- Сообщения: 27997
- Зарегистрирован: Пн авг 27, 2007 2:01 am
- Репутация: 643
- Модель: ___
- Мотор: ___
- Город: Королев
- Имя: Владислав
- Откуда: Москва
Re: сигнализация нужна помощь в подключении
Очень просто - второй ключ примотан к антенне замка зажигания.максим 99 писал(а):кстати как организовали дружбу с иммобилайзером??
- максим 99
- Сообщения: 75
- Зарегистрирован: Вс окт 03, 2010 10:46 am
- Репутация: 0
- Модель: a8 d2 00
- Мотор: aqf
- Город: донецк
- Имя: максим
- Откуда: ukraine донецк-макеевка
- Контактная информация:
Re: сигнализация нужна помощь в подключении
а каким ключом производится запуск??
моя ругалась на два чипа в зоне действия
хотя недавно они ставили а4 09г там всё норм
один примотан вторым нормально заводит
моя ругалась на два чипа в зоне действия
хотя недавно они ставили а4 09г там всё норм
один примотан вторым нормально заводит
машины бывают немецкие и стиральные
- Akin
- Президент Клуба
- Сообщения: 27997
- Зарегистрирован: Пн авг 27, 2007 2:01 am
- Репутация: 643
- Модель: ___
- Мотор: ___
- Город: Королев
- Имя: Владислав
- Откуда: Москва
Re: сигнализация нужна помощь в подключении
Вторым, естественно.максим 99 писал(а):а каким ключом производится запуск??
На два ключа ругаться не должна точно, у многих ключи висят на связке...
- максим 99
- Сообщения: 75
- Зарегистрирован: Вс окт 03, 2010 10:46 am
- Репутация: 0
- Модель: a8 d2 00
- Мотор: aqf
- Город: донецк
- Имя: максим
- Откуда: ukraine донецк-макеевка
- Контактная информация:
Re: сигнализация нужна помощь в подключении
на связке то далеко именно в зоне действияAkin писал(а):Вторым, естественно.максим 99 писал(а):а каким ключом производится запуск??
На два ключа ругаться не должна точно, у многих ключи висят на связке...
ну у меня вот точно не заработала)))
хотя что работала на других есть примеры
машины бывают немецкие и стиральные
- Akin
- Президент Клуба
- Сообщения: 27997
- Зарегистрирован: Пн авг 27, 2007 2:01 am
- Репутация: 643
- Модель: ___
- Мотор: ___
- Город: Королев
- Имя: Владислав
- Откуда: Москва
Re: сигнализация нужна помощь в подключении
В чем проблема, сними антенну с замка зажигания и хоть в бардачек её убери со вторым ключиком. 
- максим 99
- Сообщения: 75
- Зарегистрирован: Вс окт 03, 2010 10:46 am
- Репутация: 0
- Модель: a8 d2 00
- Мотор: aqf
- Город: донецк
- Имя: максим
- Откуда: ukraine донецк-макеевка
- Контактная информация:
Re: сигнализация нужна помощь в подключении
да вобщем-то уже ни в чём))Akin писал(а):В чем проблема, сними антенну с замка зажигания и хоть в бардачек её убери со вторым ключиком.
от автозапуска отказались
проблемы поотпадали сами собой))
машины бывают немецкие и стиральные
-
navigator
- Сообщения: 10
- Зарегистрирован: Чт окт 15, 2009 11:23 pm
- Репутация: 0
- Модель: A8 1995
- Мотор: ABZ
- Город: Москва
- Имя: Александр
Re: сигнализация нужна помощь в подключении
Установщики с моей тоже порядком намучались когда ставил шерхан 5.Модуль обхода,в него чип из ключа(когда приехал на установку мне дали номер телефона где можно сделать дубликат чипа,заломили 7к,за хрень которая стоит 10 $,в итоге чип из ключа на двусторонний скотч).Все установили ,проверяем -автозапуск отказывается работать,часа три разные варианты мутили,в итоге решили сделать так-Турбо таймер на минуту,вышел из машины,закрыл ее(движок обязательно должен при этом работать)после жмешь на кнопку двигатель выключается.По другому никак сделать не смогли.Еще они не могли мне сделать так чтоб после пуска двигателя сразу стартер переставал крутить,в итоге таймер на 3 сек.Ездил к разработчикам(контора МЕГА-Ф) сказали что надо было на скачок напряжение в сети вешать.Окна и люк тоже закрывались,правда как это работает до конца так и не понял)))


