Пружина корпуса суппорта-нужен совет
-
- Реклама
- Alex_36as
- Член Клуба
- Сообщения: 548
- Зарегистрирован: Чт окт 15, 2009 10:28 pm
- Репутация: 14
- Модель: D2
- Мотор: AGH 4.2
- Город: Москва
- Имя: Александр
Пружина корпуса суппорта-нужен совет
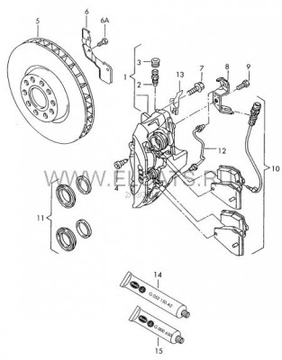
У кого был опыт эксплуатации? Продавцы рекламируют как лекарство для суппортов А8.По схеме понять даже трудно как правильно установить.
4D0 698 135
N13
4D0 698 135
N13
-
Стас
- Почетный член Клуба
- Сообщения: 4686
- Зарегистрирован: Пн мар 24, 2008 9:54 pm
- Награды: 1
- Репутация: 88
- Модель: 220
- Мотор: 628
- Город: Санкт петербург
- Имя: Станислав
Re: Пружина корпуса суппорта-нужен совет
Хм.а она у меня снизу стоит 
- СерП
- Член Клуба
- Сообщения: 536
- Зарегистрирован: Чт янв 08, 2009 12:32 am
- Репутация: 28
- Модель: ----
- Мотор: ----
- Город: Санкт-Петербург
- Имя: Сергей
Re: Пружина корпуса суппорта-нужен совет
Ставится просто.
Прикручивается верхним болтои, пружина с пазом под фиксатор на суппорте а верх её загнут по профилю суппорта в месте контакта, так что не перепутаешь.
УДАЧИ
Прикручивается верхним болтои, пружина с пазом под фиксатор на суппорте а верх её загнут по профилю суппорта в месте контакта, так что не перепутаешь.
УДАЧИ
- Alex_36as
- Член Клуба
- Сообщения: 548
- Зарегистрирован: Чт окт 15, 2009 10:28 pm
- Репутация: 14
- Модель: D2
- Мотор: AGH 4.2
- Город: Москва
- Имя: Александр
Re: Пружина корпуса суппорта-нужен совет
Спасибо.Если есть возможность,выложи фото please.
-
vovvw
- Почетный член Клуба

- Сообщения: 8429
- Зарегистрирован: Ср сен 26, 2007 8:42 am
- Награды: 1
- Репутация: 61
- Модель: I-Pace
- Мотор: Permanent magnet
- Город: Киров
- Имя: Владимир
Re: Пружина корпуса суппорта-нужен совет
Я гдето выкладывал уже
-
Oskar_AA
- Член Клуба
- Сообщения: 474
- Зарегистрирован: Чт окт 23, 2008 10:25 am
- Награды: 1
- Репутация: 1
- Модель: A8q D3 2002
- Мотор: BFM 4172 HKT
- Город: Бишкек
- Имя: Аскар
- Откуда: Кыргызстан, г.Бишкек
Re: Пружина корпуса суппорта-нужен совет
Добрый день, у меня стоит такая пружина-скоба. Поставили на два суппорта. К сожалению фото отсутствует. был небольшой люфт, руками ощущался но не гремело и не стучало. Мастера поставили для профилактики. Пока все ОК.
-
VolumeX
- Член Клуба
- Сообщения: 2657
- Зарегистрирован: Вт окт 23, 2007 4:57 pm
- Награды: 1
- Репутация: 54
- Модель: V40
- Мотор: 3.5
- Город: Чехов
- Имя: Алексей
Re: Пружина корпуса суппорта-нужен совет




Вот эти пружины.
Только купил.
Поставил ремкомплект на суппорт, скоба болталась.
Посмотрим, что будет после установки этих пружин.

- Alex_36as
- Член Клуба
- Сообщения: 548
- Зарегистрирован: Чт окт 15, 2009 10:28 pm
- Репутация: 14
- Модель: D2
- Мотор: AGH 4.2
- Город: Москва
- Имя: Александр
Re: Пружина корпуса суппорта-нужен совет
выложи фото после установки please
-
VolumeX
- Член Клуба
- Сообщения: 2657
- Зарегистрирован: Вт окт 23, 2007 4:57 pm
- Награды: 1
- Репутация: 54
- Модель: V40
- Мотор: 3.5
- Город: Чехов
- Имя: Алексей
Re: Пружина корпуса суппорта-нужен совет
Сложновато будет сделать, т.к. уже установил.
Там элементарная установка.
Главное попасть загнутыми "усиками" в необходимый паз на суппорте.
Там элементарная установка.
Главное попасть загнутыми "усиками" в необходимый паз на суппорте.

-
semiletina
- Член Клуба
- Сообщения: 576
- Зарегистрирован: Пн авг 08, 2011 11:03 pm
- Награды: 1
- Репутация: 16
- Модель: A8 1996г.в.
- Мотор: ABZ 4,2
- Город: Ессентуки
- Имя: Илия
- Откуда: Грозный
- Контактная информация:
Re: Пружина корпуса суппорта-нужен совет
а сколько пружин на суппорт надо,одну или две?
Уважаю эмперических людей.
Не проверив,не доказывают.
Не проверив,не доказывают.
-
semiletina
- Член Клуба
- Сообщения: 576
- Зарегистрирован: Пн авг 08, 2011 11:03 pm
- Награды: 1
- Репутация: 16
- Модель: A8 1996г.в.
- Мотор: ABZ 4,2
- Город: Ессентуки
- Имя: Илия
- Откуда: Грозный
- Контактная информация:
Re: Пружина корпуса суппорта-нужен совет
А если на один 2 пружины поставить? Клинить будет? По чем их брали, по 630 деревянных за штуку?
Уважаю эмперических людей.
Не проверив,не доказывают.
Не проверив,не доказывают.
-
VolumeX
- Член Клуба
- Сообщения: 2657
- Зарегистрирован: Вт окт 23, 2007 4:57 pm
- Награды: 1
- Репутация: 54
- Модель: V40
- Мотор: 3.5
- Город: Чехов
- Имя: Алексей
Re: Пружина корпуса суппорта-нужен совет
Клинить, думаю, не будет, но и одной скобы в комплексе с полной переборкой суппорта достаточно для решения проблемы.semiletina писал(а): Клинить будет? По чем их брали, по 630 деревянных за штуку?
Равно как двух скоб без переборки суппорта может быть недостаточно, смотря какой износ направляющих.
http://as8.ru/forum/viewtopic.php?f=84&t=3092
Все, как будто, первый раз слышат про клубный магазин ...
http://a8-shop.ru/index.php?option=com_ ... 1%81%D0%BA
500 р. в наличии

-
semiletina
- Член Клуба
- Сообщения: 576
- Зарегистрирован: Пн авг 08, 2011 11:03 pm
- Награды: 1
- Репутация: 16
- Модель: A8 1996г.в.
- Мотор: ABZ 4,2
- Город: Ессентуки
- Имя: Илия
- Откуда: Грозный
- Контактная информация:
Re: Пружина корпуса суппорта-нужен совет
благодарю за совет,в клубном магазине много не лазил,цену друг по экзисту сказал,А суппорта перебирать не сложно,рем комплекты есть,подумал о пружинах,чтоб новые втулочки быстро не ушатать.
Уважаю эмперических людей.
Не проверив,не доказывают.
Не проверив,не доказывают.
-
artey
- Член Клуба
- Сообщения: 1370
- Зарегистрирован: Ср сен 15, 2010 4:06 pm
- Награды: 1
- Репутация: 59
- Модель: Q7
- Мотор: BUG
- Город: Р.Коми
- Имя: Дмитрий
Re: Пружина корпуса суппорта-нужен совет
На рестайл ставятся эти пружины суппортов?Что то хотел себе поставить,хотя и люфта нет,но так и непонял как она ставиться.
-
nenya
- Почетный член Клуба
- Сообщения: 2646
- Зарегистрирован: Вс фев 01, 2009 3:57 pm
- Награды: 1
- Репутация: 41
- Модель: A8 1997 механика
- Мотор: ACK 2.8
- Город: Москва. Кузьминки
- Имя: Игорь
- Откуда: Курск
- Контактная информация:
Re: Пружина корпуса суппорта-нужен совет
VolumeX Алексей,это пружины на дорестайл? Я запутался,не могу понять
-
ASB
- Сообщения: 54
- Зарегистрирован: Пн дек 19, 2011 9:17 am
- Репутация: 2
- Модель: A8 2003
- Мотор: BFL
- Город: Орехово-Зуево
- Имя: Андрей
Re: Пружина корпуса суппорта-нужен совет
На днях поставил (2шт на одну сторону).
Помогло!!!
Заказал вторую пару, буду ставить на вторую сторону.
У меня такое подозрение по этим пружинкам, что изначально они должны были стоять на всех суппортах (в каталогах ведь они есть!). Но, т.к. машинки у нас не новые, а со временем пружинки скорее всего ослабевают, то ранние владельцы при очередном ремонте-переборке суппортов скорее всего выбрасывали их, не покупая новые. Поэтому их почти ни у кого и нет.ИМХО.
Помогло!!!
Заказал вторую пару, буду ставить на вторую сторону.
У меня такое подозрение по этим пружинкам, что изначально они должны были стоять на всех суппортах (в каталогах ведь они есть!). Но, т.к. машинки у нас не новые, а со временем пружинки скорее всего ослабевают, то ранние владельцы при очередном ремонте-переборке суппортов скорее всего выбрасывали их, не покупая новые. Поэтому их почти ни у кого и нет.ИМХО.
-
nenya
- Почетный член Клуба
- Сообщения: 2646
- Зарегистрирован: Вс фев 01, 2009 3:57 pm
- Награды: 1
- Репутация: 41
- Модель: A8 1997 механика
- Мотор: ACK 2.8
- Город: Москва. Кузьминки
- Имя: Игорь
- Откуда: Курск
- Контактная информация:
Re: Пружина корпуса суппорта-нужен совет
Тоже поставил по 2 штуки на сторону - стало значительно лучше - не асфальте не стучит - но когда едешь по гребенке, или булыжнику ,трамвайным путям - стук есть, но уже другой - проблема стука в самой скобе .гремит внутри скоба суппорта .
-
Maksibon11
- Сообщения: 1
- Зарегистрирован: Пн мар 11, 2019 8:50 pm
- Репутация: 0
- Модель: Audi 100
- Мотор: Aah
- Город: Москва
- Имя: Максим
Пружина корпуса суппорта-нужен совет
Ребят помогите найти эти пружины. Уже устал искать, может есть у кого в загашнике! 4D0 698 135 или 4D0 698 135 A







