Разница температуры на выходе воздуховодов
-
- Реклама
-
Евгений В.
- Почетный член Клуба
- Сообщения: 5332
- Зарегистрирован: Сб сен 06, 2008 8:36 pm
- Награды: 1
- Репутация: 216
- Модель: A8 1997
- Мотор: ACK 2,8
- Город: Медвежья гора
Разница температуры на выходе воздуховодов
Попал в руки термометр, решил его по тыкать везде.
Теперь спокойно спать не могу.
Почему так? Где копать?
Теперь спокойно спать не могу.
Почему так? Где копать?
Храни меня мой автомат ...
-
Евгений В.
- Почетный член Клуба
- Сообщения: 5332
- Зарегистрирован: Сб сен 06, 2008 8:36 pm
- Награды: 1
- Репутация: 216
- Модель: A8 1997
- Мотор: ACK 2,8
- Город: Медвежья гора
- СерП
- Член Клуба
- Сообщения: 536
- Зарегистрирован: Чт янв 08, 2009 12:32 am
- Репутация: 28
- Модель: ----
- Мотор: ----
- Город: Санкт-Петербург
- Имя: Сергей
Re: Разница температуры на выходе воздуховодов
Жень
Замеры лучше делать при одинаковой градусовке левой и правой стороны и в автоматимеском режиме климы.

Замеры лучше делать при одинаковой градусовке левой и правой стороны и в автоматимеском режиме климы.
-
a8s8
- Почетный член Клуба

- Сообщения: 10479
- Зарегистрирован: Сб июн 21, 2008 12:28 am
- Награды: 3
- Репутация: 136
- Модель: VW Polo V
- Мотор: 1,6
- Город: Столица Москвы
- Имя: Игорь
- Откуда: Приднестровье, Тирасполь
- Контактная информация:
Re: Разница температуры на выходе воздуховодов
Ты сравни еще с показаниями заднего воздуховода. У меня не то что термометром, рукой явно ощущается большая разница. Впереди холодный, назад идет гораздо теплее.
Лучше Ауди - может быть только Ауди!
-
Pampasnick
- Член Клуба
- Сообщения: 582
- Зарегистрирован: Пн июл 27, 2009 10:40 am
- Награды: 1
- Репутация: 27
- Модель: A8/1999 // A8/2003
- Мотор: AQD/2.8 // BBJ/3.0
- Город: Москва
- Имя: Алексей
Re: Разница температуры на выходе воздуховодов
У меня тоже такая картина, только разница чуть поменьше, ~4-5 при выставленном 21 на обе стороны.
Заметил что это началось после того как перестал капать левый дренаж, но может просто совпало. Наверно для начала почищу испаритель и налажу нормальный проток дренажа.
Заметил что это началось после того как перестал капать левый дренаж, но может просто совпало. Наверно для начала почищу испаритель и налажу нормальный проток дренажа.
- A8osjka
- Член Клуба
- Сообщения: 673
- Зарегистрирован: Пн апр 06, 2009 5:28 pm
- Репутация: 8
- Модель: A8 2003г.
- Мотор: BFM
- Город: Беларусь,Могилев
- Имя: Алексей
- Откуда: Белоруссия
- Контактная информация:
Re: Разница температуры на выходе воздуховодов
Жень привет. у меня два раза было такое у что я рукой ощущаю разницу между сторонами (левой - правой). я просто дозоправлял климу, примероно 400 гр. фриона и потом все ок! попробуй. удачи!
-
Евгений В.
- Почетный член Клуба
- Сообщения: 5332
- Зарегистрирован: Сб сен 06, 2008 8:36 pm
- Награды: 1
- Репутация: 216
- Модель: A8 1997
- Мотор: ACK 2,8
- Город: Медвежья гора
Re: Разница температуры на выходе воздуховодов
Думаю, что дело в блоке клапанов. Скорее всего с водительской стороны клапан не держит, в теплообменник идет теплый антифриз.
Храни меня мой автомат ...
- Nakamura
- Сообщения: 38
- Зарегистрирован: Чт фев 21, 2013 1:41 pm
- Репутация: 1
- Модель: Audi A8 1998
- Мотор: ALG 2.8
- Город: Нальчик
Re: Разница температуры на выходе воздуховодов
А где этот блок клапанов находится и тяжело ли его снимать?
-
volodei
- Член Клуба
- Сообщения: 4095
- Зарегистрирован: Сб апр 14, 2012 8:18 pm
- Награды: 1
- Репутация: 64
- Модель: A8/D3/Q
- Мотор: ВFM
- Город: Ростов-на-Дону
- Имя: Владимир
- Откуда: Россия
- Контактная информация:
Re: Разница температуры на выходе воздуховодов
Во блин тема, надо и у себя замереть, а то чего то спится хорошо.
По идее, самый холодный воздух должен идти с центрального воздуховода, т.к. ближе всего расположен к испарителю, а боковые чуть меньше, но температура должна быть примерно одинаковая. Так?
По идее, самый холодный воздух должен идти с центрального воздуховода, т.к. ближе всего расположен к испарителю, а боковые чуть меньше, но температура должна быть примерно одинаковая. Так?
"Ребята давайте жить дружно!" С уважением, volodei!
- djjean
- Член Клуба
- Сообщения: 1777
- Зарегистрирован: Вт окт 06, 2009 2:35 pm
- Репутация: 43
- Модель: A8. 1999
- Мотор: AQD/2.8
- Город: Москва
- Имя: Андрей
- Откуда: Москва, Гольяново
- Контактная информация:
Re: Разница температуры на выходе воздуховодов
После дозаправки фреона и смены блока клапанов с огромным гемором, температура со всех воздуховодов стала одинаковой не зависимо от удаленности от испарителей. Исключение только задний центральный и боковые задние воздуховоды, там температура примерно на 3-4 градуса выше.
-
Pampasnick
- Член Клуба
- Сообщения: 582
- Зарегистрирован: Пн июл 27, 2009 10:40 am
- Награды: 1
- Репутация: 27
- Модель: A8/1999 // A8/2003
- Мотор: AQD/2.8 // BBJ/3.0
- Город: Москва
- Имя: Алексей
Re: Разница температуры на выходе воздуховодов
У меня все обошлось перезаправкой - в системе из 950гр. осталось порядка 550гр.
Но через примерно 5 месяцев опять стал дуть по разному. Похоже где-то уходит фрион...
Но через примерно 5 месяцев опять стал дуть по разному. Похоже где-то уходит фрион...
- djjean
- Член Клуба
- Сообщения: 1777
- Зарегистрирован: Вт окт 06, 2009 2:35 pm
- Репутация: 43
- Модель: A8. 1999
- Мотор: AQD/2.8
- Город: Москва
- Имя: Андрей
- Откуда: Москва, Гольяново
- Контактная информация:
Re: Разница температуры на выходе воздуховодов
Надо делать вакумирование системы с последующей перезаправкой.
-
Евгений В.
- Почетный член Клуба
- Сообщения: 5332
- Зарегистрирован: Сб сен 06, 2008 8:36 pm
- Награды: 1
- Репутация: 216
- Модель: A8 1997
- Мотор: ACK 2,8
- Город: Медвежья гора
Re: Разница температуры на выходе воздуховодов
Проблема решилась очередной заменой блока клапанов, прошедшего тщательную предварительную ревизию
Как результат - разница температуры 1-2 градуса.
Как результат - разница температуры 1-2 градуса.
Храни меня мой автомат ...
- SergeZ
- Почетный член Клуба
- Сообщения: 3520
- Зарегистрирован: Пн мар 15, 2010 3:24 pm
- Репутация: 90
- Модель: A8 1999
- Мотор: AQF->AQH
- Город: Тула
- Имя: Сергей
Re: Разница температуры на выходе воздуховодов
У меня еще более интересный квест.
Боковые, что водительский, что пассажирский, дуют примерно одинаковым по температуре воздухом. Центральный - заметно более холодным.
Кондей свеже заправлен, на LO дает около 9 градусов в боковой и центральный. На + 24 и "авто" - вышеописанная хрень
Ваг-ком пока еще не подключал, но уверен что ошибок не будет.
При этом явно щелкают 2 заслонки и не проходит адаптация.
Куда копать?
Боковые, что водительский, что пассажирский, дуют примерно одинаковым по температуре воздухом. Центральный - заметно более холодным.
Кондей свеже заправлен, на LO дает около 9 градусов в боковой и центральный. На + 24 и "авто" - вышеописанная хрень
Ваг-ком пока еще не подключал, но уверен что ошибок не будет.
При этом явно щелкают 2 заслонки и не проходит адаптация.
Куда копать?
-
alexrae
- Член Клуба
- Сообщения: 6826
- Зарегистрирован: Пт июн 26, 2009 8:18 pm
- Награды: 1
- Репутация: 96
- Модель: A8 2006
- Мотор: BGK/HKT 3шт
- Город: Торонто
- Имя: Алекс
Re: Разница температуры на выходе воздуховодов
В привод заслонки холодного воздуха центрального дефлектора
- SergeZ
- Почетный член Клуба
- Сообщения: 3520
- Зарегистрирован: Пн мар 15, 2010 3:24 pm
- Репутация: 90
- Модель: A8 1999
- Мотор: AQF->AQH
- Город: Тула
- Имя: Сергей
Re: Разница температуры на выходе воздуховодов
Хм... Ушел искать схему климата, которую когда-то выкладывал Юра Квакер.
alexrae а у тебя нет схемы? Я ж знаю, что у тебя много всяких электронных каталогов...
alexrae а у тебя нет схемы? Я ж знаю, что у тебя много всяких электронных каталогов...
-
alexrae
- Член Клуба
- Сообщения: 6826
- Зарегистрирован: Пт июн 26, 2009 8:18 pm
- Награды: 1
- Репутация: 96
- Модель: A8 2006
- Мотор: BGK/HKT 3шт
- Город: Торонто
- Имя: Алекс
Re: Разница температуры на выходе воздуховодов
я думаю - тебе не электрическая схема нужна - а воздуховодов... оба этих привода(на центральный воздуховод - холодного - после эвапоратора и теплого - после печек) - должны быть с левой стороны и вполне доступны (условно доступны
) может - магнитолу надо будет выдернуть
Сейчас под руками схемы нет, но я уже где-то выкладывал... если еще надо будет - из дому скину
Сейчас под руками схемы нет, но я уже где-то выкладывал... если еще надо будет - из дому скину
- SergeZ
- Почетный член Клуба
- Сообщения: 3520
- Зарегистрирован: Пн мар 15, 2010 3:24 pm
- Репутация: 90
- Модель: A8 1999
- Мотор: AQF->AQH
- Город: Тула
- Имя: Сергей
Re: Разница температуры на выходе воздуховодов
Спасибо
Придумал себе развлечение на праздники
Придумал себе развлечение на праздники
-
alexrae
- Член Клуба
- Сообщения: 6826
- Зарегистрирован: Пт июн 26, 2009 8:18 pm
- Награды: 1
- Репутация: 96
- Модель: A8 2006
- Мотор: BGK/HKT 3шт
- Город: Торонто
- Имя: Алекс
Re: Разница температуры на выходе воздуховодов
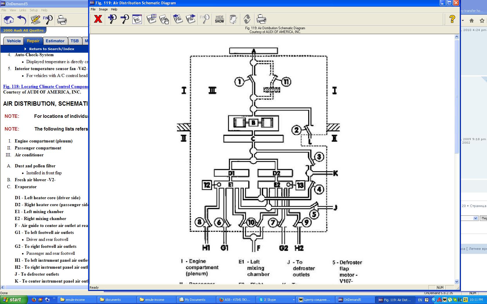
держи - схемы
-
alexrae
- Член Клуба
- Сообщения: 6826
- Зарегистрирован: Пт июн 26, 2009 8:18 pm
- Награды: 1
- Репутация: 96
- Модель: A8 2006
- Мотор: BGK/HKT 3шт
- Город: Торонто
- Имя: Алекс
Re: Разница температуры на выходе воздуховодов
воздуховоды (пдф слишком большой получается почемуто - пришлось снимки экрана делать)
- Nakamura
- Сообщения: 38
- Зарегистрирован: Чт фев 21, 2013 1:41 pm
- Репутация: 1
- Модель: Audi A8 1998
- Мотор: ALG 2.8
- Город: Нальчик
Re: Разница температуры на выходе воздуховодов
У меня была вышеописанная проблема. Долгое время хотел снять блок клапанов, но самому начинать туда лезть представлялось стрёмноватым, а спросить было не у кого, ибо в краях наших про то никто не ведает. Пару недель назад заехал к какому-то кондиционерщику, который, выкачав из системы весь фреон, заметил, что его (фреона) вышло около 400 г, при норме в 800-850 г. Он систему вакуумировал, закачал туда 50 г масла, сказав, что это требуется для смазки и нормальной работы компрессора, затем вакуумировал заново и закачал 850 г фреона.
Результаты:
1) морозить стало отлично;
2) разность температур справа и слева полностью пропала, теперь t одинаковая.
Результаты:
1) морозить стало отлично;
2) разность температур справа и слева полностью пропала, теперь t одинаковая.
-
alexrae
- Член Клуба
- Сообщения: 6826
- Зарегистрирован: Пт июн 26, 2009 8:18 pm
- Награды: 1
- Репутация: 96
- Модель: A8 2006
- Мотор: BGK/HKT 3шт
- Город: Торонто
- Имя: Алекс
Re: Разница температуры на выходе воздуховодов
Вообще то все равно в клапана полезть придется, наверное. Кондиционер работает на обе стороны, а обогрев раздельный.... просто у тебя сейчас холодом перебивает возможный перегрев по одной из сторон
- Павел Маркелов
- Член Клуба
- Сообщения: 296
- Зарегистрирован: Чт мар 21, 2013 7:05 pm
- Репутация: 1
- Модель: audi a8 1997
- Мотор: ABZ
- Город: Челябинск
- Имя: Павел
Re: Разница температуры на выходе воздуховодов
Мне заправили 70гр масла и 740 фреона,может это влиять на разность температуры с боковых дефлекторов?
Истина где то рядом,прям на видном месте....
- Павел Маркелов
- Член Клуба
- Сообщения: 296
- Зарегистрирован: Чт мар 21, 2013 7:05 pm
- Репутация: 1
- Модель: audi a8 1997
- Мотор: ABZ
- Город: Челябинск
- Имя: Павел
Re: Разница температуры на выходе воздуховодов
Решилась слил воду с правой стороны,опять забился клапан,обрезать надо его
Истина где то рядом,прям на видном месте....





