стук клапана то есть то нет
-
- Реклама
-
bigtime2000
- Член Клуба
- Сообщения: 811
- Зарегистрирован: Пт июн 17, 2011 8:28 am
- Награды: 1
- Репутация: 36
- Модель: VW Touareg
- Мотор: CKDA 4.2
- Город: Сочи
- Имя: Мага
- Откуда: Сочи
стук клапана то есть то нет
Доброго времени суток!
Столкнулся с такой проблемой после переборки голов. Иногда отчетливо после заводки на холодную слышен стук клапана по мере прогрева стихает а может и не стихать минут 10. В первые км после ремонта такая проблема тоже вылазила, после одной перегазовки пропадала. Теперь все время, то тише то громче то вообще шепчет. При ремонте меняли два седла клапана, может это быть как то взаимосвязано? Все направляющие и клапана новые, гидрики не менялись. Спасибо всем откликнувшимся.
Столкнулся с такой проблемой после переборки голов. Иногда отчетливо после заводки на холодную слышен стук клапана по мере прогрева стихает а может и не стихать минут 10. В первые км после ремонта такая проблема тоже вылазила, после одной перегазовки пропадала. Теперь все время, то тише то громче то вообще шепчет. При ремонте меняли два седла клапана, может это быть как то взаимосвязано? Все направляющие и клапана новые, гидрики не менялись. Спасибо всем откликнувшимся.
-
O`Breea
- Почетный член Клуба

- Сообщения: 14411
- Зарегистрирован: Ср окт 01, 2008 11:21 pm
- Награды: 3
- Репутация: 196
- Модель: A8 (D2), 2002, Quattro
- Мотор: AKC 3.7 (FBB)
- Город: Санкт-Петербург
- Имя: Константин
- Откуда: Санкт-Петербург
Re: стук клапана то есть то нет
Точно не стук гидрокомпенсаторов? Гидрики резко перестают стучать, потом опять могут застучать и так пока машина не прогреется.
No Quattro - No Chance
- karec
- Член Клуба
- Сообщения: 1715
- Зарегистрирован: Ср авг 24, 2011 4:32 pm
- Репутация: 52
- Модель: ОООО,toyota
- Мотор: 4.2tt,2.0tfsi,2jz
- Город: МСК
- Имя: Андрей
Re: стук клапана то есть то нет
клапан слива масла в блок,который спереди стоит поменяй. у меня прошло после его замены.правда одновременно еще и масло поменял, но до этого на свежем масле один фиг постукивало.
вообще я добрый,но в мире не найти меня злей.
9Z6-7I6-3О4I
9Z6-7I6-3О4I
-
bigtime2000
- Член Клуба
- Сообщения: 811
- Зарегистрирован: Пт июн 17, 2011 8:28 am
- Награды: 1
- Репутация: 36
- Модель: VW Touareg
- Мотор: CKDA 4.2
- Город: Сочи
- Имя: Мага
- Откуда: Сочи
Re: стук клапана то есть то нет
karec, это что за клапан такой можно номерок?
- karec
- Член Клуба
- Сообщения: 1715
- Зарегистрирован: Ср авг 24, 2011 4:32 pm
- Репутация: 52
- Модель: ОООО,toyota
- Мотор: 4.2tt,2.0tfsi,2jz
- Город: МСК
- Имя: Андрей
Re: стук клапана то есть то нет
077 115 540 B
к слову.у меня постукивать начало после тотальной помывки мотора и нескольких раскоксовок.в последний раз уже мотор чистый был и тупо сменил масло,с заменой этого клапана.стало тихо.заводится стала тише.спасибо ivan71 за совет))клапана в развале тоже менял,но после них вообще ничего не изменилось в работе мотора.по крайней мере ни на слух ни на ощущения.
к слову.у меня постукивать начало после тотальной помывки мотора и нескольких раскоксовок.в последний раз уже мотор чистый был и тупо сменил масло,с заменой этого клапана.стало тихо.заводится стала тише.спасибо ivan71 за совет))клапана в развале тоже менял,но после них вообще ничего не изменилось в работе мотора.по крайней мере ни на слух ни на ощущения.
вообще я добрый,но в мире не найти меня злей.
9Z6-7I6-3О4I
9Z6-7I6-3О4I
-
bigtime2000
- Член Клуба
- Сообщения: 811
- Зарегистрирован: Пт июн 17, 2011 8:28 am
- Награды: 1
- Репутация: 36
- Модель: VW Touareg
- Мотор: CKDA 4.2
- Город: Сочи
- Имя: Мага
- Откуда: Сочи
Re: стук клапана то есть то нет
karec, спасиб попробую. Я так понимаю скорее дело не в кривом ремонте голов?
- karec
- Член Клуба
- Сообщения: 1715
- Зарегистрирован: Ср авг 24, 2011 4:32 pm
- Репутация: 52
- Модель: ОООО,toyota
- Мотор: 4.2tt,2.0tfsi,2jz
- Город: МСК
- Имя: Андрей
Re: стук клапана то есть то нет
правильно думаешь.просто скорее всего ты все говнище вымыл, и что-то где то могло забиться.попробуй промой мотор еще раз и клапан этот махни. по крайней мере малой кровью...вдруг тебе тоже поможет.
вообще я добрый,но в мире не найти меня злей.
9Z6-7I6-3О4I
9Z6-7I6-3О4I
-
bigtime2000
- Член Клуба
- Сообщения: 811
- Зарегистрирован: Пт июн 17, 2011 8:28 am
- Награды: 1
- Репутация: 36
- Модель: VW Touareg
- Мотор: CKDA 4.2
- Город: Сочи
- Имя: Мага
- Откуда: Сочи
Re: стук клапана то есть то нет
karec, по схеме этого клапана нема на моем движке:(, врнее есть но с другим номером и в другом месте.
- karec
- Член Клуба
- Сообщения: 1715
- Зарегистрирован: Ср авг 24, 2011 4:32 pm
- Репутация: 52
- Модель: ОООО,toyota
- Мотор: 4.2tt,2.0tfsi,2jz
- Город: МСК
- Имя: Андрей
Re: стук клапана то есть то нет
эм.тот же номер только A..B -замена просто.в разделе блок цилиндров.
вообще я добрый,но в мире не найти меня злей.
9Z6-7I6-3О4I
9Z6-7I6-3О4I
-
bigtime2000
- Член Клуба
- Сообщения: 811
- Зарегистрирован: Пт июн 17, 2011 8:28 am
- Награды: 1
- Репутация: 36
- Модель: VW Touareg
- Мотор: CKDA 4.2
- Город: Сочи
- Имя: Мага
- Откуда: Сочи
Re: стук клапана то есть то нет
Все нашел, благодарю:)
- Proprietor
- Сообщения: 666
- Зарегистрирован: Вт янв 08, 2013 9:26 pm
- Репутация: 5
- Модель: S6/c5/A8
- Мотор: ANK/V8/Мкпп/BFM
- Город: BLR
- Имя: Elmar
Re: стук клапана то есть то нет
Полезли менять вот эти клапана-обратные (в развале) 059 103 175 A! Karec пишет про вот этот 077 115 540 A (форсунка подачи масла для охлаждения)!На картинке не совсем понятно где он находится??!Что нужно разобрать чтоб добраться до него??!И их стоимость??!!Звонил в магазин,узнавал за обратные клапана.Сказали 50$-штучка!?Неужели??!!
-
bigtime2000
- Член Клуба
- Сообщения: 811
- Зарегистрирован: Пт июн 17, 2011 8:28 am
- Награды: 1
- Репутация: 36
- Модель: VW Touareg
- Мотор: CKDA 4.2
- Город: Сочи
- Имя: Мага
- Откуда: Сочи
Re: стук клапана то есть то нет
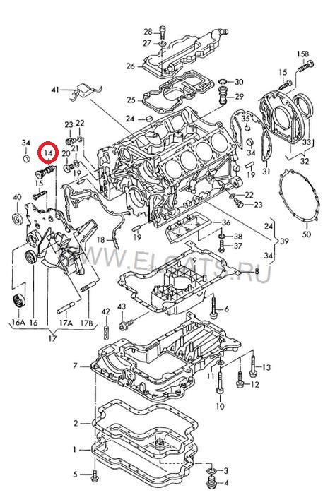
Вот он на картинке под номером 14, номер детали выше написал Karec. Сам еще не менял, по ходу где то спереди судя по схеме. На exist и emex цена что то около 1000 рублей. редукционные клапана те что в развале там же стоят 1100-1200.
- Вложения
-
- Снимок.JPG (119.83 КБ) 5027 просмотров
- Proprietor
- Сообщения: 666
- Зарегистрирован: Вт янв 08, 2013 9:26 pm
- Репутация: 5
- Модель: S6/c5/A8
- Мотор: ANK/V8/Мкпп/BFM
- Город: BLR
- Имя: Elmar
Re: стук клапана то есть то нет
bigtime2000 ,по картинке и ценам понятно!Хотел уточнить что конкретно разбирать??!!Скидывать ремни,морду и т.п надо или все проще???!По ходу Karec в курсе!
- karec
- Член Клуба
- Сообщения: 1715
- Зарегистрирован: Ср авг 24, 2011 4:32 pm
- Репутация: 52
- Модель: ОООО,toyota
- Мотор: 4.2tt,2.0tfsi,2jz
- Город: МСК
- Имя: Андрей
Re: стук клапана то есть то нет
разбирать надо только 2 вещи-снять виску и пластиковые защиты грм. что бы его вытащить,надо будет расслабить ремень грм,отодвинув натяжной ролик. делать лучше в двоем,работы на 3-5 минут...сфотаю вечер.com.
вообще я добрый,но в мире не найти меня злей.
9Z6-7I6-3О4I
9Z6-7I6-3О4I
- Илья 84
- Сообщения: 141
- Зарегистрирован: Ср авг 15, 2012 2:10 pm
- Репутация: 5
- Модель: S6 C5 00г.в>А3 1.8т 300+>А8D3
- Мотор: ARS, BVZ, AQH
- Город: Шарм-эль-Шахты
- Имя: Илья
Re: стук клапана то есть то нет
Интересно , сегодня утром при запуске столкнулся с проблемой секундного простукивания гидриков . Тоже жду фоток расположения 

- karec
- Член Клуба
- Сообщения: 1715
- Зарегистрирован: Ср авг 24, 2011 4:32 pm
- Репутация: 52
- Модель: ОООО,toyota
- Мотор: 4.2tt,2.0tfsi,2jz
- Город: МСК
- Имя: Андрей
Re: стук клапана то есть то нет
забыл чет...




вообще я добрый,но в мире не найти меня злей.
9Z6-7I6-3О4I
9Z6-7I6-3О4I
- Proprietor
- Сообщения: 666
- Зарегистрирован: Вт янв 08, 2013 9:26 pm
- Репутация: 5
- Модель: S6/c5/A8
- Мотор: ANK/V8/Мкпп/BFM
- Город: BLR
- Имя: Elmar
Re: стук клапана то есть то нет
Спасибо Karec!
Дождались....
Дождались....-
Ivan71
- Почетный член Клуба
- Сообщения: 6509
- Зарегистрирован: Ср апр 02, 2008 5:06 pm
- Награды: 3
- Репутация: 229
- Модель: S8 D2/Q7
- Мотор: 4.2/6.0
- Город: Тула
- Контактная информация:
Re: стук клапана то есть то нет
"Тема сисек раскрыта!" 
-
bigtime2000
- Член Клуба
- Сообщения: 811
- Зарегистрирован: Пт июн 17, 2011 8:28 am
- Награды: 1
- Репутация: 36
- Модель: VW Touareg
- Мотор: CKDA 4.2
- Город: Сочи
- Имя: Мага
- Откуда: Сочи
- karec
- Член Клуба
- Сообщения: 1715
- Зарегистрирован: Ср авг 24, 2011 4:32 pm
- Репутация: 52
- Модель: ОООО,toyota
- Мотор: 4.2tt,2.0tfsi,2jz
- Город: МСК
- Имя: Андрей
Re: стук клапана то есть то нет
5нм+ 90 доворот.
вообще я добрый,но в мире не найти меня злей.
9Z6-7I6-3О4I
9Z6-7I6-3О4I
-
Dok
- Член Клуба
- Сообщения: 12731
- Зарегистрирован: Пн апр 15, 2013 9:44 am
- Награды: 2
- Репутация: 238
- Модель: не ауди
- Мотор: 2,5TDi
- Город: дорог
Re: стук клапана то есть то нет
тоже буду менять у себя этот клапан.
как именно он работает? тоже старый зависает в открытом состоянии и всё масло стекает вниз на заглушенном движке, и поэтому когда заводишь первые секунды побрякивает. я прав?
как именно он работает? тоже старый зависает в открытом состоянии и всё масло стекает вниз на заглушенном движке, и поэтому когда заводишь первые секунды побрякивает. я прав?
жри спи жми
- Proprietor
- Сообщения: 666
- Зарегистрирован: Вт янв 08, 2013 9:26 pm
- Репутация: 5
- Модель: S6/c5/A8
- Мотор: ANK/V8/Мкпп/BFM
- Город: BLR
- Имя: Elmar
Re: стук клапана то есть то нет
Может и запасть...когда выкрутишь свои,сравнишь с новыми,поймешь!!Там типа "иголки" карбюратора в ВаЗе.На моих старых масленных коапанах,резинки в сравнении с новыми прохудились заметно!
-
Dok
- Член Клуба
- Сообщения: 12731
- Зарегистрирован: Пн апр 15, 2013 9:44 am
- Награды: 2
- Репутация: 238
- Модель: не ауди
- Мотор: 2,5TDi
- Город: дорог
Re: стук клапана то есть то нет
ну всё для меня сейчас стало понятно что они такие же как на моей предыдущей тачиле. а значит я их уже менял, видел, щупал что там где западает. всё ясно. эта песня хороша, начинай сначалаProprietor писал(а):когда выкрутишь свои,сравнишь с новыми,поймешь
жри спи жми
-
shtepa
- Почетный член Клуба
- Сообщения: 11863
- Зарегистрирован: Ср сен 26, 2007 8:21 am
- Награды: 2
- Репутация: 137
- Модель: q7
- Мотор: CASA
- Город: 61 RUS
Re: стук клапана то есть то нет
bigtime2000 писал(а):Вот он на картинке под номером 14
Proprietor писал(а): 077 115 540 A (форсунка подачи масла для охлаждения)
так это эта самая форсунка не позволяет стекать маслу и устраняет стук при запуске ?Ivan71 писал(а):Тема сисек раскрыта!"



