шум в поддоне 2.5

Все вопросы, связанные с дизельными двигателями. Механическая часть, система смазки, ГРМ, ТНВД, топливо. Все все про дизель в этом форуме.
romela
Сообщения: 18
Зарегистрирован: Чт сен 26, 2019 6:20 pm
Репутация: 0
Модель: a8 2002
Мотор: AKE 2.5TDI
Город: Бобруйск
Имя: Роман

шум в поддоне 2.5

Сообщение romela »

Ребят,всем доброго времени суток! Появилась у меня проблема на АКЕ! На холодную что-то шумит в поддоне! Может было у кого похожее? У меня три предположения: цепь,натяжитель,балансирный вал! На днях буду снимать поддон,так вот на что обратить особое внимание?
Аватара пользователя
Vitas

Ветеран Клуба Писатель Клуба
Почетный член Клуба
Сообщения: 12627
Зарегистрирован: Пт ноя 14, 2008 9:46 pm
Награды: 2
Репутация: 247
Модель: Две AUDI A8 98 - 99
Мотор: Чипанутые TDI
Город: Королёв
Имя: Василий

шум в поддоне 2.5

Сообщение Vitas »

Скорее всего цепь маслонасоса
Автомобиль мечты может быть только в твоей голове.
romela
Сообщения: 18
Зарегистрирован: Чт сен 26, 2019 6:20 pm
Репутация: 0
Модель: a8 2002
Мотор: AKE 2.5TDI
Город: Бобруйск
Имя: Роман

шум в поддоне 2.5

Сообщение romela »

Провисла?
Аватара пользователя
Vitas

Ветеран Клуба Писатель Клуба
Почетный член Клуба
Сообщения: 12627
Зарегистрирован: Пт ноя 14, 2008 9:46 pm
Награды: 2
Репутация: 247
Модель: Две AUDI A8 98 - 99
Мотор: Чипанутые TDI
Город: Королёв
Имя: Василий

шум в поддоне 2.5

Сообщение Vitas »

Скорее всего
Автомобиль мечты может быть только в твоей голове.
romela
Сообщения: 18
Зарегистрирован: Чт сен 26, 2019 6:20 pm
Репутация: 0
Модель: a8 2002
Мотор: AKE 2.5TDI
Город: Бобруйск
Имя: Роман

шум в поддоне 2.5

Сообщение romela »

Почему тогда как прогреется тишина?
Аватара пользователя
Vitas

Ветеран Клуба Писатель Клуба
Почетный член Клуба
Сообщения: 12627
Зарегистрирован: Пт ноя 14, 2008 9:46 pm
Награды: 2
Репутация: 247
Модель: Две AUDI A8 98 - 99
Мотор: Чипанутые TDI
Город: Королёв
Имя: Василий

шум в поддоне 2.5

Сообщение Vitas »

За чем гадать ? Вскрывай ящик Пандоры
Автомобиль мечты может быть только в твоей голове.
romela
Сообщения: 18
Зарегистрирован: Чт сен 26, 2019 6:20 pm
Репутация: 0
Модель: a8 2002
Мотор: AKE 2.5TDI
Город: Бобруйск
Имя: Роман

шум в поддоне 2.5

Сообщение romela »

Согласен!
romela
Сообщения: 18
Зарегистрирован: Чт сен 26, 2019 6:20 pm
Репутация: 0
Модель: a8 2002
Мотор: AKE 2.5TDI
Город: Бобруйск
Имя: Роман

шум в поддоне 2.5

Сообщение romela »

Всем доброго! Вот и выяснилась причина шума в поддоне! Нет натяжения цепи из-за обломанного кусочка натяжителя,который был найден в маслоприемнике!
romela
Сообщения: 18
Зарегистрирован: Чт сен 26, 2019 6:20 pm
Репутация: 0
Модель: a8 2002
Мотор: AKE 2.5TDI
Город: Бобруйск
Имя: Роман

шум в поддоне 2.5

Сообщение romela »

Процесс разборки начат! Морда снята,снят поддон! Долее предстоит проделать огромную работу,для того,чтобы добраться до башмака и поменять саму цепь! На смежных форумах инфы немного нарыл,на нашем что-то не нашел! Может плохо искал?
romela
Сообщения: 18
Зарегистрирован: Чт сен 26, 2019 6:20 pm
Репутация: 0
Модель: a8 2002
Мотор: AKE 2.5TDI
Город: Бобруйск
Имя: Роман

шум в поддоне 2.5

Сообщение romela »

Мужики,дайте пожалуйста номер прокладки промежуточного поддона и номер болта КВ!
иоан 350

Ветеран Клуба
Ветеран Клуба
Сообщения: 7052
Зарегистрирован: Пн мар 23, 2015 10:00 am
Награды: 1
Репутация: 113
Модель: a8 2006
Мотор: BBG 3.0
Город: москва
Имя: Иван
Откуда: Украина.

шум в поддоне 2.5

Сообщение иоан 350 »

Там быстрей всего герметик а не прокладка.
иоан 350

Ветеран Клуба
Ветеран Клуба
Сообщения: 7052
Зарегистрирован: Пн мар 23, 2015 10:00 am
Награды: 1
Репутация: 113
Модель: a8 2006
Мотор: BBG 3.0
Город: москва
Имя: Иван
Откуда: Украина.

шум в поддоне 2.5

Сообщение иоан 350 »

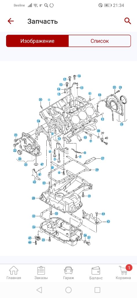
Screenshot_20191022_213441_ru.autodoc.autodocapp.jpg
Screenshot_20191022_213501_ru.autodoc.autodocapp.jpg
Под номером 29.
Последний раз редактировалось иоан 350 Вт окт 22, 2019 9:37 pm, всего редактировалось 1 раз.
Аватара пользователя
Vitas

Ветеран Клуба Писатель Клуба
Почетный член Клуба
Сообщения: 12627
Зарегистрирован: Пт ноя 14, 2008 9:46 pm
Награды: 2
Репутация: 247
Модель: Две AUDI A8 98 - 99
Мотор: Чипанутые TDI
Город: Королёв
Имя: Василий

шум в поддоне 2.5

Сообщение Vitas »

Есть нюанс ! По вину надо смотреть, прокладка или герметик !
В 2002 году точно герметик, но только качественный применяй
Последний раз редактировалось Vitas Вт окт 22, 2019 11:14 pm, всего редактировалось 1 раз.
Автомобиль мечты может быть только в твоей голове.
иоан 350

Ветеран Клуба
Ветеран Клуба
Сообщения: 7052
Зарегистрирован: Пн мар 23, 2015 10:00 am
Награды: 1
Репутация: 113
Модель: a8 2006
Мотор: BBG 3.0
Город: москва
Имя: Иван
Откуда: Украина.

шум в поддоне 2.5

Сообщение иоан 350 »

Я смотрел по вину машины 2003 года олроуд.
romela
Сообщения: 18
Зарегистрирован: Чт сен 26, 2019 6:20 pm
Репутация: 0
Модель: a8 2002
Мотор: AKE 2.5TDI
Город: Бобруйск
Имя: Роман

шум в поддоне 2.5

Сообщение romela »

Герметик Реинцовский взял,наверное это лучшее,что есть! Подскажите какая резьба на болту коленвала?
romela
Сообщения: 18
Зарегистрирован: Чт сен 26, 2019 6:20 pm
Репутация: 0
Модель: a8 2002
Мотор: AKE 2.5TDI
Город: Бобруйск
Имя: Роман

шум в поддоне 2.5

Сообщение romela »

И момент затяжки?
romela
Сообщения: 18
Зарегистрирован: Чт сен 26, 2019 6:20 pm
Репутация: 0
Модель: a8 2002
Мотор: AKE 2.5TDI
Город: Бобруйск
Имя: Роман

шум в поддоне 2.5

Сообщение romela »

Але,парни,где пропали?) нужна помощь!!! Продолжаю воевать с разборкой! В общем,не могу снять верхний поддон! Снял стартер,гену,комп кондея,открутил все болты поддона,но слазить он зараза не хочет! Люфтит немного и все,держит его что-то!? В книге вычитал цитита: выпрессовать масляный поддон с зажимных втулок блока цилиндров. Что за втулки и как выпрессовывать??? Выручайте мужики!
Аватара пользователя
Vitas

Ветеран Клуба Писатель Клуба
Почетный член Клуба
Сообщения: 12627
Зарегистрирован: Пт ноя 14, 2008 9:46 pm
Награды: 2
Репутация: 247
Модель: Две AUDI A8 98 - 99
Мотор: Чипанутые TDI
Город: Королёв
Имя: Василий

шум в поддоне 2.5

Сообщение Vitas »

Обычная левая резьба ,момент затяжки 350 нм
Надо открутить масляный насос ни чего выпрессовывать не надо
Автомобиль мечты может быть только в твоей голове.
romela
Сообщения: 18
Зарегистрирован: Чт сен 26, 2019 6:20 pm
Репутация: 0
Модель: a8 2002
Мотор: AKE 2.5TDI
Город: Бобруйск
Имя: Роман

шум в поддоне 2.5

Сообщение romela »

Насос,звездочку,вал -все снял! Пишут нужно мотор вывешивать,так и не понял для чего? И так должно все выйти вроде! Вот только держит что-то.
Аватара пользователя
Vitas

Ветеран Клуба Писатель Клуба
Почетный член Клуба
Сообщения: 12627
Зарегистрирован: Пт ноя 14, 2008 9:46 pm
Награды: 2
Репутация: 247
Модель: Две AUDI A8 98 - 99
Мотор: Чипанутые TDI
Город: Королёв
Имя: Василий

шум в поддоне 2.5

Сообщение Vitas »

Да мотор вывешивать или в АКПП триногу ставить ! А как по другому второй поддонн снять ?
Автомобиль мечты может быть только в твоей голове.
romela
Сообщения: 18
Зарегистрирован: Чт сен 26, 2019 6:20 pm
Репутация: 0
Модель: a8 2002
Мотор: AKE 2.5TDI
Город: Бобруйск
Имя: Роман

шум в поддоне 2.5

Сообщение romela »

Чтобы его вытащить согласен,надо вывесить мотор! Я не могу его от блока оторвать!
romela
Сообщения: 18
Зарегистрирован: Чт сен 26, 2019 6:20 pm
Репутация: 0
Модель: a8 2002
Мотор: AKE 2.5TDI
Город: Бобруйск
Имя: Роман

шум в поддоне 2.5

Сообщение romela »

Все,разобрался со своей проблемой! Повозиться пришлось изрядно! Пол машины нужно было разобрать! При снятии поддона выяснилось,что отломался кусочек от башмака,в который упирается натяжитель-цепь провисла и терла о кожух нижнего поддона! Вместе с тем,выяснилось,что балансирный вал из-за этого стоит не в метках-отсюда и тряска мотора! А я то грешил на гидроопоры) . прокладки поддонов были жидкие(герметик),как и говорил Vitas,поставил Реинцовские! После ремонта,машина стала работать мягче,пропала вибрация! В общем,всем кто помогал инфой спасибо!!! По возможности,отвечу на все вопросы по данной проблеме!
Аватара пользователя
Vitas

Ветеран Клуба Писатель Клуба
Почетный член Клуба
Сообщения: 12627
Зарегистрирован: Пт ноя 14, 2008 9:46 pm
Награды: 2
Репутация: 247
Модель: Две AUDI A8 98 - 99
Мотор: Чипанутые TDI
Город: Королёв
Имя: Василий

шум в поддоне 2.5

Сообщение Vitas »

Молодец ,справился
Автомобиль мечты может быть только в твоей голове.
Ответить

Вернуться в «TDI 2.5, 3.3»