шум в поддоне 2.5
-
- Реклама
-
romela
- Сообщения: 18
- Зарегистрирован: Чт сен 26, 2019 6:20 pm
- Репутация: 0
- Модель: a8 2002
- Мотор: AKE 2.5TDI
- Город: Бобруйск
- Имя: Роман
шум в поддоне 2.5
Ребят,всем доброго времени суток! Появилась у меня проблема на АКЕ! На холодную что-то шумит в поддоне! Может было у кого похожее? У меня три предположения: цепь,натяжитель,балансирный вал! На днях буду снимать поддон,так вот на что обратить особое внимание?
-
romela
- Сообщения: 18
- Зарегистрирован: Чт сен 26, 2019 6:20 pm
- Репутация: 0
- Модель: a8 2002
- Мотор: AKE 2.5TDI
- Город: Бобруйск
- Имя: Роман
шум в поддоне 2.5
Провисла?
-
romela
- Сообщения: 18
- Зарегистрирован: Чт сен 26, 2019 6:20 pm
- Репутация: 0
- Модель: a8 2002
- Мотор: AKE 2.5TDI
- Город: Бобруйск
- Имя: Роман
шум в поддоне 2.5
Почему тогда как прогреется тишина?
-
Vitas
- Почетный член Клуба
- Сообщения: 12626
- Зарегистрирован: Пт ноя 14, 2008 9:46 pm
- Награды: 2
- Репутация: 247
- Модель: Две AUDI A8 98 - 99
- Мотор: Чипанутые TDI
- Город: Королёв
- Имя: Василий
шум в поддоне 2.5
За чем гадать ? Вскрывай ящик Пандоры
Автомобиль мечты может быть только в твоей голове.
-
romela
- Сообщения: 18
- Зарегистрирован: Чт сен 26, 2019 6:20 pm
- Репутация: 0
- Модель: a8 2002
- Мотор: AKE 2.5TDI
- Город: Бобруйск
- Имя: Роман
шум в поддоне 2.5
Согласен!
-
romela
- Сообщения: 18
- Зарегистрирован: Чт сен 26, 2019 6:20 pm
- Репутация: 0
- Модель: a8 2002
- Мотор: AKE 2.5TDI
- Город: Бобруйск
- Имя: Роман
шум в поддоне 2.5
Всем доброго! Вот и выяснилась причина шума в поддоне! Нет натяжения цепи из-за обломанного кусочка натяжителя,который был найден в маслоприемнике!
-
romela
- Сообщения: 18
- Зарегистрирован: Чт сен 26, 2019 6:20 pm
- Репутация: 0
- Модель: a8 2002
- Мотор: AKE 2.5TDI
- Город: Бобруйск
- Имя: Роман
шум в поддоне 2.5
Процесс разборки начат! Морда снята,снят поддон! Долее предстоит проделать огромную работу,для того,чтобы добраться до башмака и поменять саму цепь! На смежных форумах инфы немного нарыл,на нашем что-то не нашел! Может плохо искал?
-
romela
- Сообщения: 18
- Зарегистрирован: Чт сен 26, 2019 6:20 pm
- Репутация: 0
- Модель: a8 2002
- Мотор: AKE 2.5TDI
- Город: Бобруйск
- Имя: Роман
шум в поддоне 2.5
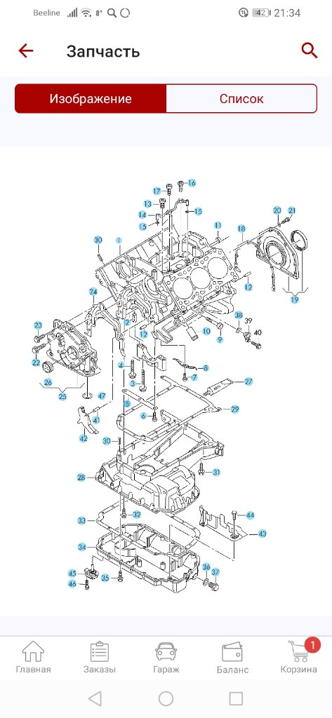
Мужики,дайте пожалуйста номер прокладки промежуточного поддона и номер болта КВ!
-
иоан 350
- Ветеран Клуба
- Сообщения: 7051
- Зарегистрирован: Пн мар 23, 2015 10:00 am
- Награды: 1
- Репутация: 113
- Модель: a8 2006
- Мотор: BBG 3.0
- Город: москва
- Имя: Иван
- Откуда: Украина.
шум в поддоне 2.5
Там быстрей всего герметик а не прокладка.
-
иоан 350
- Ветеран Клуба
- Сообщения: 7051
- Зарегистрирован: Пн мар 23, 2015 10:00 am
- Награды: 1
- Репутация: 113
- Модель: a8 2006
- Мотор: BBG 3.0
- Город: москва
- Имя: Иван
- Откуда: Украина.
шум в поддоне 2.5
Под номером 29.
Последний раз редактировалось иоан 350 Вт окт 22, 2019 9:37 pm, всего редактировалось 1 раз.
-
Vitas
- Почетный член Клуба
- Сообщения: 12626
- Зарегистрирован: Пт ноя 14, 2008 9:46 pm
- Награды: 2
- Репутация: 247
- Модель: Две AUDI A8 98 - 99
- Мотор: Чипанутые TDI
- Город: Королёв
- Имя: Василий
шум в поддоне 2.5
Есть нюанс ! По вину надо смотреть, прокладка или герметик !
В 2002 году точно герметик, но только качественный применяй
В 2002 году точно герметик, но только качественный применяй
Последний раз редактировалось Vitas Вт окт 22, 2019 11:14 pm, всего редактировалось 1 раз.
Автомобиль мечты может быть только в твоей голове.
-
иоан 350
- Ветеран Клуба
- Сообщения: 7051
- Зарегистрирован: Пн мар 23, 2015 10:00 am
- Награды: 1
- Репутация: 113
- Модель: a8 2006
- Мотор: BBG 3.0
- Город: москва
- Имя: Иван
- Откуда: Украина.
шум в поддоне 2.5
Я смотрел по вину машины 2003 года олроуд.
-
romela
- Сообщения: 18
- Зарегистрирован: Чт сен 26, 2019 6:20 pm
- Репутация: 0
- Модель: a8 2002
- Мотор: AKE 2.5TDI
- Город: Бобруйск
- Имя: Роман
шум в поддоне 2.5
Герметик Реинцовский взял,наверное это лучшее,что есть! Подскажите какая резьба на болту коленвала?
-
romela
- Сообщения: 18
- Зарегистрирован: Чт сен 26, 2019 6:20 pm
- Репутация: 0
- Модель: a8 2002
- Мотор: AKE 2.5TDI
- Город: Бобруйск
- Имя: Роман
шум в поддоне 2.5
И момент затяжки?
-
romela
- Сообщения: 18
- Зарегистрирован: Чт сен 26, 2019 6:20 pm
- Репутация: 0
- Модель: a8 2002
- Мотор: AKE 2.5TDI
- Город: Бобруйск
- Имя: Роман
шум в поддоне 2.5
Але,парни,где пропали?) нужна помощь!!! Продолжаю воевать с разборкой! В общем,не могу снять верхний поддон! Снял стартер,гену,комп кондея,открутил все болты поддона,но слазить он зараза не хочет! Люфтит немного и все,держит его что-то!? В книге вычитал цитита: выпрессовать масляный поддон с зажимных втулок блока цилиндров. Что за втулки и как выпрессовывать??? Выручайте мужики!
-
Vitas
- Почетный член Клуба
- Сообщения: 12626
- Зарегистрирован: Пт ноя 14, 2008 9:46 pm
- Награды: 2
- Репутация: 247
- Модель: Две AUDI A8 98 - 99
- Мотор: Чипанутые TDI
- Город: Королёв
- Имя: Василий
шум в поддоне 2.5
Обычная левая резьба ,момент затяжки 350 нм
Надо открутить масляный насос ни чего выпрессовывать не надо
Надо открутить масляный насос ни чего выпрессовывать не надо
Автомобиль мечты может быть только в твоей голове.
-
romela
- Сообщения: 18
- Зарегистрирован: Чт сен 26, 2019 6:20 pm
- Репутация: 0
- Модель: a8 2002
- Мотор: AKE 2.5TDI
- Город: Бобруйск
- Имя: Роман
шум в поддоне 2.5
Насос,звездочку,вал -все снял! Пишут нужно мотор вывешивать,так и не понял для чего? И так должно все выйти вроде! Вот только держит что-то.
-
Vitas
- Почетный член Клуба
- Сообщения: 12626
- Зарегистрирован: Пт ноя 14, 2008 9:46 pm
- Награды: 2
- Репутация: 247
- Модель: Две AUDI A8 98 - 99
- Мотор: Чипанутые TDI
- Город: Королёв
- Имя: Василий
шум в поддоне 2.5
Да мотор вывешивать или в АКПП триногу ставить ! А как по другому второй поддонн снять ?
Автомобиль мечты может быть только в твоей голове.
-
romela
- Сообщения: 18
- Зарегистрирован: Чт сен 26, 2019 6:20 pm
- Репутация: 0
- Модель: a8 2002
- Мотор: AKE 2.5TDI
- Город: Бобруйск
- Имя: Роман
шум в поддоне 2.5
Чтобы его вытащить согласен,надо вывесить мотор! Я не могу его от блока оторвать!
-
romela
- Сообщения: 18
- Зарегистрирован: Чт сен 26, 2019 6:20 pm
- Репутация: 0
- Модель: a8 2002
- Мотор: AKE 2.5TDI
- Город: Бобруйск
- Имя: Роман
шум в поддоне 2.5
Все,разобрался со своей проблемой! Повозиться пришлось изрядно! Пол машины нужно было разобрать! При снятии поддона выяснилось,что отломался кусочек от башмака,в который упирается натяжитель-цепь провисла и терла о кожух нижнего поддона! Вместе с тем,выяснилось,что балансирный вал из-за этого стоит не в метках-отсюда и тряска мотора! А я то грешил на гидроопоры) . прокладки поддонов были жидкие(герметик),как и говорил Vitas,поставил Реинцовские! После ремонта,машина стала работать мягче,пропала вибрация! В общем,всем кто помогал инфой спасибо!!! По возможности,отвечу на все вопросы по данной проблеме!
