Обрыв цепи датчика положения коленвала a8 ,bfm 4,2
-
- Реклама
-
Серга
- Сообщения: 5
- Зарегистрирован: Вс май 19, 2024 2:06 pm
- Репутация: 0
- Модель: Audi a8 d3 2003
- Мотор: BFM 4,2
- Город: Тюмень
- Имя: Сергей
Обрыв цепи датчика положения коленвала a8 ,bfm 4,2
Всем добрый день! Машина встала, до этого заводилась через раз. Сейчас просто крутит стартер и не заводится. Бензин, давление и тп всё есть. Васька показал обрыв цепи дпкв. Сначала грешил на датчик, всё таки его снял, проверил - рабочий (стабильные показания по мультику 934, меняется при приближении металла и обратно на 934, в ттх датчика указано сопротивление 900, но думаю 934 это не показатель его выхода?). Вопрос в том где проводка дальше идёт от фишки до эбу? Где искать истоки цепи? Может кто знает где проходит провод или где он заходит в Эбу?
-
Серга
- Сообщения: 5
- Зарегистрирован: Вс май 19, 2024 2:06 pm
- Репутация: 0
- Модель: Audi a8 d3 2003
- Мотор: BFM 4,2
- Город: Тюмень
- Имя: Сергей
Обрыв цепи датчика положения коленвала a8 ,bfm 4,2
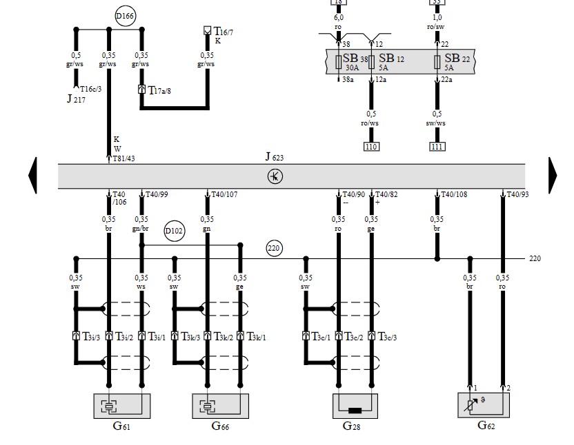
Эту схему я и так вижу. Визуально бы понимать есть ещё какая то фишка перед эбу, чтобы там позвонить контакты и понять дело в проводе до эбу или в самом эбу
-
dimutik
- Член Клуба
- Сообщения: 2287
- Зарегистрирован: Вт июн 15, 2010 8:26 pm
- Награды: 1
- Репутация: 77
- Модель: A8D3 BARABAN
- Мотор: BFM
- Город: Переславль-Залесский
- Имя: Дмитрий
Обрыв цепи датчика положения коленвала a8 ,bfm 4,2
Если вы умеете читать схему, то должны видеть, что никаких "фишек" между датчиком и эбу нет, чем много проще выявить неисправный провод.
-
Серга
- Сообщения: 5
- Зарегистрирован: Вс май 19, 2024 2:06 pm
- Репутация: 0
- Модель: Audi a8 d3 2003
- Мотор: BFM 4,2
- Город: Тюмень
- Имя: Сергей
Обрыв цепи датчика положения коленвала a8 ,bfm 4,2
Спасибо) поищу
-
Серга
- Сообщения: 5
- Зарегистрирован: Вс май 19, 2024 2:06 pm
- Репутация: 0
- Модель: Audi a8 d3 2003
- Мотор: BFM 4,2
- Город: Тюмень
- Имя: Сергей
Обрыв цепи датчика положения коленвала a8 ,bfm 4,2
Когда подзарядил уккумулятор, машина завелась. Простояла ночь и не завелась. Аккум держит хорошо, новый крутит без остановки. Приехал товарищ, прикурил, машина завелась. Говорят что датчик не пробивает, не хватает напряжения - скорей всего гдето провод всё таки подустал. Как вариант сказали от фишки кинь массу на корпус и всё.
Кто что скажет?
Кто что скажет?
-
alexrae
- Член Клуба
- Сообщения: 6852
- Зарегистрирован: Пт июн 26, 2009 8:18 pm
- Награды: 1
- Репутация: 96
- Модель: A8 2006
- Мотор: BGK/HKT 3шт
- Город: Торонто
- Имя: Алекс
Обрыв цепи датчика положения коленвала a8 ,bfm 4,2
Поменяй датчик
-
Серга
- Сообщения: 5
- Зарегистрирован: Вс май 19, 2024 2:06 pm
- Репутация: 0
- Модель: Audi a8 d3 2003
- Мотор: BFM 4,2
- Город: Тюмень
- Имя: Сергей
Обрыв цепи датчика положения коленвала a8 ,bfm 4,2
Датчик на сопротивление проверял 077905381j, показывает стабильно 934 что в пределах рабочих показаний, при проходе металла показания меняется. Всё в норме. Компьютер показал "обрыв цепи дпкв".
-
dimutik
- Член Клуба
- Сообщения: 2287
- Зарегистрирован: Вт июн 15, 2010 8:26 pm
- Награды: 1
- Репутация: 77
- Модель: A8D3 BARABAN
- Мотор: BFM
- Город: Переславль-Залесский
- Имя: Дмитрий
Обрыв цепи датчика положения коленвала a8 ,bfm 4,2
Прозвоните провода под нагрузкой.
-
alexrae
- Член Клуба
- Сообщения: 6852
- Зарегистрирован: Пт июн 26, 2009 8:18 pm
- Награды: 1
- Репутация: 96
- Модель: A8 2006
- Мотор: BGK/HKT 3шт
- Город: Торонто
- Имя: Алекс
Обрыв цепи датчика положения коленвала a8 ,bfm 4,2
Датчик может глючить на горячей машине и работать на холодной



