Не работает кондиционер Audi A8 D3
-
- Реклама
-
Тайлер
- Сообщения: 3
- Зарегистрирован: Вт май 06, 2025 1:14 pm
- Репутация: 0
- Модель: Audi A8 D3 2009
- Мотор: ASB 3.0 TDI
- Город: Рига
- Имя: Алекс
Не работает кондиционер Audi A8 D3
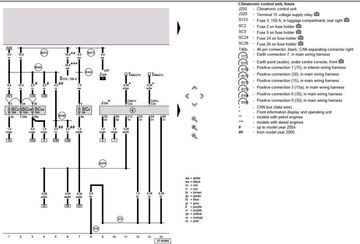
Всем привет. Не включается компрессор кондиционера. В 8 блоке висит ошибка : 02025 - Напряжение питания внешних компонентов , 002 - нижнее предельное значение не достигнуто. Может кто нибудь сталкивался , с чего начать ? Спасибо
Последний раз редактировалось Тайлер Вт май 06, 2025 1:57 pm, всего редактировалось 1 раз.
-
dimutik
- Член Клуба
- Сообщения: 2287
- Зарегистрирован: Вт июн 15, 2010 8:26 pm
- Награды: 1
- Репутация: 77
- Модель: A8D3 BARABAN
- Мотор: BFM
- Город: Переславль-Залесский
- Имя: Дмитрий
Не работает кондиционер Audi A8 D3
Наверно проблема в других блоках, например двигателя, ошибка ни о чём. Или в самом компрессоре, смотрите блоки параметров что-где-почём.
-
Тайлер
- Сообщения: 3
- Зарегистрирован: Вт май 06, 2025 1:14 pm
- Репутация: 0
- Модель: Audi A8 D3 2009
- Мотор: ASB 3.0 TDI
- Город: Рига
- Имя: Алекс
Не работает кондиционер Audi A8 D3
А какое давление в системе должно быть ?
-
иоан 350
- Ветеран Клуба
- Сообщения: 7068
- Зарегистрирован: Пн мар 23, 2015 10:00 am
- Награды: 1
- Репутация: 113
- Модель: a8 2006
- Мотор: BBG 3.0
- Город: москва
- Имя: Иван
- Откуда: Украина.
Не работает кондиционер Audi A8 D3
В измерительных величинах есть окошки которые показывают вкл или выкл компрессор ,а давление при вкл компрессоре должно расти правда непомню какое самое большое и давление зависит не только от компрессора но и на сколько система заправлена фрионом.
- Akin
- Президент Клуба
- Сообщения: 28021
- Зарегистрирован: Пн авг 27, 2007 2:01 am
- Репутация: 646
- Модель: ___
- Мотор: ___
- Город: Королев
- Имя: Владислав
- Откуда: Москва
Не работает кондиционер Audi A8 D3
Я бы проверил бы предохранители и питание на блоке управления.


