Потухли лампочки

Аватара пользователя
Bulbash
Почетный член Клуба
Сообщения: 2837
Зарегистрирован: Пт апр 10, 2009 4:09 pm
Репутация: 53
Модель: S6 "97 Авант
Мотор: AEC 4200 АКПП
Город: Санкт-Петербург
Имя: Сяргей
Откуда: Полоцк
Контактная информация:

Потухли лампочки

Сообщение Bulbash »

С того ни с сего погасли следующие лампочки:
1 Стопы
2 Габариты по кругу
3 Задний ход
4 Приборка
5 Подсветка пепельницы и крутелок отопителя
Все остальное работает.
Предохранители все целые, и на часть из них нет тока, т.е получается что обрыв до предохранителей.
Куда лезть и что смотреть парни?
Подскажите пожалуйста 1hahdshake8
Аватара пользователя
Стас

Ветеран Клуба
Почетный член Клуба
Сообщения: 4686
Зарегистрирован: Пн мар 24, 2008 9:54 pm
Награды: 1
Репутация: 88
Модель: 220
Мотор: 628
Город: Санкт петербург
Имя: Станислав

Re: Потухли лампочки

Сообщение Стас »

тухнут яйца :D
Аватара пользователя
Bulbash
Почетный член Клуба
Сообщения: 2837
Зарегистрирован: Пт апр 10, 2009 4:09 pm
Репутация: 53
Модель: S6 "97 Авант
Мотор: AEC 4200 АКПП
Город: Санкт-Петербург
Имя: Сяргей
Откуда: Полоцк
Контактная информация:

Re: Потухли лампочки

Сообщение Bulbash »

А Потухают лампочки 8) не путай меня
Последний раз редактировалось Bulbash Ср сен 05, 2012 3:55 pm, всего редактировалось 1 раз.
Аватара пользователя
Стас

Ветеран Клуба
Почетный член Клуба
Сообщения: 4686
Зарегистрирован: Пн мар 24, 2008 9:54 pm
Награды: 1
Репутация: 88
Модель: 220
Мотор: 628
Город: Санкт петербург
Имя: Станислав

Re: Потухли лампочки

Сообщение Стас »

8)
Аватара пользователя
Николай II
Сообщения: 5954
Зарегистрирован: Пт янв 14, 2011 10:47 pm
Репутация: 95
Модель: Renault Premium 2012
Мотор: DXI11 и 450л.с.
Город: Губкин
Имя: Николай
Откуда: Белгородская область

Re: Потухли лампочки

Сообщение Николай II »

смотреть генератор. Повышенное напряжение было 100 %.....
Аватара пользователя
Bulbash
Почетный член Клуба
Сообщения: 2837
Зарегистрирован: Пт апр 10, 2009 4:09 pm
Репутация: 53
Модель: S6 "97 Авант
Мотор: AEC 4200 АКПП
Город: Санкт-Петербург
Имя: Сяргей
Откуда: Полоцк
Контактная информация:

Re: Потухли лампочки

Сообщение Bulbash »

А что там смотреть? типа проводок отвалился, или еще чего?
Так же мысль у меня посмотреть клему на лонжероне.
Аватара пользователя
Koryanoff

Ветеран Клуба
Почетный член Клуба
Почетный член  Клуба
Сообщения: 6929
Зарегистрирован: Ср дек 17, 2008 3:32 pm
Награды: 1
Репутация: 130
Модель: Audi Q7 4 m
Мотор: CVMD
Город: Воронеж
Имя: Дмитрий
Откуда: Россия матушка

Re: Потухли лампочки

Сообщение Koryanoff »

С Ауди 100 вопросы задают на другом форуме, у нас только AS8 :lol:
Аватара пользователя
Bulbash
Почетный член Клуба
Сообщения: 2837
Зарегистрирован: Пт апр 10, 2009 4:09 pm
Репутация: 53
Модель: S6 "97 Авант
Мотор: AEC 4200 АКПП
Город: Санкт-Петербург
Имя: Сяргей
Откуда: Полоцк
Контактная информация:

Re: Потухли лампочки

Сообщение Bulbash »

Флудить в Чат пожалуйста, а тут серьезные вопросы решаются :D
Аватара пользователя
Koryanoff

Ветеран Клуба
Почетный член Клуба
Почетный член  Клуба
Сообщения: 6929
Зарегистрирован: Ср дек 17, 2008 3:32 pm
Награды: 1
Репутация: 130
Модель: Audi Q7 4 m
Мотор: CVMD
Город: Воронеж
Имя: Дмитрий
Откуда: Россия матушка

Re: Потухли лампочки

Сообщение Koryanoff »

Тему в чат? 1sakcsat23
Аватара пользователя
Numenor

Ветеран Клуба
Почетный член Клуба
Сообщения: 3659
Зарегистрирован: Чт авг 07, 2008 8:23 am
Награды: 1
Репутация: 56
Модель: ...
Мотор: ...
Город: Питер
Имя: АлексеЙ

Re: Потухли лампочки

Сообщение Numenor »

Может масса где-нибудь отвалилась?
Предельная глубина у всех разная, у каждого своя.
Аватара пользователя
Koryanoff

Ветеран Клуба
Почетный член Клуба
Почетный член  Клуба
Сообщения: 6929
Зарегистрирован: Ср дек 17, 2008 3:32 pm
Награды: 1
Репутация: 130
Модель: Audi Q7 4 m
Мотор: CVMD
Город: Воронеж
Имя: Дмитрий
Откуда: Россия матушка

Re: Потухли лампочки

Сообщение Koryanoff »

Или крыса погрызла проводку.
Аватара пользователя
Bulbash
Почетный член Клуба
Сообщения: 2837
Зарегистрирован: Пт апр 10, 2009 4:09 pm
Репутация: 53
Модель: S6 "97 Авант
Мотор: AEC 4200 АКПП
Город: Санкт-Петербург
Имя: Сяргей
Откуда: Полоцк
Контактная информация:

Re: Потухли лампочки

Сообщение Bulbash »

Ух уж эти флудеры........я не знаю как мне с работы ехать без стопов, а им лишь бы потрещать :evil:
Аватара пользователя
Bulbash
Почетный член Клуба
Сообщения: 2837
Зарегистрирован: Пт апр 10, 2009 4:09 pm
Репутация: 53
Модель: S6 "97 Авант
Мотор: AEC 4200 АКПП
Город: Санкт-Петербург
Имя: Сяргей
Откуда: Полоцк
Контактная информация:

Re: Потухли лампочки

Сообщение Bulbash »

Numenor писал(а):Может масса где-нибудь отвалилась?
Bulbash писал(а):Предохранители все целые, и на часть из них нет тока,
Мне кажется масса тут ни при чем :)
Аватара пользователя
Numenor

Ветеран Клуба
Почетный член Клуба
Сообщения: 3659
Зарегистрирован: Чт авг 07, 2008 8:23 am
Награды: 1
Репутация: 56
Модель: ...
Мотор: ...
Город: Питер
Имя: АлексеЙ

Re: Потухли лампочки

Сообщение Numenor »

А потухшие лампочки целые?
Предельная глубина у всех разная, у каждого своя.
Аватара пользователя
Koryanoff

Ветеран Клуба
Почетный член Клуба
Почетный член  Клуба
Сообщения: 6929
Зарегистрирован: Ср дек 17, 2008 3:32 pm
Награды: 1
Репутация: 130
Модель: Audi Q7 4 m
Мотор: CVMD
Город: Воронеж
Имя: Дмитрий
Откуда: Россия матушка

Re: Потухли лампочки

Сообщение Koryanoff »

Крыса, точно говорю.
Машина стояла?

P.S Аккумулятор подключен :D
Аватара пользователя
Bulbash
Почетный член Клуба
Сообщения: 2837
Зарегистрирован: Пт апр 10, 2009 4:09 pm
Репутация: 53
Модель: S6 "97 Авант
Мотор: AEC 4200 АКПП
Город: Санкт-Петербург
Имя: Сяргей
Откуда: Полоцк
Контактная информация:

Re: Потухли лампочки

Сообщение Bulbash »

Леш, при чем тут лампочки если на предохранителях тока нет? Не могу понять 1confuz8
Koryanoff Я тебя игнорирую 1disob8
Аватара пользователя
Koryanoff

Ветеран Клуба
Почетный член Клуба
Почетный член  Клуба
Сообщения: 6929
Зарегистрирован: Ср дек 17, 2008 3:32 pm
Награды: 1
Репутация: 130
Модель: Audi Q7 4 m
Мотор: CVMD
Город: Воронеж
Имя: Дмитрий
Откуда: Россия матушка

Re: Потухли лампочки

Сообщение Koryanoff »

Я тебе в Личку писать буду сейчас. :lol:
Я тебе дело пишу.Может пока машина стояла, крыса погрызла проводку.Такое бывает.
makdey2010

Ветеран Клуба
Член Клуба
Сообщения: 1566
Зарегистрирован: Пн ноя 29, 2010 2:00 am
Награды: 1
Репутация: 41
Модель: A8 96г. quattro механика
Мотор: ARE
Город: Красногорск МО
Имя: Дмитрий

Re: Потухли лампочки

Сообщение makdey2010 »

Koryanoff писал(а):пока машина стояла, крыса погрызла проводку
Бывает и такое. По "Сотке" даже и сказать ничего не могу. Искать электросхему или обратиться в Ауди-Клуб.
Даже сломанные часы дважды в сутки показывают правильное время.
Аватара пользователя
Bulbash
Почетный член Клуба
Сообщения: 2837
Зарегистрирован: Пт апр 10, 2009 4:09 pm
Репутация: 53
Модель: S6 "97 Авант
Мотор: AEC 4200 АКПП
Город: Санкт-Петербург
Имя: Сяргей
Откуда: Полоцк
Контактная информация:

Re: Потухли лампочки

Сообщение Bulbash »

Ну не знаю на счет крыс, за последние два месяца машина стояла на улице и мах ночь, каждый день на ней ездил, и потухло все по дороге.
Аватара пользователя
Numenor

Ветеран Клуба
Почетный член Клуба
Сообщения: 3659
Зарегистрирован: Чт авг 07, 2008 8:23 am
Награды: 1
Репутация: 56
Модель: ...
Мотор: ...
Город: Питер
Имя: АлексеЙ

Re: Потухли лампочки

Сообщение Numenor »

В общем, подъезжай в гараж, как поужинаешь, хоть ток померяем с генератора :D 1welcometrd
Предельная глубина у всех разная, у каждого своя.
Аватара пользователя
Bulbash
Почетный член Клуба
Сообщения: 2837
Зарегистрирован: Пт апр 10, 2009 4:09 pm
Репутация: 53
Модель: S6 "97 Авант
Мотор: AEC 4200 АКПП
Город: Санкт-Петербург
Имя: Сяргей
Откуда: Полоцк
Контактная информация:

Re: Потухли лампочки

Сообщение Bulbash »

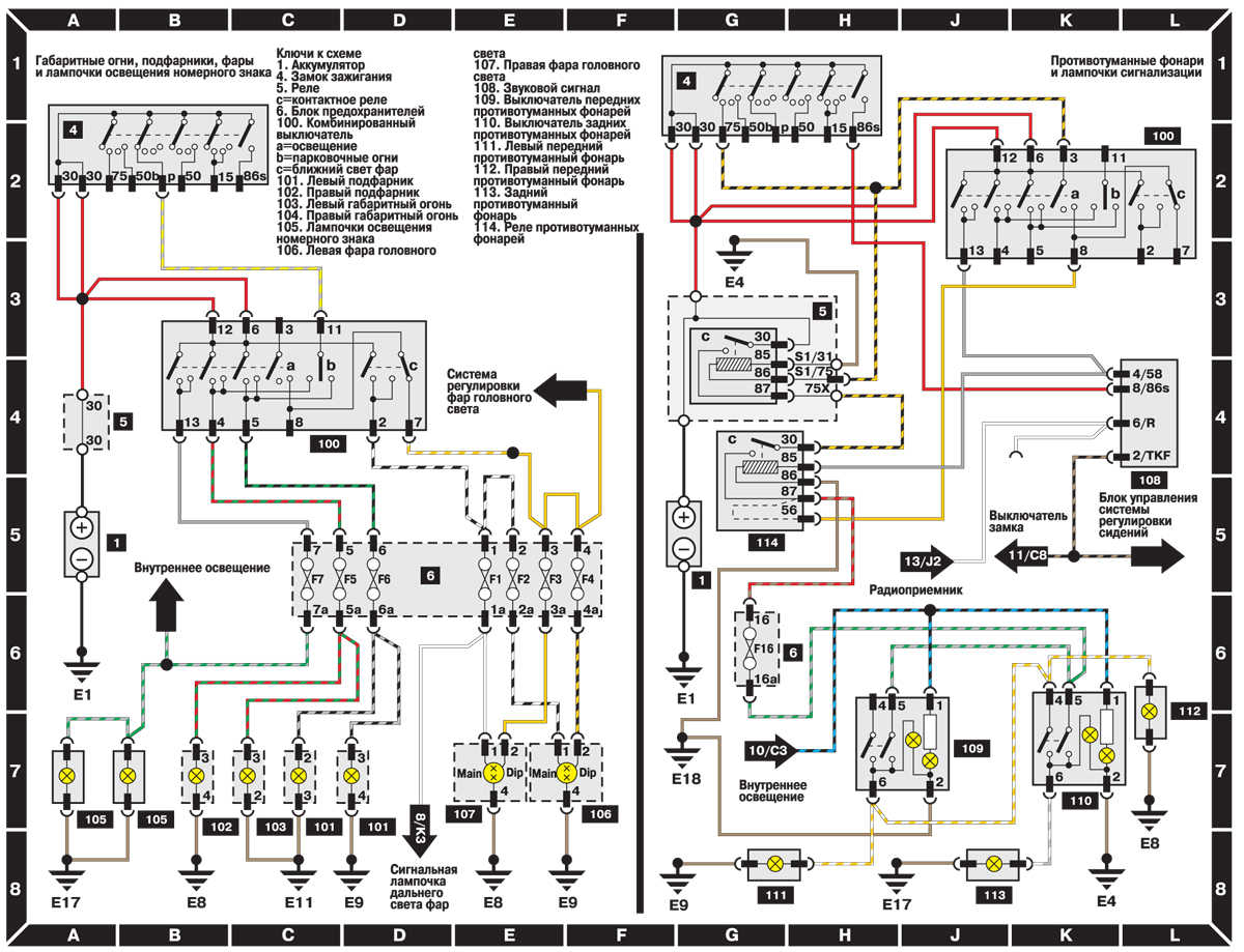
В схемах мало понимаю, помогите, от куда смотреть?
Вложения
sh9.jpg
Аватара пользователя
Bulbash
Почетный член Клуба
Сообщения: 2837
Зарегистрирован: Пт апр 10, 2009 4:09 pm
Репутация: 53
Модель: S6 "97 Авант
Мотор: AEC 4200 АКПП
Город: Санкт-Петербург
Имя: Сяргей
Откуда: Полоцк
Контактная информация:

Re: Потухли лампочки

Сообщение Bulbash »

Numenor 1hahdshake8 Позвоню Лех!
Аватара пользователя
alexrae

Ветеран Клуба
Член Клуба
Сообщения: 6826
Зарегистрирован: Пт июн 26, 2009 8:18 pm
Награды: 1
Репутация: 96
Модель: A8 2006
Мотор: BGK/HKT 3шт
Город: Торонто
Имя: Алекс

Re: Потухли лампочки

Сообщение alexrae »

могла развалиться контактная группа замка зажигания. Попробуй немного поиграть ключом - поискать положение.... как бы вернуть его немного назад после заводки... если все появится - то....
makdey2010

Ветеран Клуба
Член Клуба
Сообщения: 1566
Зарегистрирован: Пн ноя 29, 2010 2:00 am
Награды: 1
Репутация: 41
Модель: A8 96г. quattro механика
Мотор: ARE
Город: Красногорск МО
Имя: Дмитрий

Re: Потухли лампочки

Сообщение makdey2010 »

Думаю надо проверить наличие напряжения на клеме 30 замка зажигания, клемы 12 и 6 выключателя света. Обведено зелёным.
Особое внимание уделить клемнику в точке обведённой синим цветом.
sh9.jpg
Даже сломанные часы дважды в сутки показывают правильное время.
Аватара пользователя
Николай II
Сообщения: 5954
Зарегистрирован: Пт янв 14, 2011 10:47 pm
Репутация: 95
Модель: Renault Premium 2012
Мотор: DXI11 и 450л.с.
Город: Губкин
Имя: Николай
Откуда: Белгородская область

Re: Потухли лампочки

Сообщение Николай II »

Bulbash писал(а):Так же мысль у меня посмотреть клему на лонжероне
масса тоже причём!!!! скорее всего реле-регулятор...
Ответить

Вернуться в «Техподдержка»