ПОМОГИТЕ! Нужна распиновка блока абс Ауди q7
-
- Реклама
-
сергей1985
- Сообщения: 106
- Зарегистрирован: Вс фев 03, 2013 4:18 pm
- Репутация: 2
- Модель: a8 2001 ,Q7
- Мотор: akf 3.3tdi,BUG
- Город: Минск-Москва
- Имя: Сергей
ПОМОГИТЕ! Нужна распиновка блока абс Ауди q7
Audi 2006-2010
- Akin
- Президент Клуба
- Сообщения: 27950
- Зарегистрирован: Пн авг 27, 2007 2:01 am
- Репутация: 643
- Модель: ___
- Мотор: ___
- Город: Королев
- Имя: Владислав
- Откуда: Москва
ПОМОГИТЕ! Нужна распиновка блока абс Ауди q7
Какой год и мотор?
-
сергей1985
- Сообщения: 106
- Зарегистрирован: Вс фев 03, 2013 4:18 pm
- Репутация: 2
- Модель: a8 2001 ,Q7
- Мотор: akf 3.3tdi,BUG
- Город: Минск-Москва
- Имя: Сергей
ПОМОГИТЕ! Нужна распиновка блока абс Ауди q7
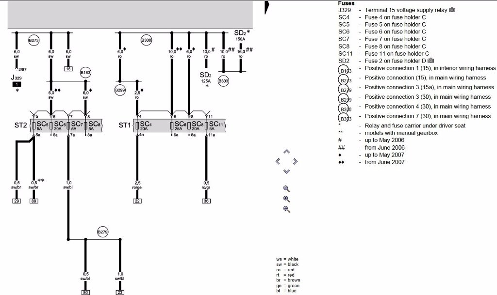
2006 г. 3.0тди BUG
-
сергей1985
- Сообщения: 106
- Зарегистрирован: Вс фев 03, 2013 4:18 pm
- Репутация: 2
- Модель: a8 2001 ,Q7
- Мотор: akf 3.3tdi,BUG
- Город: Минск-Москва
- Имя: Сергей



