Подогрев радара ACC
Правила форума
Перед созданием новой темы обязательно просмотрите темы в соответствующих тематических разделах и ФАКе, повторные вопросы засоряют форум и будут удалены.
Помощь в расшифровке ошибок осуществляется в специальном подразделе.
Перед созданием новой темы обязательно просмотрите темы в соответствующих тематических разделах и ФАКе, повторные вопросы засоряют форум и будут удалены.
Помощь в расшифровке ошибок осуществляется в специальном подразделе.
-
- Реклама
- Bruce Wayne
- Член Клуба
- Сообщения: 1037
- Зарегистрирован: Ср апр 21, 2021 6:00 pm
- Репутация: 18
- Модель: A8 D3
- Мотор: BFM
- Город: Екатеринбург
- Имя: Слава
- Откуда: Урал
Подогрев радара ACC
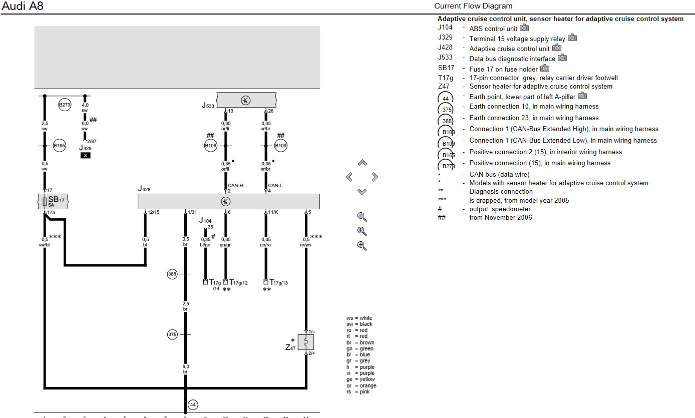
Всех приветствую, друзья! На своей фишке ACC я обнаружил 2 обрезанных провода. Как мне сказали по распиновке эти провода идут на подогрев радара ACC. Вопрос в следующем: в D3 есть штатный подогрев радара?
«Ты заботишься о тачке, а она о тебе» Фрэнк Мартин
-
alexrae
- Член Клуба
- Сообщения: 6851
- Зарегистрирован: Пт июн 26, 2009 8:18 pm
- Награды: 1
- Репутация: 96
- Модель: A8 2006
- Мотор: BGK/HKT 3шт
- Город: Торонто
- Имя: Алекс
Подогрев радара ACC
Нету.. и вообще по схеме как я помню это идет на обд разьем... возможно, для какой то диагностики напрямую
- Bruce Wayne
- Член Клуба
- Сообщения: 1037
- Зарегистрирован: Ср апр 21, 2021 6:00 pm
- Репутация: 18
- Модель: A8 D3
- Мотор: BFM
- Город: Екатеринбург
- Имя: Слава
- Откуда: Урал
-
Alex69
- Член Клуба
- Сообщения: 659
- Зарегистрирован: Пн дек 24, 2007 6:25 pm
- Награды: 1
- Репутация: 39
- Модель: Audi A8L 2006
- Мотор: BFM
- Город: Тверь
- Имя: Александр
- Откуда: Тверь
Подогрев радара ACC
вообще, если схему поглядеть, подогрев там есть. Но с 2005 года ВАГ упразднил это дело, видимо посчитал, что это лишнее ))))
Я при доустановке не стал подключать, все источники, по которым устанавливал, не писали, что это подключение необходимо.
Что будет, если подключить - не знаю, хотя полагаю, что будет греть линзу (если само тельце радара старее 2005 года)
Я при доустановке не стал подключать, все источники, по которым устанавливал, не писали, что это подключение необходимо.
Что будет, если подключить - не знаю, хотя полагаю, что будет греть линзу (если само тельце радара старее 2005 года)
Последний раз редактировалось Alex69 Пн авг 29, 2022 3:16 pm, всего редактировалось 1 раз.
-
alexrae
- Член Клуба
- Сообщения: 6851
- Зарегистрирован: Пт июн 26, 2009 8:18 pm
- Награды: 1
- Репутация: 96
- Модель: A8 2006
- Мотор: BGK/HKT 3шт
- Город: Торонто
- Имя: Алекс
Подогрев радара ACC
Хорошо иметь эльзовые схемы- еще поеятнее. Причем обогрев там как отдельный элеиент. А радар его активирует, получается
-
Alex69
- Член Клуба
- Сообщения: 659
- Зарегистрирован: Пн дек 24, 2007 6:25 pm
- Награды: 1
- Репутация: 39
- Модель: Audi A8L 2006
- Мотор: BFM
- Город: Тверь
- Имя: Александр
- Откуда: Тверь
Подогрев радара ACC
ага, греется заглушка перед радаром.
https://www.drive2.ru/l/497692564997013 ... v445079778
https://www.drive2.ru/l/497692564997013 ... v445079778
- alex6999
- Член Клуба
- Сообщения: 4272
- Зарегистрирован: Сб мар 28, 2015 10:36 am
- Репутация: 76
- Модель: Q7 2021, Longhorn 2024
- Мотор: 3.0 TFSI, HEMI 5.7
- Город: Таронто
- Имя: Лёша
- Откуда: Минск
- Контактная информация:
Подогрев радара ACC
На D4 подогрева небыло, когда была погода, что машину засирало коркой льда - асс отрубался, приходилось руками выковыривать лёд
На вкус и цвет все фломастеры разные. ¯_(ツ)_/¯
- Bruce Wayne
- Член Клуба
- Сообщения: 1037
- Зарегистрирован: Ср апр 21, 2021 6:00 pm
- Репутация: 18
- Модель: A8 D3
- Мотор: BFM
- Город: Екатеринбург
- Имя: Слава
- Откуда: Урал
Подогрев радара ACC
Вот теперь думаю...подключать его или нет. Интересно он будет работать на радаре с буквой F? А то может и смысла заморачиваться нет, если его удалили с завода.
Причём перешёл по ссылке на драйв, которую вы приложили. Там вообще Ауди А6 С6. Ничего себе...на С6 ставился адаптивный круиз?!!!
Судя по этой крышке, я так понял что два провода идут от фишки радара к фишке этой крышки или каким образом она подключается на D3?
А так, опция очень полезная. Надо бы ее сделать если есть такая возможность.
Причём перешёл по ссылке на драйв, которую вы приложили. Там вообще Ауди А6 С6. Ничего себе...на С6 ставился адаптивный круиз?!!!
Судя по этой крышке, я так понял что два провода идут от фишки радара к фишке этой крышки или каким образом она подключается на D3?
А так, опция очень полезная. Надо бы ее сделать если есть такая возможность.
Последний раз редактировалось Bruce Wayne Вт авг 30, 2022 10:02 am, всего редактировалось 4 раза.
«Ты заботишься о тачке, а она о тебе» Фрэнк Мартин
-
Alex69
- Член Клуба
- Сообщения: 659
- Зарегистрирован: Пн дек 24, 2007 6:25 pm
- Награды: 1
- Репутация: 39
- Модель: Audi A8L 2006
- Мотор: BFM
- Город: Тверь
- Имя: Александр
- Откуда: Тверь
Подогрев радара ACC
На крышке радара с внутренней стороны наклеена радиопрозрачная грелка. У меня крышка свежее 2005 года, просто пластик, грелки и разъема нет. Если у тебя в крышке сзади есть грелка, подключи, попробуй. но тут да, вряд ли немцы в радаре оставили ключ управления грелкой на плате в новой ревизии. По опыту, эти скряги проводка лишнего, не соответствующего комплектации, не проложат))).
Подключается одним проводом на 15 клемму (плюс после замка зажигания), можно просто закинуть от питания блока радара (12 пин, черный провод). второй провод - к 5 пину красно-черный блока радара.
Опять же, блок контролирует, судя по описанию по ссылке выше, жива грелка или не жива. Если ошибок на тек момент по радару нет - значит или блок не поддерживает грелку, или... надо кодировать его так, чтобы он знал, что у него есть грелка.
Подключается одним проводом на 15 клемму (плюс после замка зажигания), можно просто закинуть от питания блока радара (12 пин, черный провод). второй провод - к 5 пину красно-черный блока радара.
Опять же, блок контролирует, судя по описанию по ссылке выше, жива грелка или не жива. Если ошибок на тек момент по радару нет - значит или блок не поддерживает грелку, или... надо кодировать его так, чтобы он знал, что у него есть грелка.
Последний раз редактировалось Alex69 Вт авг 30, 2022 10:15 am, всего редактировалось 1 раз.
- Bruce Wayne
- Член Клуба
- Сообщения: 1037
- Зарегистрирован: Ср апр 21, 2021 6:00 pm
- Репутация: 18
- Модель: A8 D3
- Мотор: BFM
- Город: Екатеринбург
- Имя: Слава
- Откуда: Урал
Подогрев радара ACC
Понял. Будем экспериментировать. Чтобы не ошибиться, приложу фотографию, где будет видно два под корень отрезанных провода. Не могли бы вы уточнить, они точно от подогрева? И каким образом это устроено? Получается что из фишки радара выходят два провода на подогрев...а дальше они куда идут? В виде фишки подключаются к пластиковой крышке с нагревательным элементом? Странно ещё то, что цвета на совпадают...
Последний раз редактировалось Bruce Wayne Вт авг 30, 2022 10:33 am, всего редактировалось 1 раз.
«Ты заботишься о тачке, а она о тебе» Фрэнк Мартин
-
Alex69
- Член Клуба
- Сообщения: 659
- Зарегистрирован: Пн дек 24, 2007 6:25 pm
- Награды: 1
- Репутация: 39
- Модель: Audi A8L 2006
- Мотор: BFM
- Город: Тверь
- Имя: Александр
- Откуда: Тверь
Подогрев радара ACC
у тебя обрезаны пины 11 и 6. по схеме это диагностическое подключение. видимо для настройки на заводе. Отношения к подогреву эти огрызки не имеют. за подогрев отвечает 5 пин. Подключить можно так: от 12 пина взять провод, кинуть его на 1 из терминалов подогрева. Второй провод подогрева подключить к пину 5 блока. Плюс проходит через грелку, коммутируется блоком на минус.
Последний раз редактировалось Alex69 Вт авг 30, 2022 10:41 am, всего редактировалось 1 раз.
- Bruce Wayne
- Член Клуба
- Сообщения: 1037
- Зарегистрирован: Ср апр 21, 2021 6:00 pm
- Репутация: 18
- Модель: A8 D3
- Мотор: BFM
- Город: Екатеринбург
- Имя: Слава
- Откуда: Урал
Подогрев радара ACC
Alex69, вот теперь понял. Спасибо огромное за информацию! Будем экспериментировать!
«Ты заботишься о тачке, а она о тебе» Фрэнк Мартин
- alex6999
- Член Клуба
- Сообщения: 4272
- Зарегистрирован: Сб мар 28, 2015 10:36 am
- Репутация: 76
- Модель: Q7 2021, Longhorn 2024
- Мотор: 3.0 TFSI, HEMI 5.7
- Город: Таронто
- Имя: Лёша
- Откуда: Минск
- Контактная информация:
Подогрев радара ACC
Унификация блоков и запрещение функции программным или физическим уровнем обходится дешевле производства кучи разных блоков.
На вкус и цвет все фломастеры разные. ¯_(ツ)_/¯
- Bruce Wayne
- Член Клуба
- Сообщения: 1037
- Зарегистрирован: Ср апр 21, 2021 6:00 pm
- Репутация: 18
- Модель: A8 D3
- Мотор: BFM
- Город: Екатеринбург
- Имя: Слава
- Откуда: Урал
Подогрев радара ACC
Alex69, убрал два обрезанных диагностических пина, заглушил уплотнителями. Запиновал 5 пин для подогрева.
«Ты заботишься о тачке, а она о тебе» Фрэнк Мартин
-
Alex69
- Член Клуба
- Сообщения: 659
- Зарегистрирован: Пн дек 24, 2007 6:25 pm
- Награды: 1
- Репутация: 39
- Модель: Audi A8L 2006
- Мотор: BFM
- Город: Тверь
- Имя: Александр
- Откуда: Тверь
Подогрев радара ACC
все верно. 5 пин и кл15 (плюс после з.з.) на терминалы подогрева. И кодировать блок управления, если примет кодировку для наших авто. в комментариях по ссылке на Д2 человек писал, что опрос неисправной грейки можно отключить кодированием. Следовательно, можно и включить))) Как - не знаю. Возможно, Вася диагност подскажет
- Bruce Wayne
- Член Клуба
- Сообщения: 1037
- Зарегистрирован: Ср апр 21, 2021 6:00 pm
- Репутация: 18
- Модель: A8 D3
- Мотор: BFM
- Город: Екатеринбург
- Имя: Слава
- Откуда: Урал
Подогрев радара ACC
Alex69, отлично! У нас радар ACC как раз вроде висит на 15 клемме? Чтобы взять питание с 12 пина фишки на радар.
Последний раз редактировалось Bruce Wayne Вт авг 30, 2022 3:38 pm, всего редактировалось 2 раза.
«Ты заботишься о тачке, а она о тебе» Фрэнк Мартин
-
alexrae
- Член Клуба
- Сообщения: 6851
- Зарегистрирован: Пт июн 26, 2009 8:18 pm
- Награды: 1
- Репутация: 96
- Модель: A8 2006
- Мотор: BGK/HKT 3шт
- Город: Торонто
- Имя: Алекс
Подогрев радара ACC
Да, наа 15. Только аридется пред на 10а поменять
-
Alex69
- Член Клуба
- Сообщения: 659
- Зарегистрирован: Пн дек 24, 2007 6:25 pm
- Награды: 1
- Репутация: 39
- Модель: Audi A8L 2006
- Мотор: BFM
- Город: Тверь
- Имя: Александр
- Откуда: Тверь
Подогрев радара ACC
да, все верно. я ж писал выше. прямо с разъема можно взять, если провод не жалко - гнить будет, если в клеевую термоусадку не закатать.Bruce Wayne писал(а): ↑Вт авг 30, 2022 3:32 pm Alex69, отлично! У нас радар ACC как раз вроде висит на 15 клемме? Чтобы взять питание с 12 пина фишки на радар.
Предохранитель, как по мне, менять не нужно. до 2005 года родной SB17 -5А- по схеме тянул радар и подогрев.
-
иоан 350
- Ветеран Клуба
- Сообщения: 7050
- Зарегистрирован: Пн мар 23, 2015 10:00 am
- Награды: 1
- Репутация: 113
- Модель: a8 2006
- Мотор: BBG 3.0
- Город: москва
- Имя: Иван
- Откуда: Украина.
Подогрев радара ACC
И что даст вам этот подогрев когда на улице слякоть
-
alexrae
- Член Клуба
- Сообщения: 6851
- Зарегистрирован: Пт июн 26, 2009 8:18 pm
- Награды: 1
- Репутация: 96
- Модель: A8 2006
- Мотор: BGK/HKT 3шт
- Город: Торонто
- Имя: Алекс
Подогрев радара ACC
Потоиу то от него навернле и отказались
-
dimutik
- Член Клуба
- Сообщения: 2279
- Зарегистрирован: Вт июн 15, 2010 8:26 pm
- Награды: 1
- Репутация: 77
- Модель: A8D3 BARABAN
- Мотор: BFM
- Город: Переславль-Залесский
- Имя: Дмитрий
Подогрев радара ACC
Завязывайте с этим подогревом, декодировать его не просто, радар не заработает с ним.
-
иоан 350
- Ветеран Клуба
- Сообщения: 7050
- Зарегистрирован: Пн мар 23, 2015 10:00 am
- Награды: 1
- Репутация: 113
- Модель: a8 2006
- Мотор: BBG 3.0
- Город: москва
- Имя: Иван
- Откуда: Украина.
Подогрев радара ACC
Не не дмитрий ту собрались те которым нужно на себе испытать чтоб потом переделывать.
Данный круиз даже летом во время дождя неработает а зимой и подавно небудет во время снегопада даже с подогревом.
Данный круиз даже летом во время дождя неработает а зимой и подавно небудет во время снегопада даже с подогревом.
-
alexrae
- Член Клуба
- Сообщения: 6851
- Зарегистрирован: Пт июн 26, 2009 8:18 pm
- Награды: 1
- Репутация: 96
- Модель: A8 2006
- Мотор: BGK/HKT 3шт
- Город: Торонто
- Имя: Алекс
Подогрев радара ACC
Кстати, а насколько эти радары надежны? П то у меня отвалился, нет связи, блин. Причем может случайно появиться и потом опять уйти в нирвану
-
иоан 350
- Ветеран Клуба
- Сообщения: 7050
- Зарегистрирован: Пн мар 23, 2015 10:00 am
- Награды: 1
- Репутация: 113
- Модель: a8 2006
- Мотор: BBG 3.0
- Город: москва
- Имя: Иван
- Откуда: Украина.
Подогрев радара ACC
А почему думаешь что родар?
У меня так фишка моросила (небыло одного удерживающего усика)заменил и все работает.
Ну а также можит быть и проводка.
У меня так фишка моросила (небыло одного удерживающего усика)заменил и все работает.
Ну а также можит быть и проводка.
-
alexrae
- Член Клуба
- Сообщения: 6851
- Зарегистрирован: Пт июн 26, 2009 8:18 pm
- Награды: 1
- Репутация: 96
- Модель: A8 2006
- Мотор: BGK/HKT 3шт
- Город: Торонто
- Имя: Алекс
Подогрев радара ACC
Проводку на радар ставил новую, но все может бвть. Просто поведение похоже на глюк в самос блоке-ьо выходит на связь-то нет. Теперьпочти постоянно отключен
Последний раз редактировалось alexrae Ср авг 31, 2022 3:04 pm, всего редактировалось 1 раз.




