Обогрев заднего стекла
Правила форума
Перед созданием новой темы обязательно просмотрите темы в соответствующих тематических разделах и ФАКе, повторные вопросы засоряют форум и будут удалены.
Помощь в расшифровке ошибок осуществляется в специальном подразделе.
Перед созданием новой темы обязательно просмотрите темы в соответствующих тематических разделах и ФАКе, повторные вопросы засоряют форум и будут удалены.
Помощь в расшифровке ошибок осуществляется в специальном подразделе.
-
- Реклама
- Aleks74
- Член Клуба
- Сообщения: 200
- Зарегистрирован: Сб окт 02, 2010 9:19 pm
- Репутация: 3
- Модель: AUDI S8 2007
- Мотор: BSM 5.2
- Город: Широта: 55° 10'N
- Имя: Александр
- Откуда: Челябинск
Обогрев заднего стекла
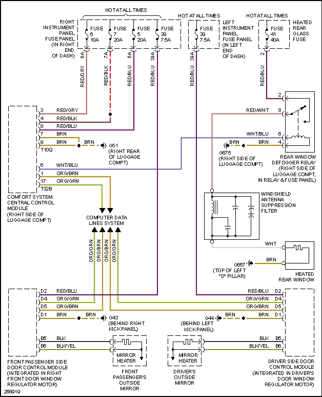
Подскажите где стоит реле подогрева заднего стекла, если можно номер.
- Aleks74
- Член Клуба
- Сообщения: 200
- Зарегистрирован: Сб окт 02, 2010 9:19 pm
- Репутация: 3
- Модель: AUDI S8 2007
- Мотор: BSM 5.2
- Город: Широта: 55° 10'N
- Имя: Александр
- Откуда: Челябинск
Re: Обогрев заднего стекла
А в ответ тишина...
- Akin
- Президент Клуба
- Сообщения: 27998
- Зарегистрирован: Пн авг 27, 2007 2:01 am
- Репутация: 643
- Модель: ___
- Мотор: ___
- Город: Королев
- Имя: Владислав
- Откуда: Москва
Re: Обогрев заднего стекла
Вот электросхема твоего обогрева.
- Aleks74
- Член Клуба
- Сообщения: 200
- Зарегистрирован: Сб окт 02, 2010 9:19 pm
- Репутация: 3
- Модель: AUDI S8 2007
- Мотор: BSM 5.2
- Город: Широта: 55° 10'N
- Имя: Александр
- Откуда: Челябинск
Re: Обогрев заднего стекла
Огромное, СПАСИБО !!!!!!!!!!!!




