Кронштейн патрубков радиатора
Правила форума
Название темы строго должно отображать наименование запчасти
Название темы строго должно отображать наименование запчасти
-
- Реклама
-
graver
- Сообщения: 56
- Зарегистрирован: Ср апр 04, 2018 2:27 pm
- Репутация: 0
- Модель: A8 1997
- Мотор: AEW 3.7
- Город: Великий Новгород
- Имя: Константин
Кронштейн патрубков радиатора
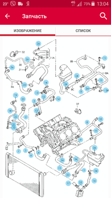
Подскажите пожалуйста номер пластикового кронштейна, который держит патрубки радиатора на v8. Он находится на передней правой крышке двигателя. Еще интересует какими гайками он крепится.
-
graver
- Сообщения: 56
- Зарегистрирован: Ср апр 04, 2018 2:27 pm
- Репутация: 0
- Модель: A8 1997
- Мотор: AEW 3.7
- Город: Великий Новгород
- Имя: Константин
Кронштейн патрубков радиатора
Моя схема последняя, но я что-то там его не увидел.
-
graver
- Сообщения: 56
- Зарегистрирован: Ср апр 04, 2018 2:27 pm
- Репутация: 0
- Модель: A8 1997
- Мотор: AEW 3.7
- Город: Великий Новгород
- Имя: Константин
Кронштейн патрубков радиатора
иоан 350, спасибо! Теоретически подходит 20 позиция на схеме, но смущает внешний вид и крепеж.
-
иоан 350
- Ветеран Клуба
- Сообщения: 7051
- Зарегистрирован: Пн мар 23, 2015 10:00 am
- Награды: 1
- Репутация: 113
- Модель: a8 2006
- Мотор: BBG 3.0
- Город: москва
- Имя: Иван
- Откуда: Украина.
Кронштейн патрубков радиатора
Если что пишите.
-
Зима
- Член Клуба
- Сообщения: 2869
- Зарегистрирован: Пт дек 02, 2011 4:13 pm
- Награды: 1
- Репутация: 50
- Модель: А8 D2 Quattro 1998 г.
- Мотор: AKJ 3.7
- Город: Москва Зеленоград
- Имя: Евгений
- Откуда: СССР
Кронштейн патрубков радиатора
graver, кронштейн как на фото?
Не зная не сна и не отдыха
При лунном и солнечном свете
Мы делаем деньги из воздуха
Чтоб снова спустить их на ветер!
При лунном и солнечном свете
Мы делаем деньги из воздуха
Чтоб снова спустить их на ветер!
-
graver
- Сообщения: 56
- Зарегистрирован: Ср апр 04, 2018 2:27 pm
- Репутация: 0
- Модель: A8 1997
- Мотор: AEW 3.7
- Город: Великий Новгород
- Имя: Константин
Кронштейн патрубков радиатора
Зима, так точно.
-
Зима
- Член Клуба
- Сообщения: 2869
- Зарегистрирован: Пт дек 02, 2011 4:13 pm
- Награды: 1
- Репутация: 50
- Модель: А8 D2 Quattro 1998 г.
- Мотор: AKJ 3.7
- Город: Москва Зеленоград
- Имя: Евгений
- Откуда: СССР
Кронштейн патрубков радиатора
graver, 077 121 093 C вроде этот номер.
Не зная не сна и не отдыха
При лунном и солнечном свете
Мы делаем деньги из воздуха
Чтоб снова спустить их на ветер!
При лунном и солнечном свете
Мы делаем деньги из воздуха
Чтоб снова спустить их на ветер!
