Комплект ремня ГРМ - номера деталей
Правила форума
Название темы строго должно отображать наименование запчасти
Название темы строго должно отображать наименование запчасти
-
- Реклама
- Максим
- Член Клуба
- Сообщения: 1576
- Зарегистрирован: Вс сен 30, 2007 4:27 pm
- Репутация: 10
- Модель: AUDI TTq 8n
- Мотор: APX 1.8T
- Город: Кемерово
- Откуда: Кемерово
- Контактная информация:
Комплект ремня ГРМ - номера деталей
Есть ли комплект для замены ГРМ? дайте код
- Akin
- Президент Клуба
- Сообщения: 27945
- Зарегистрирован: Пн авг 27, 2007 2:01 am
- Репутация: 643
- Модель: ___
- Мотор: ___
- Город: Королев
- Имя: Владислав
- Откуда: Москва
Комплект (ремень и натяжной ролик) бывает только для дизеля и для 2,8. Для восьмицилиндровых по отдельности все покупать нужно.
Номера комплектов:
Для AEJ - 078198119A
ACK, ALG - 078198119
AFN, AKN - 059198119
Номера комплектов:
Для AEJ - 078198119A
ACK, ALG - 078198119
AFN, AKN - 059198119
Последний раз редактировалось Akin Чт ноя 01, 2007 1:07 am, всего редактировалось 1 раз.
- Akin
- Президент Клуба
- Сообщения: 27945
- Зарегистрирован: Пн авг 27, 2007 2:01 am
- Репутация: 643
- Модель: ___
- Мотор: ___
- Город: Королев
- Имя: Владислав
- Откуда: Москва
Любой водитель знает, что обрыв ремня ГРМ чреват серьезными неприятностями с мотором, выливающимися впоследствии в существенную сумму за ремонт мотора. Разбитые поршни, лопнувшие головки, трещины в блоке цилиндров – проблем может быть много, и поэтому ремень важно менять вовремя. У многих владельцев эти истины настолько глубоко в сознании, что они считают необходимым поменять ремень ГРМ при покупке подержанной машины, ведь неизвестно, когда его меняли в последний раз…
По инструкции, каждые 120 тыс.км. ремень ГРМ, комплект роликов и амортизатор требуют замены. Ресурс этих деталей примерно одинаков, поэтому их рекомендуется менять сразу комплектом.
Также, при замене ремня ГРМ рекомендуется менять и помпу охлаждающей жидкости. Весьма рекомендую использовать именно оригинальную помпу, несмотря на её высокую цену. Ресурс и производительность помп альтернативных производителей существенно ниже оригинального, что может привести к печальным последствиям несколько ранее запланированного срока в 120 000км. Известны случаи недостаточной циркуляции антифриза из-за неоригинальной некачественной помпы.
Каких производителей запчастей выбрать для ремня ГРМ и роликов – сложный вопрос. В отличие от помпы, где нет выбора, здесь существует несколько производителей, обеспечивающих качество оригинала при некоторой разнице с оригиналом в цене. Так, например, ремень ГРМ можно посоветовать фирмы GATES, ролики фирмы INA. Амортизаторы ремня неплохо делает Lemferder. Но, конечно, оригинал лучше.
При повторной установке ремня ГРМ важно сохранить направление движения, иначе возможно преждевременное повреждение зубчиков ремня. Также при замене необходимо осмотреть шкивы на предмет повреждений, отсутствия задиров, которые могут повредить ремень.
При замене ремня ГРМ нужно обратить внимание на передние сальники и прокладки двигателя, пока к ним есть хороший доступ.
По желанию можно и термостат поменять – он тоже рядом, а при замене помпы так и просится…
Замена ремня ГРМ на А8 8цил ABZ, AKG, AGH, AEW, AEM, AKJ
Стандартный набор:
Ремень ГРМ – 077109119D (для S8 только ремень другой, 077109119E)
Ролик натяжной – 077109243A
Ролик обводной – 077109244A – 2шт
Амортизатор – 077109246B
Помпа с прокладкой – 077121004HX (возвратная, т.е. с возвратом старой помпы)
Также заодно неплохо поменять приводной ремень с роликами и амортизатором.
Многоручейковый ремень – 077903137Q
Обводной ролик – 2шт – 077903341
Амортизатор – 077903427B
Термостат – 078121113F
Стоит проверить вал с фланцем под вискомуфту – 077121211, он частенько гудит, как ролики…
Конечно, в идеале, и цепи распредвалов посмотреть, и маслосъемные колпачки до кучи… и т.д. Так что если докопаться по настоящему – смотреть много на что нужно сразу.
По инструкции, каждые 120 тыс.км. ремень ГРМ, комплект роликов и амортизатор требуют замены. Ресурс этих деталей примерно одинаков, поэтому их рекомендуется менять сразу комплектом.
Также, при замене ремня ГРМ рекомендуется менять и помпу охлаждающей жидкости. Весьма рекомендую использовать именно оригинальную помпу, несмотря на её высокую цену. Ресурс и производительность помп альтернативных производителей существенно ниже оригинального, что может привести к печальным последствиям несколько ранее запланированного срока в 120 000км. Известны случаи недостаточной циркуляции антифриза из-за неоригинальной некачественной помпы.
Каких производителей запчастей выбрать для ремня ГРМ и роликов – сложный вопрос. В отличие от помпы, где нет выбора, здесь существует несколько производителей, обеспечивающих качество оригинала при некоторой разнице с оригиналом в цене. Так, например, ремень ГРМ можно посоветовать фирмы GATES, ролики фирмы INA. Амортизаторы ремня неплохо делает Lemferder. Но, конечно, оригинал лучше.
При повторной установке ремня ГРМ важно сохранить направление движения, иначе возможно преждевременное повреждение зубчиков ремня. Также при замене необходимо осмотреть шкивы на предмет повреждений, отсутствия задиров, которые могут повредить ремень.
При замене ремня ГРМ нужно обратить внимание на передние сальники и прокладки двигателя, пока к ним есть хороший доступ.
По желанию можно и термостат поменять – он тоже рядом, а при замене помпы так и просится…
Замена ремня ГРМ на А8 8цил ABZ, AKG, AGH, AEW, AEM, AKJ
Стандартный набор:
Ремень ГРМ – 077109119D (для S8 только ремень другой, 077109119E)
Ролик натяжной – 077109243A
Ролик обводной – 077109244A – 2шт
Амортизатор – 077109246B
Помпа с прокладкой – 077121004HX (возвратная, т.е. с возвратом старой помпы)
Также заодно неплохо поменять приводной ремень с роликами и амортизатором.
Многоручейковый ремень – 077903137Q
Обводной ролик – 2шт – 077903341
Амортизатор – 077903427B
Термостат – 078121113F
Стоит проверить вал с фланцем под вискомуфту – 077121211, он частенько гудит, как ролики…
Конечно, в идеале, и цепи распредвалов посмотреть, и маслосъемные колпачки до кучи… и т.д. Так что если докопаться по настоящему – смотреть много на что нужно сразу.
-
Slava_A4
- Почетный член Клуба

- Сообщения: 2211
- Зарегистрирован: Чт сен 27, 2007 3:41 pm
- Награды: 1
- Репутация: 60
- Модель: A6 C5 2003
- Мотор: 2.7T BES
- Город: Москва, САО
- Откуда: Россия
akin писал(а):Замена ремня ГРМ на А8 8цил ABZ, AKG, AGH, AEW, AEM, AKJ
Стандартный набор:
Ремень ГРМ – 077109119D (для S8 только ремень другой, 077109119E)
Ролик натяжной – 077109243A
Ролик обводной – 077109244A – 2шт
Амортизатор – 077109246B
Помпа с прокладкой – 077121004HX (возвратная, т.е. с возвратом старой помпы)
Также заодно неплохо поменять приводной ремень с роликами и амортизатором.
Многоручейковый ремень – 077903137Q
Обводной ролик – 2шт – 077903341
Амортизатор – 077903427B
Термостат – 078121113F
Стоит проверить вал с фланцем под вискомуфту – 077121211, он частенько гудит, как ролики…
Конечно, в идеале, и цепи распредвалов посмотреть, и маслосъемные колпачки до кучи… и т.д. Так что если докопаться по настоящему – смотреть много на что нужно сразу.
-
bloom
- Член Клуба
- Сообщения: 854
- Зарегистрирован: Ср сен 26, 2007 9:02 am
- Репутация: 7
- Модель: Citroen C4
- Мотор: 1.6 VTi
- Город: Киев
- Откуда: Украина
Ну, это уж и не столько много работы, учитывая, что это делать то нужно каждые 120 000 км. Лично я бы советовал делать замену ремня только при наличии специального инструмента. Так как можно пропустит зуб-два, что, несомненно, негативное скажется на работе мотора. Даже если ультра точно выставлять метки и т.п., в любом случае ползубца пропустишь.
Поправьте, если не прав...
Не ездил, но осуждаю!
- jant
- Сообщения: 129
- Зарегистрирован: Ср ноя 11, 2009 11:54 pm
- Репутация: 8
- Модель: A8 2006
- Мотор: BFL 3,7
- Город: Алушта
- Имя: Михаил
Решил поменять себе ремень ГРМ,помпу и термостат и заменить заодно антифриз.Могу поделиться инфой по запчастям!
Комплект ремня ГРМ(два ремня и три ролика) 059198119В ,помпа 059121004Е,термостат 078121113F,прокладка термостата N90136802.
Заодно поменяю масло в АКПП(Коробка передач FAZ).Фильтр АКПП 01V325429,прокладка фильтра 01V325443,прокладка поддона АКПП 01V321371,масло в АКПП G052162A2.
Все по оригиналу заказывал в Экзисте,потому как у официалов цены космические!!!

Комплект ремня ГРМ(два ремня и три ролика) 059198119В ,помпа 059121004Е,термостат 078121113F,прокладка термостата N90136802.
Заодно поменяю масло в АКПП(Коробка передач FAZ).Фильтр АКПП 01V325429,прокладка фильтра 01V325443,прокладка поддона АКПП 01V321371,масло в АКПП G052162A2.
Все по оригиналу заказывал в Экзисте,потому как у официалов цены космические!!!
-
Diamond
- Член Клуба
- Сообщения: 324
- Зарегистрирован: Пт дек 19, 2008 12:39 pm
- Награды: 1
- Репутация: 4
- Модель: Audi
- Мотор: Q7 3.0D
- Город: Лен. обл., Сосновый Бор
- Имя: Денис
Re: Комплект ремня ГРМ - номера деталей
Интересно узнать хотя бы примерную стоимость перечисленных запчастей, плюс-минус 5круб. без стоимости замены, естественно...
Из авосек были:
Audi A8 (96г)
Audi A8 (99г)
Audi A8 (03г) D3
Audi A8 (96г)
Audi A8 (99г)
Audi A8 (03г) D3
-
nenya
- Почетный член Клуба
- Сообщения: 2646
- Зарегистрирован: Вс фев 01, 2009 3:57 pm
- Награды: 1
- Репутация: 41
- Модель: A8 1997 механика
- Мотор: ACK 2.8
- Город: Москва. Кузьминки
- Имя: Игорь
- Откуда: Курск
- Контактная информация:
Re: Комплект ремня ГРМ - номера деталей
Парни , подскажите номера на комплект ГРМ на дв. АСК 2,8 и на термостат тоже. Собираюсь весной поменять.
-
Flying Sрur
- Почетный член Клуба
- Сообщения: 740
- Зарегистрирован: Ср сен 26, 2007 11:02 pm
- Награды: 1
- Репутация: 53
- Модель: Skoda Yeti 4*4 2012
- Мотор: 1.8 TSI
- Город: Гомель
- Имя: Денис
- Откуда: Республика Беларусь
- Контактная информация:
Re: Комплект ремня ГРМ - номера деталей
nenya, вроде вот так
078 109 119 J - Ремень зубчатый ГРМ
078 109 244 H - Ролик обводной ремня ГРМ
078 109 243 S - Pолик натяжной
078 109 479 E - Натяжитель
078 121 113 F - термостат
078 109 119 J - Ремень зубчатый ГРМ
078 109 244 H - Ролик обводной ремня ГРМ
078 109 243 S - Pолик натяжной
078 109 479 E - Натяжитель
078 121 113 F - термостат
-
nenya
- Почетный член Клуба
- Сообщения: 2646
- Зарегистрирован: Вс фев 01, 2009 3:57 pm
- Награды: 1
- Репутация: 41
- Модель: A8 1997 механика
- Мотор: ACK 2.8
- Город: Москва. Кузьминки
- Имя: Игорь
- Откуда: Курск
- Контактная информация:
Re: Комплект ремня ГРМ - номера деталей
Flying Sрur
Спасибо Денис
Помпу тоже видимо надо будет поменять ?
Спасибо Денис
-
ANDREY_XXX
- Член Клуба
- Сообщения: 1966
- Зарегистрирован: Вс мар 09, 2008 8:24 pm
- Награды: 1
- Репутация: 19
- Модель: Оптимальная
- Мотор: 2400
- Город: МОСКВА
- Имя: Андрей
- Откуда: МЕТРОГОРОДОК
- Контактная информация:
Re: Комплект ремня ГРМ - номера деталей
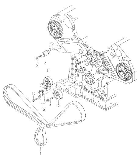
Подскажите! 077109244C Сколько этих обводных роликов ГРМ установлено на моторе AQF 4.2.
Менял в сервисе ГРМ, приехал за машиной, а мне сказали что типа 1 ролик привез лишний и они его кинули в багажник, странно как то, но в программе написано что 2 штуки!
Где ошибка?
Менял в сервисе ГРМ, приехал за машиной, а мне сказали что типа 1 ролик привез лишний и они его кинули в багажник, странно как то, но в программе написано что 2 штуки!
Где ошибка?
-
Flying Sрur
- Почетный член Клуба
- Сообщения: 740
- Зарегистрирован: Ср сен 26, 2007 11:02 pm
- Награды: 1
- Репутация: 53
- Модель: Skoda Yeti 4*4 2012
- Мотор: 1.8 TSI
- Город: Гомель
- Имя: Денис
- Откуда: Республика Беларусь
- Контактная информация:
Re: Комплект ремня ГРМ - номера деталей
Андрей да вроде один он должен быть. Твой ролик под номером 2.
-
ANDREY_XXX
- Член Клуба
- Сообщения: 1966
- Зарегистрирован: Вс мар 09, 2008 8:24 pm
- Награды: 1
- Репутация: 19
- Модель: Оптимальная
- Мотор: 2400
- Город: МОСКВА
- Имя: Андрей
- Откуда: МЕТРОГОРОДОК
- Контактная информация:
Re: Комплект ремня ГРМ - номера деталей
В ЕТКЕ, где пишется кол-во на автомобиль, стоит цифорка 2...
В сервесе смотрели по эльзе, там 2 ролика нарисованно...... Может на эсках их 2 штуки?
В сервесе смотрели по эльзе, там 2 ролика нарисованно...... Может на эсках их 2 штуки?
- Nikola
- Сообщения: 91
- Зарегистрирован: Пн апр 13, 2009 11:36 pm
- Репутация: 0
- Модель: A8 2000 Quattro
- Мотор: AQF 4.2
- Город: Беларусь
- Имя: Колька
Re: Комплект ремня ГРМ - номера деталей
Такая же проблема! Не знаю сколько покупать! В скобках указано 2 шт. А для ручейкового ремня, что там докупается?
ECZ Tiptronic
- Akin
- Президент Клуба
- Сообщения: 27945
- Зарегистрирован: Пн авг 27, 2007 2:01 am
- Репутация: 643
- Модель: ___
- Мотор: ___
- Город: Королев
- Имя: Владислав
- Откуда: Москва
Re: Комплект ремня ГРМ - номера деталей
На AQF этот ролик один.
- Nikola
- Сообщения: 91
- Зарегистрирован: Пн апр 13, 2009 11:36 pm
- Репутация: 0
- Модель: A8 2000 Quattro
- Мотор: AQF 4.2
- Город: Беларусь
- Имя: Колька
Re: Комплект ремня ГРМ - номера деталей
Спс. Сегодня еле нашёл ветку на форуме. А заказал-то уже 2 ролика))) Буду отменять...Akin писал(а):На AQF этот ролик один.
ECZ Tiptronic
- Nikola
- Сообщения: 91
- Зарегистрирован: Пн апр 13, 2009 11:36 pm
- Репутация: 0
- Модель: A8 2000 Quattro
- Мотор: AQF 4.2
- Город: Беларусь
- Имя: Колька
Re: Комплект ремня ГРМ - номера деталей
А для ручейкового ремня, что там докупается?
Хмм, на AQF 1 ролик? Ремень поликлиновый (077 903 137 S), натяжитель(077 903 133 E), ролик обводной (77 903 341)???
При замене переднего сальника коленвала (077 115 147 A) прокладка (057 103 161 B) нужна? Доставка 10 дней! Или можно что-нить придумать?
Сальники распредвала (077 103 487 B) эти?
Хмм, на AQF 1 ролик? Ремень поликлиновый (077 903 137 S), натяжитель(077 903 133 E), ролик обводной (77 903 341)???
При замене переднего сальника коленвала (077 115 147 A) прокладка (057 103 161 B) нужна? Доставка 10 дней! Или можно что-нить придумать?
Сальники распредвала (077 103 487 B) эти?
ECZ Tiptronic







