Рычаг АККП заблокирован
-
- Реклама
- СерП
- Член Клуба
- Сообщения: 536
- Зарегистрирован: Чт янв 08, 2009 12:32 am
- Репутация: 28
- Модель: ----
- Мотор: ----
- Город: Санкт-Петербург
- Имя: Сергей
Рычаг АККП заблокирован
Ребята, всем привет!!!, протяните руку помощи.
Рычаг АКП не снять с парктроника при заведенной машинюшке, а при выключенном зажигании верх-низ без промблем???
Выставляю в нейтраль, завожу и облом, опять ручка колом???
Двигатель АСК, коробка СJS типтроник.
Заранее спасибо.
С уважением Сергей.
Рычаг АКП не снять с парктроника при заведенной машинюшке, а при выключенном зажигании верх-низ без промблем???
Выставляю в нейтраль, завожу и облом, опять ручка колом???
Двигатель АСК, коробка СJS типтроник.
Заранее спасибо.
С уважением Сергей.
-
Кучерявый
- Почетный член Клуба
- Сообщения: 4547
- Зарегистрирован: Ср июн 04, 2008 8:44 am
- Награды: 1
- Репутация: 75
- Модель: А8, 1998
- Мотор: AKH, 4200, МКПП
- Город: Тула
- Имя: Дмитрий
А когда при заведенной машинке нажимаешь на тормоз по ручке АКПП щелчек раздается? Там есть блокиратор от включения. Когда на тормоз жмешь, он срабатывает и селектор передвигается. А на заглушенной он по-моему не работает. Так что мож в нем причина? Он может и не дать передвинуть селектор. Раз уж у тебя такое и на нейтрали, очччень на это похоже...
P.S. Ща придут сенсеи и все порулят.
P.S. Ща придут сенсеи и все порулят.
- Akin
- Президент Клуба
- Сообщения: 27998
- Зарегистрирован: Пн авг 27, 2007 2:01 am
- Репутация: 643
- Модель: ___
- Мотор: ___
- Город: Королев
- Имя: Владислав
- Откуда: Москва
Проверка блокировки извлечения ключа зажигания
– Ключ зажигания повернуть в положение "включено для движения" (зажигание включено).
– Нажать и удерживать педаль ножного тормоза.
Перевод селектора автоматической коробки передач из положения „P“ возможен только при нажатой кнопке на ручке переключателя без „рычага“.
Ключ зажигания не должен выниматься ни в одном из положений селектора АКПП помимо „P“.
– Селектор АКПП переключить в положение „P“.
Ключ зажигания должен без „заедания“ перейти в положение вынимания.
– Вынуть ключ зажигания.
Селектор АКПП не может быть переведен из положения „P“ при нажатых кнопке и педали ножного тормоза.
Если блокировка ключа зажигания от извлечения не функционирует согласно описанию:
– Отрегулировать блокиратор
– Ключ зажигания повернуть в положение "включено для движения" (зажигание включено).
– Нажать и удерживать педаль ножного тормоза.
Перевод селектора автоматической коробки передач из положения „P“ возможен только при нажатой кнопке на ручке переключателя без „рычага“.
Ключ зажигания не должен выниматься ни в одном из положений селектора АКПП помимо „P“.
– Селектор АКПП переключить в положение „P“.
Ключ зажигания должен без „заедания“ перейти в положение вынимания.
– Вынуть ключ зажигания.
Селектор АКПП не может быть переведен из положения „P“ при нажатых кнопке и педали ножного тормоза.
Если блокировка ключа зажигания от извлечения не функционирует согласно описанию:
– Отрегулировать блокиратор
- Akin
- Президент Клуба
- Сообщения: 27998
- Зарегистрирован: Пн авг 27, 2007 2:01 am
- Репутация: 643
- Модель: ___
- Мотор: ___
- Город: Королев
- Имя: Владислав
- Откуда: Москва
Проверка привода управления КП
При положениях селектора автоматической коробки передач „R, D“, „4, 3, 2“ или „S“ и в „пазу Tiptronic“ запуск стартёра не выполняется.
На автомобилях с правым расположением рулевого колеса стартер может быть разблокирован при нахождении селектора в положениях „P“ и „N“ только в том случае, если блокировочная кнопка на рукоятке рычага селектора не нажата.
При скорости свыше 5 км/ч и переключении селектора автоматической коробки передач в положение „N“ блокировка селектора автоматической коробки передач электромагнитом не выполняется. Селектор должен свободно переключаться в положения для движения.
Когда рычаг селектора переводится в положение „N“ при скорости движения менее 2 км/ч (автомобиль практически стоит на месте), электромагнит блокировки рычага должен срабатывать только спустя примерно 1 секунду. Селектор автоматической коробки передач можно вывести из положения „N“ только при нажатой педали тормоза.
Селектор автоматической коробки передач в положении „P“ и зажигание включено:
– Педаль тормоза не нажимать.
Селектор автоматической коробки передач заблокирован и его невозможно вывести из положения „P“. Он заблокирован электромагнитом.
– Нажать и удерживать педаль тормоза.
Электромагнит блокировки разблокирует рычаг селектора. Появилась возможность установить селектор в положение для движения. Медленно выполнить последовательное переключение селектора автоматической коробки передач от „P“ и далее „R, N, D, 4, 3, 2“ или „S“; при этом проверить соответствие индикации на комбинации приборов фактически выбранной передаче.
Селектор автоматической коробки передач находится в положении „N“ и зажигание включено:
– Педаль тормоза не нажимать.
После короткого ожидания: селектор автоматической коробки передач заблокирован и его невозможно вывести из положения „N“. Он заблокирован электромагнитом.
– Нажать педаль тормоза.
Электромагнит блокировки разблокирует рычаг селектора. Появилась возможность установить селектор в положение для движения.
Селектор автоматической коробки передач находится в положении „D“, зажигание и свет включены
– Перевести селектор автоматической коробки передач из положения „D“ в паз Tiptronic.
Вместо буквы „D“ на крышке механизма переключения передач должны загореться значки „+“ и „–“.
При переводе селектора автоматической коробки передач в „паз Tiptronic“ индикация включенной передачи на комбинации приборов должна измениться с „PRND432“ или „PRNDS“ на „54321“.
Если привод управления АКПП не функционирует согласно описанию:
– Проверка или регулировка тросовой тяги селектора
При положениях селектора автоматической коробки передач „R, D“, „4, 3, 2“ или „S“ и в „пазу Tiptronic“ запуск стартёра не выполняется.
На автомобилях с правым расположением рулевого колеса стартер может быть разблокирован при нахождении селектора в положениях „P“ и „N“ только в том случае, если блокировочная кнопка на рукоятке рычага селектора не нажата.
При скорости свыше 5 км/ч и переключении селектора автоматической коробки передач в положение „N“ блокировка селектора автоматической коробки передач электромагнитом не выполняется. Селектор должен свободно переключаться в положения для движения.
Когда рычаг селектора переводится в положение „N“ при скорости движения менее 2 км/ч (автомобиль практически стоит на месте), электромагнит блокировки рычага должен срабатывать только спустя примерно 1 секунду. Селектор автоматической коробки передач можно вывести из положения „N“ только при нажатой педали тормоза.
Селектор автоматической коробки передач в положении „P“ и зажигание включено:
– Педаль тормоза не нажимать.
Селектор автоматической коробки передач заблокирован и его невозможно вывести из положения „P“. Он заблокирован электромагнитом.
– Нажать и удерживать педаль тормоза.
Электромагнит блокировки разблокирует рычаг селектора. Появилась возможность установить селектор в положение для движения. Медленно выполнить последовательное переключение селектора автоматической коробки передач от „P“ и далее „R, N, D, 4, 3, 2“ или „S“; при этом проверить соответствие индикации на комбинации приборов фактически выбранной передаче.
Селектор автоматической коробки передач находится в положении „N“ и зажигание включено:
– Педаль тормоза не нажимать.
После короткого ожидания: селектор автоматической коробки передач заблокирован и его невозможно вывести из положения „N“. Он заблокирован электромагнитом.
– Нажать педаль тормоза.
Электромагнит блокировки разблокирует рычаг селектора. Появилась возможность установить селектор в положение для движения.
Селектор автоматической коробки передач находится в положении „D“, зажигание и свет включены
– Перевести селектор автоматической коробки передач из положения „D“ в паз Tiptronic.
Вместо буквы „D“ на крышке механизма переключения передач должны загореться значки „+“ и „–“.
При переводе селектора автоматической коробки передач в „паз Tiptronic“ индикация включенной передачи на комбинации приборов должна измениться с „PRND432“ или „PRNDS“ на „54321“.
Если привод управления АКПП не функционирует согласно описанию:
– Проверка или регулировка тросовой тяги селектора
- Akin
- Президент Клуба
- Сообщения: 27998
- Зарегистрирован: Пн авг 27, 2007 2:01 am
- Репутация: 643
- Модель: ___
- Мотор: ___
- Город: Королев
- Имя: Владислав
- Откуда: Москва
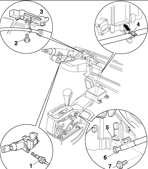
Снятие и установка блокирующей тяги
1 - Блокирующая тяга
Снятие
Инструкция
Тяга не должна быть погнутой.
– Перевести рычаг селектора АКПП в положение „2“ или „S“.
Осторожно!
На автомобилях с Telematik перед отсоединением АКБ следует включить сервисный режим блока управления Telematik → Самодиагностика связи;
– На автомобилях с кодированной радиоаппаратурой/радионавигационной системой следует учитывать наличие кодирования, при необходимости запросить код.
– Отсоединить провод массы от клеммы аккумуляторной батареи (в багажнике) при выключенном зажигании.
– Снять вещевую нишу со стороны водителя →
– Снять центральную консоль →
– Снять выключатель на рулевой колонке →
– Ключ зажигания повернуть в положение „зажигание включено“.
– Селектор АКПП переключить в положение „P“.
– Приподнять хомутик на стопорной скобе и вынуть блокирующую тягу -1- из выключателя зажигания и стартера.
– Отвернуть опору блокирующей тяги от привода переключения и отцепить ушко блокирующей тяги -6-.
– Вывернуть болт -2- из рулевой колонки и снять блокирующую тягу вместе со скобой для проводов-3-.
– Отвернуть блок управления подушками безопасности
– Освободить блокирующую тягу из хомута крепления -4- и вынуть ее.
Установка
– Проложить блокирующую тягу без изгибов.
– Вложить блокирующую тягу в углубление изолирующего коврика на туннеле для механизмов трансмиссии и установить блок управления подушками безопасности → Группа ремонта69.
– Ключ зажигания повернуть в положение „зажигание включено“.
– Вставить блокирующую тягу -1- выключателя зажигания и стартера.
– Защелкнуть хомутик на стопорной скобе.
– Затянуть болт -2- скобы для проводов -3-.
– Перевести выключатель зажигания и стартера в положение „"зажигание выключено"“.
– Селектор АКПП переключить в положение „P“.
– Навесить ушко блокирующей тяги -6- на палец -5-.
– Привернуть опору блокирующей тяги болтом -7- к приводу переключения, обеспечив ее подвижность.
– Отрегулировать блокирующую тягу
1 - Блокирующая тяга
Снятие
Инструкция
Тяга не должна быть погнутой.
– Перевести рычаг селектора АКПП в положение „2“ или „S“.
Осторожно!
На автомобилях с Telematik перед отсоединением АКБ следует включить сервисный режим блока управления Telematik → Самодиагностика связи;
– На автомобилях с кодированной радиоаппаратурой/радионавигационной системой следует учитывать наличие кодирования, при необходимости запросить код.
– Отсоединить провод массы от клеммы аккумуляторной батареи (в багажнике) при выключенном зажигании.
– Снять вещевую нишу со стороны водителя →
– Снять центральную консоль →
– Снять выключатель на рулевой колонке →
– Ключ зажигания повернуть в положение „зажигание включено“.
– Селектор АКПП переключить в положение „P“.
– Приподнять хомутик на стопорной скобе и вынуть блокирующую тягу -1- из выключателя зажигания и стартера.
– Отвернуть опору блокирующей тяги от привода переключения и отцепить ушко блокирующей тяги -6-.
– Вывернуть болт -2- из рулевой колонки и снять блокирующую тягу вместе со скобой для проводов-3-.
– Отвернуть блок управления подушками безопасности
– Освободить блокирующую тягу из хомута крепления -4- и вынуть ее.
Установка
– Проложить блокирующую тягу без изгибов.
– Вложить блокирующую тягу в углубление изолирующего коврика на туннеле для механизмов трансмиссии и установить блок управления подушками безопасности → Группа ремонта69.
– Ключ зажигания повернуть в положение „зажигание включено“.
– Вставить блокирующую тягу -1- выключателя зажигания и стартера.
– Защелкнуть хомутик на стопорной скобе.
– Затянуть болт -2- скобы для проводов -3-.
– Перевести выключатель зажигания и стартера в положение „"зажигание выключено"“.
– Селектор АКПП переключить в положение „P“.
– Навесить ушко блокирующей тяги -6- на палец -5-.
– Привернуть опору блокирующей тяги болтом -7- к приводу переключения, обеспечив ее подвижность.
– Отрегулировать блокирующую тягу
- Akin
- Президент Клуба
- Сообщения: 27998
- Зарегистрирован: Пн авг 27, 2007 2:01 am
- Репутация: 643
- Модель: ___
- Мотор: ___
- Город: Королев
- Имя: Владислав
- Откуда: Москва
Регулировка блокирующей тяги
Процесс работы
– Ослабить болт -1-.
Опора -2- блокирующей тяги должна перемещаться от руки.
– Вставить регулировочный калибр для блокирующей тяги -3352 A- между пальцем на рычаге блокирующей тяги и ушком блокирующей тяги.
– Потянуть блокирующую тягу в -направлении стрелки- и затянуть болт.
– Удалить регулировочный калибр.
– После каждой регулировки блокирующей тяги следует проверить блокировку извлечения ключа зажигания
Процесс работы
– Ослабить болт -1-.
Опора -2- блокирующей тяги должна перемещаться от руки.
– Вставить регулировочный калибр для блокирующей тяги -3352 A- между пальцем на рычаге блокирующей тяги и ушком блокирующей тяги.
– Потянуть блокирующую тягу в -направлении стрелки- и затянуть болт.
– Удалить регулировочный калибр.
– После каждой регулировки блокирующей тяги следует проверить блокировку извлечения ключа зажигания
-
ANDREY_XXX
- Член Клуба
- Сообщения: 1966
- Зарегистрирован: Вс мар 09, 2008 8:24 pm
- Награды: 1
- Репутация: 19
- Модель: Оптимальная
- Мотор: 2400
- Город: МОСКВА
- Имя: Андрей
- Откуда: МЕТРОГОРОДОК
- Контактная информация:
- fat
- Сообщения: 86
- Зарегистрирован: Вс мар 18, 2012 11:13 am
- Репутация: 0
- Модель: a8 1997
- Мотор: agh 4.2
- Город: пгт быково
- Имя: сергей
Re: Рычаг АККП заблокирован
Всем привет.Вот и меня постигла сия неприятность.А какой предохранитель идет на электромагнитный привод и где его искать?
8 926 379 77 94




