Задние пружины
-
- Реклама
- kram
- Сообщения: 33
- Зарегистрирован: Пт июл 15, 2016 8:14 pm
- Репутация: 0
- Модель: AUDI A8 1995
- Мотор: ABZ 4.2
- Город: Харьков
- Имя: Григорий
Задние пружины
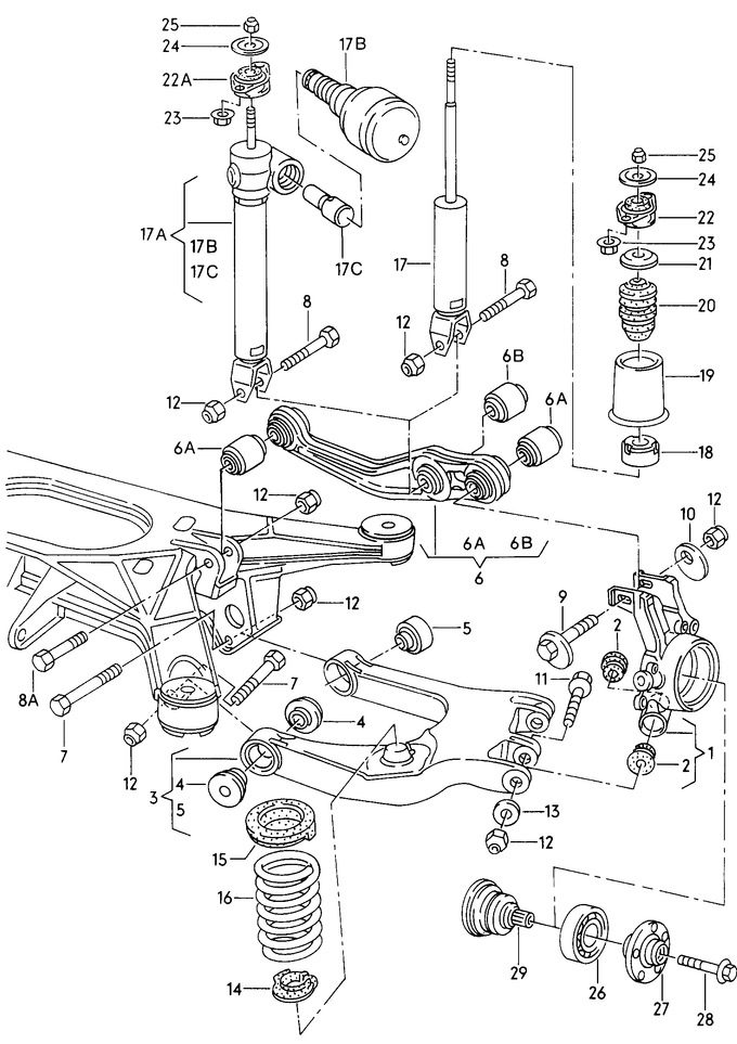
Всем здравствуйте! По комплектации у меня сзади амортизаторы с гидроподкачкой, машина мне уже досталась с обычными. Зад очень очень низкий, купил пружины ( kayba rh5178) но они отличаются от моих, на каябовских идёт на одной стороне сужение витков а на той что стоит у меня она просто цилиндром идёт без каких либо сужений. Соответственно нижняя резинка не подходит и скажем так крепление металлической на которое садится снизу пружина очень большого диаметра. Подскажите снимается ли это крепление ?? Или какие пружины взять?? На картинке #14.
Последний раз редактировалось kram Вс дек 24, 2017 11:07 am, всего редактировалось 1 раз.
- kram
- Сообщения: 33
- Зарегистрирован: Пт июл 15, 2016 8:14 pm
- Репутация: 0
- Модель: AUDI A8 1995
- Мотор: ABZ 4.2
- Город: Харьков
- Имя: Григорий
Задние пружины
Я от а8 и ставлю, они ж все к низу сужаются, или что вы имели ввиду??
- kram
- Сообщения: 33
- Зарегистрирован: Пт июл 15, 2016 8:14 pm
- Репутация: 0
- Модель: AUDI A8 1995
- Мотор: ABZ 4.2
- Город: Харьков
- Имя: Григорий
Задние пружины
Вот как на фото я себе и купил пружину, к низу пружины сужается ход витков, а у меня как оказалась стоит без сужения. Соответственно опора нижняя шире, и в центре металлическое крепление ( типо круга, вокруг которого одевается резиновая опора) оно шире чем диаметр нижнего ветка пружины новой
-
alexrae
- Член Клуба
- Сообщения: 6851
- Зарегистрирован: Пт июн 26, 2009 8:18 pm
- Награды: 1
- Репутация: 96
- Модель: A8 2006
- Мотор: BGK/HKT 3шт
- Город: Торонто
- Имя: Алекс
Задние пружины
На обычной подвеске эта нижняя опора пружины снимается руками. Вопрос-как у тебя на рычаге сделана под нее отливка,если были гидро
- kram
- Сообщения: 33
- Зарегистрирован: Пт июл 15, 2016 8:14 pm
- Репутация: 0
- Модель: AUDI A8 1995
- Мотор: ABZ 4.2
- Город: Харьков
- Имя: Григорий
Задние пружины
вот я ж и говорю, что отливка как мне кажется очень большого диаметра для обычной пружины с А8
-
АндрейS8
- Почетный член Клуба
- Сообщения: 11778
- Зарегистрирован: Вс фев 26, 2012 6:14 pm
- Награды: 3
- Репутация: 168
- Модель: А8 1995г. и Ауди 100Q 91г.
- Мотор: 4,2 ABZ и 2,0
- Город: Кострома
- Имя: Андрей
Задние пружины
На эту отливку надевается опора пружины №14,на неё уже ставится сама пружина.
Сфоткал бы свою,тогда бы может боле мене прояснилось.
Сфоткал бы свою,тогда бы может боле мене прояснилось.
При чём тут гидро и без.И там и там присутствуют пружины,в том же месте.Там же стоят амортизаторы.
Помним, любим, скорбим. Светлая память.
- kram
- Сообщения: 33
- Зарегистрирован: Пт июл 15, 2016 8:14 pm
- Репутация: 0
- Модель: AUDI A8 1995
- Мотор: ABZ 4.2
- Город: Харьков
- Имя: Григорий
Задние пружины
Мои пружины пока стоят на машине, но завтра сфоткаю , что б максимально видно было.
#14 это по этке??
Просто отлив больше по диаметру чем виток пружины новой
#14 это по этке??
Просто отлив больше по диаметру чем виток пружины новой
Последний раз редактировалось kram Пн дек 25, 2017 8:55 am, всего редактировалось 1 раз.
-
АндрейS8
- Почетный член Клуба
- Сообщения: 11778
- Зарегистрирован: Вс фев 26, 2012 6:14 pm
- Награды: 3
- Репутация: 168
- Модель: А8 1995г. и Ауди 100Q 91г.
- Мотор: 4,2 ABZ и 2,0
- Город: Кострома
- Имя: Андрей
Задние пружины
Помним, любим, скорбим. Светлая память.






