Переставляет зад автоса на стыках и неровностях

Рычаги и сайлентблоки подвески, ступицы, стабилизаторы, амортизаторы и пружины, подрамники. Развал-схождение.
Аватара пользователя
pankoff
Сообщения: 2569
Зарегистрирован: Ср дек 29, 2010 2:36 pm
Репутация: 11
Модель: -
Мотор: 4.6 is
Город: Гродно
Имя: Женя
Откуда: Беларусь
Контактная информация:

Переставляет зад автоса на стыках и неровностях

Сообщение pankoff »

Собственно стал замечать нервное поведение автоса при проезде стыков и всякого вида кочек на асфальте , подёргивает задницу 1pardon76
рычаги норма, подрамник тоже. Пружины не лопнули, аммо не текут )
Что может быть ? может аамо за 340 к км уже выдохлись или все же что-то в подвеске ? развал делал год назад . может из-за неправильно выставленного такое может быть ? где-то примерно в это время и стал замечать нервозность.
на AS8 c апреля 2009 )
Аватара пользователя
Andyrunner
Член Клуба
Сообщения: 1429
Зарегистрирован: Вт май 07, 2013 4:21 pm
Репутация: 26
Модель: VW Phaeton
Мотор: 4.2
Город: Москва САО
Имя: Андрей
Контактная информация:

Re: Переставляет зад автоса на стыках и неровностях

Сообщение Andyrunner »

Такое может быть из за убитых с/б.
Аватара пользователя
SergeZ
Почетный член Клуба
Сообщения: 3520
Зарегистрирован: Пн мар 15, 2010 3:24 pm
Репутация: 90
Модель: A8 1999
Мотор: AQF->AQH
Город: Тула
Имя: Сергей

Re: Переставляет зад автоса на стыках и неровностях

Сообщение SergeZ »

Заехай на развал, проверь на всякий случай.
И кстати - если делают по совести, они перед выставлением сами все рычаги и сайленты подергают.

Второй вариант - попроси проехаться кого-нибудь за тобой. Может увидит то, что ты не смог продиагностировать.
Аватара пользователя
pankoff
Сообщения: 2569
Зарегистрирован: Ср дек 29, 2010 2:36 pm
Репутация: 11
Модель: -
Мотор: 4.6 is
Город: Гродно
Имя: Женя
Откуда: Беларусь
Контактная информация:

Re: Переставляет зад автоса на стыках и неровностях

Сообщение pankoff »

из-за передней подвески может такое быть ? 4 рычага новых, здоровый нижний тоже, один старый, но живой.
три раза проверял в разных местах, всё норм говорят.
из-за стабилизатора заднего может ?

кстати да, на развале, сперва всё трясут, потом крутят)
на AS8 c апреля 2009 )
Аватара пользователя
MARTA75
Сообщения: 382
Зарегистрирован: Пн июл 09, 2012 8:58 pm
Репутация: 10
Модель: AUDI A8
Мотор: ABZ
Город: Тольятти
Имя: Вова

Re: Переставляет зад автоса на стыках и неровностях

Сообщение MARTA75 »

Шины не менял?
serep
Член Клуба
Сообщения: 1367
Зарегистрирован: Чт дек 22, 2011 9:27 am
Репутация: 27
Модель: А8 98
Мотор: aew
Город: Барнео
Имя: Сергей

Re: Переставляет зад автоса на стыках и неровностях

Сообщение serep »

Проверь поперечные рулевые тяги (4D0501529H ). Не могли выставить развал по причине их износа 1confuz8 . До замены, "зад" гулял- ужас.
Аватара пользователя
jelowsss
Член Клуба
Сообщения: 1016
Зарегистрирован: Ср апр 03, 2013 12:00 pm
Репутация: 16
Модель: A8D3 2002
Мотор: BFM 4.2
Город: Могилев, Беларусь
Имя: Максим

Re: Переставляет зад автоса на стыках и неровностях

Сообщение jelowsss »

+1 за развал. у самого такое было
Аватара пользователя
Dok

Ветеран Клуба Писатель Клуба
Член Клуба
Сообщения: 12700
Зарегистрирован: Пн апр 15, 2013 9:44 am
Награды: 2
Репутация: 238
Модель: не ауди
Мотор: 2,5TDi
Город: дорог

Re: Переставляет зад автоса на стыках и неровностях

Сообщение Dok »

pankoff
ты движок наладил?
рвет машинка?
жри спи жми
Виталий74

Re: Переставляет зад автоса на стыках и неровностях

Сообщение Виталий74 »

Если "козлит жопу" в первую очередь смотри сайлены, во вторую амморты.
Бывает и третий случай - откручено (не затянуто) колесо, но это - редкость.
Аватара пользователя
Goblin888
Сообщения: 88
Зарегистрирован: Вс янв 15, 2012 12:18 pm
Репутация: 4
Модель: Lexus GX 460
Мотор: 4,6
Город: Кострома
Имя: Егор
Откуда: ГДР, Дрезден

Re: Переставляет зад автоса на стыках и неровностях

Сообщение Goblin888 »

pankoff, какая резина стоит? не ранфлэт ли случаем?
Аватара пользователя
pankoff
Сообщения: 2569
Зарегистрирован: Ср дек 29, 2010 2:36 pm
Репутация: 11
Модель: -
Мотор: 4.6 is
Город: Гродно
Имя: Женя
Откуда: Беларусь
Контактная информация:

Re: Переставляет зад автоса на стыках и неровностях

Сообщение pankoff »

MARTA75 писал(а):Шины не менял?
не менял . резина Нокиан , 2008 года, уже 5 лет гоняю на ней. Пробег тысяч 55-60 на ней, на вид уже несвежая ))
serep писал(а):Проверь поперечные рулевые тяги (4D0501529H ). Не могли выставить развал по причине их износа 1confuz8 . До замены, "зад" гулял- ужас.
надо еще раз потрясти всё. Что-то должно быть .

хз, делаю на одном сервисе уже лет 9, лучше всех мужик крутит, но и на старуху бывает порнуха...
Dok писал(а):pankoff
ты движок наладил?
рвет машинка?
не рвет ((
что-то с 93м у нас неочень хотят ковыряться. Просто поменяют грм и всё. Вот и хз, будет после замены веселее, аль нет :cry:
Последний раз редактировалось pankoff Сб авг 30, 2014 12:35 am, всего редактировалось 1 раз.
на AS8 c апреля 2009 )
Аватара пользователя
Dok

Ветеран Клуба Писатель Клуба
Член Клуба
Сообщения: 12700
Зарегистрирован: Пн апр 15, 2013 9:44 am
Награды: 2
Репутация: 238
Модель: не ауди
Мотор: 2,5TDi
Город: дорог

Сообщение Dok »

Приезжай, настрою 93 канал)))))
жри спи жми
Аватара пользователя
Dok

Ветеран Клуба Писатель Клуба
Член Клуба
Сообщения: 12700
Зарегистрирован: Пн апр 15, 2013 9:44 am
Награды: 2
Репутация: 238
Модель: не ауди
Мотор: 2,5TDi
Город: дорог

Re: Переставляет зад автоса на стыках и неровностях

Сообщение Dok »

главное, чтоб вот так не переставило
http://www.auto72.ru/news/news68057.html
жри спи жми
Аватара пользователя
Proprietor
Сообщения: 666
Зарегистрирован: Вт янв 08, 2013 9:26 pm
Репутация: 5
Модель: S6/c5/A8
Мотор: ANK/V8/Мкпп/BFM
Город: BLR
Имя: Elmar

Re: Переставляет зад автоса на стыках и неровностях

Сообщение Proprietor »

Dok,к чему эта ссылка?! 1confuz8
Аватара пользователя
Dok

Ветеран Клуба Писатель Клуба
Член Клуба
Сообщения: 12700
Зарегистрирован: Пн апр 15, 2013 9:44 am
Награды: 2
Репутация: 238
Модель: не ауди
Мотор: 2,5TDi
Город: дорог

Re: Переставляет зад автоса на стыках и неровностях

Сообщение Dok »

к переходу
жри спи жми
Аватара пользователя
Daulet M
Член Клуба
Сообщения: 363
Зарегистрирован: Ср авг 29, 2012 9:36 am
Репутация: 0
Модель: A8L
Мотор: 4.2FSI
Город: Almaty
Имя: Daulet
Откуда: Республика Казахстан город Алматы

Re: Переставляет зад автоса на стыках и неровностях

Сообщение Daulet M »

Было что то похожее на D3, решилось заменой задних плавающих сайлентблоков.
Аватара пользователя
moto73
Член Клуба
Сообщения: 3105
Зарегистрирован: Чт мар 28, 2013 6:59 pm
Репутация: 40
Модель: Киа
Мотор: 2,5 tdi
Город: Ульяновск
Имя: Максим

Re: Переставляет зад автоса на стыках и неровностях

Сообщение moto73 »

отпишусь ка по этой проблеме... было так же как и у автора.На неровностях уносит. Диагностика приговорила 2 сайлентблока на верхних рычагах задних. Вчера все сменил, сделал 3д развал и вы не представляете на сколько попец у авто стал устойчив и мягок.
В любой ситуации нужно оставаться человеком...
Аватара пользователя
pankoff
Сообщения: 2569
Зарегистрирован: Ср дек 29, 2010 2:36 pm
Репутация: 11
Модель: -
Мотор: 4.6 is
Город: Гродно
Имя: Женя
Откуда: Беларусь
Контактная информация:

Re: Переставляет зад автоса на стыках и неровностях

Сообщение pankoff »

поеду в среду на диагностику. Может до этого еще куда заскочу )

еще , что заметил - задня подвеска стала жестковато отрабатывать неровности вцелом. Передок мягче однозначно.
на AS8 c апреля 2009 )
Аватара пользователя
ZhAmAn
Член Клуба
Сообщения: 3627
Зарегистрирован: Пн дек 23, 2013 11:30 am
Репутация: 45
Модель: AUDI A8 D3
Мотор: BFM
Город: Ростов-На-Дону
Имя: Кирилл

Re: Переставляет зад автоса на стыках и неровностях

Сообщение ZhAmAn »

pankoff Амортизаторы тогда глянь еще.
AUDI A8 D3(4E) 4.2 quattro BFM, АКПП 6HP26(GNU)/Серебро.
Аватара пользователя
pankoff
Сообщения: 2569
Зарегистрирован: Ср дек 29, 2010 2:36 pm
Репутация: 11
Модель: -
Мотор: 4.6 is
Город: Гродно
Имя: Женя
Откуда: Беларусь
Контактная информация:

Re: Переставляет зад автоса на стыках и неровностях

Сообщение pankoff »

я вот тоже за них думаю, тока как проверить? не текут) а больше хз, не сняв их)
на AS8 c апреля 2009 )
Аватара пользователя
ZhAmAn
Член Клуба
Сообщения: 3627
Зарегистрирован: Пн дек 23, 2013 11:30 am
Репутация: 45
Модель: AUDI A8 D3
Мотор: BFM
Город: Ростов-На-Дону
Имя: Кирилл

Re: Переставляет зад автоса на стыках и неровностях

Сообщение ZhAmAn »

pankoff Не снимая,только на качение. Надавил на крыло,резко отпустил,если кузов качается,то плохо. Ну или вибростенд. Все равно слишком субъективно будет.
AUDI A8 D3(4E) 4.2 quattro BFM, АКПП 6HP26(GNU)/Серебро.
Аватара пользователя
pankoff
Сообщения: 2569
Зарегистрирован: Ср дек 29, 2010 2:36 pm
Репутация: 11
Модель: -
Мотор: 4.6 is
Город: Гродно
Имя: Женя
Откуда: Беларусь
Контактная информация:

Re: Переставляет зад автоса на стыках и неровностях

Сообщение pankoff »

Съездил на вибростенд. Неплохо так потрясли покругу 1grandmersy8
Аммо задние 51% при 50%-55% новых .
Перед 38%

развал передней оси разница 1%, а задней 10%! тоесть рзвал сзади ушел неплохо. пограничное значение плохо 12%. 1confuz8
Приговорили задние сайленты нижнего рычага.
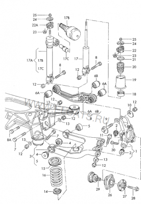
Так понял это номер 5 ??? , 4D0 511 523 C , замена SWAG 30 91 8492 или Lemforder 17663 01

Номер 4 менять ? сказали, что в хорошем состоянии и их меняют неснимая рычага с авто, так как из 2-х половинок
оригинал 4D0 505 171 H или заменитель от а4 Lemforder 25881 01
Вложения
CImage.ashx.png
на AS8 c апреля 2009 )
Ответить

Вернуться в «Подвеска»