Подсветка ног, дверей + кнопка открытия багажника!
-
- Реклама
- aleks777_77
- Сообщения: 182
- Зарегистрирован: Пн июл 05, 2010 4:22 pm
- Репутация: 0
- Модель: A8L 2007
- Мотор: BVJ 4.2
- Город: Москва Жулебино
- Имя: Александр
- Контактная информация:
Подсветка ног, дверей + кнопка открытия багажника!
Вобщем попробывал заменить лампочку на светодиоды в подсветке ног водителя причем до этого все идеально работало , ну вот снял лампочку подсоединил цепь светодиодов нечего не загорелось ! вылез попробывать закрыть открыть дверь ноль имоций так еще и подсветка всех ниш ног и дверей погасла и перестала срабатывать кнопка открытия багажника! что могло сгореть куда капать! предохранители в ниши ног пасажира проверил все нормальные! 
Приму в дар А8 D4 !
- Леха28
- Член Клуба
- Сообщения: 410
- Зарегистрирован: Вс янв 16, 2011 11:35 pm
- Репутация: 10
- Модель: Пешеход
- Мотор: Двухклапанный
- Город: Санкт-Петербург
- Имя: Алексей
Re: Подсветка ног, дверей + кнопка открытия багажника!
Диоды имеют полярность, попробуй перевернуть лампу.
Я знаю таких же, как и я
- aleks777_77
- Сообщения: 182
- Зарегистрирован: Пн июл 05, 2010 4:22 pm
- Репутация: 0
- Модель: A8L 2007
- Мотор: BVJ 4.2
- Город: Москва Жулебино
- Имя: Александр
- Контактная информация:
Re: Подсветка ног, дверей + кнопка открытия багажника!
ты непонял полярность непричем чтото в цепи а что именно непонятно!Леха28 писал(а):Диоды имеют полярность, попробуй перевернуть лампу.
Приму в дар А8 D4 !
- Леха28
- Член Клуба
- Сообщения: 410
- Зарегистрирован: Вс янв 16, 2011 11:35 pm
- Репутация: 10
- Модель: Пешеход
- Мотор: Двухклапанный
- Город: Санкт-Петербург
- Имя: Алексей
Re: Подсветка ног, дверей + кнопка открытия багажника!
А ты пробовал обратно все собрать?
Я знаю таких же, как и я
- aleks777_77
- Сообщения: 182
- Зарегистрирован: Пн июл 05, 2010 4:22 pm
- Репутация: 0
- Модель: A8L 2007
- Мотор: BVJ 4.2
- Город: Москва Жулебино
- Имя: Александр
- Контактная информация:
Re: Подсветка ног, дверей + кнопка открытия багажника!
да не помогло !а самое главное непонятно почему кнопка багажника перестала работать?
Приму в дар А8 D4 !
-
kabirwww
- Член Клуба
- Сообщения: 321
- Зарегистрирован: Чт июн 25, 2009 9:36 am
- Награды: 1
- Репутация: 10
- Модель: Audi S8 1999г
- Мотор: AQH 4172
- Город: Новороссийск
- Имя: Константин
- Откуда: РСО-Алания
Re: Подсветка ног, дверей + кнопка открытия багажника!
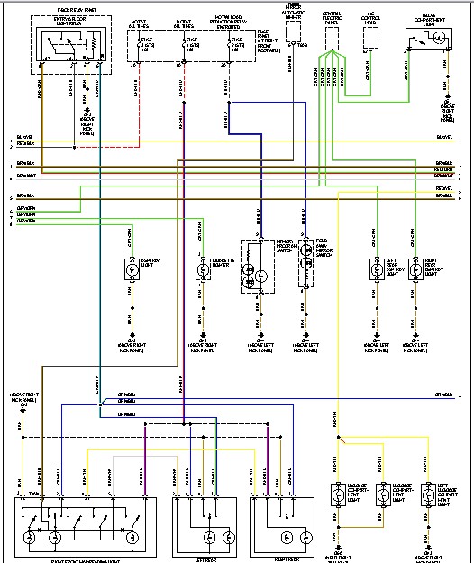
схема подсветки салона лови
Автомобиль всего лишь средство передвижения, НО и ноги тоже всего лишь средство передвижения...
-
kabirwww
- Член Клуба
- Сообщения: 321
- Зарегистрирован: Чт июн 25, 2009 9:36 am
- Награды: 1
- Репутация: 10
- Модель: Audi S8 1999г
- Мотор: AQH 4172
- Город: Новороссийск
- Имя: Константин
- Откуда: РСО-Алания
Re: Подсветка ног, дверей + кнопка открытия багажника!
вот еще
Автомобиль всего лишь средство передвижения, НО и ноги тоже всего лишь средство передвижения...
- aleks777_77
- Сообщения: 182
- Зарегистрирован: Пн июл 05, 2010 4:22 pm
- Репутация: 0
- Модель: A8L 2007
- Мотор: BVJ 4.2
- Город: Москва Жулебино
- Имя: Александр
- Контактная информация:
Re: Подсветка ног, дверей + кнопка открытия багажника!
kabirwww спасибо большое !пойду разбираться! 
Приму в дар А8 D4 !




