Найдено 319 результатов
- Пт июн 07, 2024 12:55 pm
 - Форум: Техподдержка
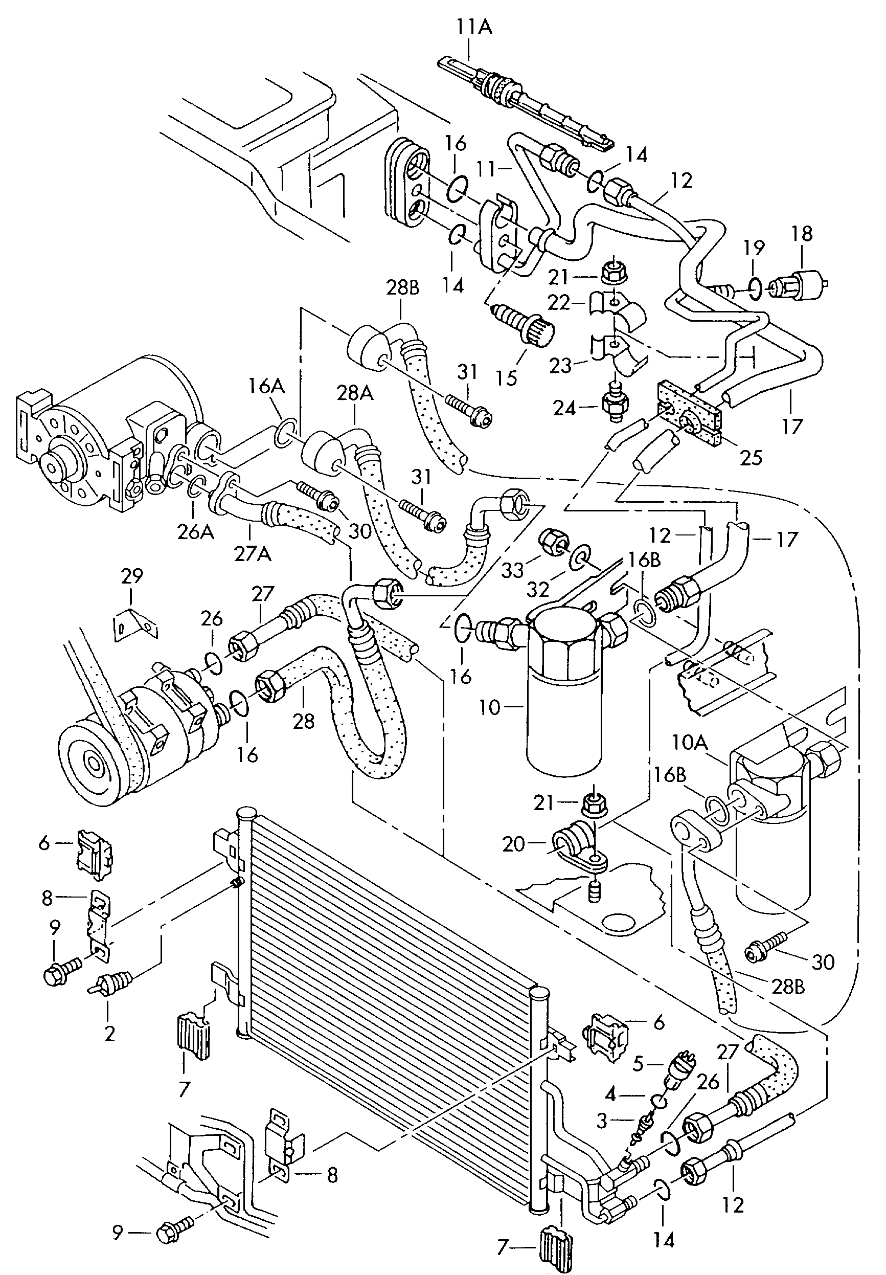
 - Тема: Трубка толстая кондиционера
 - Ответы: 2
 - Просмотры: 5784
 
Трубка толстая кондиционера
А может эту трубку на шланг меняют?
					- Пт июн 07, 2024 11:20 am
 - Форум: Техподдержка
 - Тема: Трубка толстая кондиционера
 - Ответы: 2
 - Просмотры: 5784
 
Трубка толстая кондиционера
Приветствую! 
Трубка толстая #17 прохудилась в районе осушителя. Подскажите, пожалуйста, что придется демонтировать что бы ее вынуть и заварить?
					Трубка толстая #17 прохудилась в районе осушителя. Подскажите, пожалуйста, что придется демонтировать что бы ее вынуть и заварить?
- Вс май 05, 2024 5:25 pm
 - Форум: Ауди А8 и S8 - обсуждение, покупка
 - Тема: Пробивка комплектации Audi A8 по VIN
 - Ответы: 7725
 - Просмотры: 869768
 
Пробивка комплектации Audi A8 по VIN
Добрый день, прошу пробить  wauzzz4dzrn001000, благодарю!
					- Вс янв 09, 2022 9:39 am
 - Форум: Колесные диски, покрышки
 - Тема: Резина на лето поедпочтения
 - Ответы: 4
 - Просмотры: 7908
 
Резина на лето поедпочтения
Приобрел 225/65/17, приложил к старой 225/55/17 и 1grandmersy8 , ширина разная!, Вот это новость :shock: , а на драйве это оказывается уже обсуждалось.У разных производителей одна и та же ширина шины может быть разной. Как больше, так и меньше заявленной. Так что при покупке новых шин, заочно, стоит...
					- Сб янв 01, 2022 8:51 pm
 - Форум: Колесные диски, покрышки
 - Тема: Резина на лето поедпочтения
 - Ответы: 4
 - Просмотры: 7908
 
Резина на лето поедпочтения
С Новым годом, возник вопрос, а что обутьна лето) ? Чтобы по говнам местным катаца? Что напялить, чтоб сердито и недорого? Китай-некитай, Россия-японама ?, голову сломал). 225/60(65)17, что посоветуете?
					- Пт ноя 19, 2021 2:41 pm
 - Форум: Техподдержка
 - Тема: Замена правого сальника CMl, долив масла.
 - Ответы: 22
 - Просмотры: 11243
 
Замена правого сальника CMl, долив масла.
И в заключение, вишенка 
 . В далёком 2007г, судя по наряд-заказу, в диф налили минералку ерх80w90. Доливать тот же Кастрол тудой или что делать то?
					- Пт ноя 19, 2021 9:50 am
 - Форум: Техподдержка
 - Тема: Замена правого сальника CMl, долив масла.
 - Ответы: 22
 - Просмотры: 11243
 
- Пт ноя 19, 2021 9:42 am
 - Форум: Техподдержка
 - Тема: Замена правого сальника CMl, долив масла.
 - Ответы: 22
 - Просмотры: 11243
 
Замена правого сальника CMl, долив масла.
Сам менял?
					- Пт ноя 19, 2021 9:38 am
 - Форум: Техподдержка
 - Тема: Замена правого сальника CMl, долив масла.
 - Ответы: 22
 - Просмотры: 11243
 
Замена правого сальника CMl, долив масла.
Если только он было бы счастье 
					- Пт ноя 19, 2021 9:26 am
 - Форум: Техподдержка
 - Тема: Замена правого сальника CMl, долив масла.
 - Ответы: 22
 - Просмотры: 11243
 
Замена правого сальника CMl, долив масла.
Внутренний значит, так?
					- Пт ноя 19, 2021 9:24 am
 - Форум: Техподдержка
 - Тема: Замена правого сальника CMl, долив масла.
 - Ответы: 22
 - Просмотры: 11243
 
- Пт ноя 19, 2021 9:18 am
 - Форум: Техподдержка
 - Тема: Замена правого сальника CMl, долив масла.
 - Ответы: 22
 - Просмотры: 11243
 
Замена правого сальника CMl, долив масла.
Который, уточни
					- Пт ноя 19, 2021 8:13 am
 - Форум: Техподдержка
 - Тема: Замена правого сальника CMl, долив масла.
 - Ответы: 22
 - Просмотры: 11243
 
Замена правого сальника CMl, долив масла.
По Эльзе, сальников два(внешний #9 и внутренний #39-номерок от Акина) плюс резиновое кольцо крышки. Вопрос- внутренний сальник меняется без снятия коробки?
					- Чт ноя 18, 2021 10:11 pm
 - Форум: Техподдержка
 - Тема: Замена правого сальника CMl, долив масла.
 - Ответы: 22
 - Просмотры: 11243
 
Замена правого сальника CMl, долив масла.
Разобрался, в обнимку с Эльзой, 0.5 литра синтетика, 75w90. 
Akin, сальник по этке, почему то другой номер.
					
Akin, сальник по этке, почему то другой номер.
- Чт ноя 18, 2021 9:05 pm
 - Форум: Техподдержка
 - Тема: Замена правого сальника CMl, долив масла.
 - Ответы: 22
 - Просмотры: 11243
 
Замена правого сальника CMl, долив масла.
Интересно девки пляшут
					- Чт ноя 18, 2021 8:22 pm
 - Форум: Техподдержка
 - Тема: Замена правого сальника CMl, долив масла.
 - Ответы: 22
 - Просмотры: 11243
 
- Чт ноя 18, 2021 7:18 pm
 - Форум: Техподдержка
 - Тема: Замена правого сальника CMl, долив масла.
 - Ответы: 22
 - Просмотры: 11243
 
Замена правого сальника CMl, долив масла.
Приветствую, подскажите пожалуйста,
1. Правый сальник 12012761B Corteco - он?
2. Масло Mobil TL71141 - ? и сколько выльется при замене этого сальника (примерно).
Благодарю.
					1. Правый сальник 12012761B Corteco - он?
2. Масло Mobil TL71141 - ? и сколько выльется при замене этого сальника (примерно).
Благодарю.
- Сб сен 25, 2021 9:04 pm
 - Форум: Техподдержка
 - Тема: Подрамник задний замена.
 - Ответы: 13
 - Просмотры: 9081
 
Подрамник задний замена.
Интересно, во что обойдется снять поставить, пескоструй и краска, говенного подрамника, как кто то сказал, и что потом то ?, он не развалится, скажи мне, профессионал ? Я уж обойдусь без эпитетов.
					- Пт сен 24, 2021 11:13 pm
 - Форум: Техподдержка
 - Тема: Подрамник задний замена.
 - Ответы: 13
 - Просмотры: 9081
 
Подрамник задний замена.
Это не мое  
 , посмотри. Лет на десять свежее 
					- Пт сен 24, 2021 10:59 pm
 - Форум: Техподдержка
 - Тема: Подрамник задний замена.
 - Ответы: 13
 - Просмотры: 9081
 
- Чт сен 23, 2021 6:34 pm
 - Форум: Техподдержка
 - Тема: Подрамник задний замена.
 - Ответы: 13
 - Просмотры: 9081
 
Подрамник задний замена.
Я понял, что одинаковы, но покупка предстоит через "Альпы", вот и проверяю, что бы не сесть в лужу. А номер этот этка просто не находит, в этке его(номера 315s) почему то нет, кино.
					- Чт сен 23, 2021 6:06 pm
 - Форум: Техподдержка
 - Тема: Подрамник задний замена.
 - Ответы: 13
 - Просмотры: 9081
 
Подрамник задний замена.
Есть видео, номер на подрамнике
					- Чт сен 23, 2021 6:06 pm
 - Форум: Техподдержка
 - Тема: Подрамник задний замена.
 - Ответы: 13
 - Просмотры: 9081
 
Подрамник задний замена.
Спасибо, ясно, но номер на самом подрамнике. Или не мудрствовать?
					- Чт сен 23, 2021 5:04 pm
 - Форум: Техподдержка
 - Тема: Подрамник задний замена.
 - Ответы: 13
 - Просмотры: 9081
 
Подрамник задний замена.
Приветствую! Назрела необходимость задуматься о замене подрамника, мой по этке(1994г)-4d0505235ag, предлагают 4d0505315s. Взаимозаменяемы или как? С наилучшими пожеланиями всем ответившим.
					- Чт сен 23, 2021 4:50 pm
 - Форум: Техподдержка
 - Тема: Начальный отрезок подающей топливной магистрали
 - Ответы: 24
 - Просмотры: 9313
 
Начальный отрезок подающей топливной магистрали
Всем спасибо, поменял, кому надо, есть 1 экземпляр, могу поделиться.
					
			




