Найдено 22 результата
- Вс май 12, 2019 3:22 pm
- Форум: Охлаждение двигателя
- Тема: Блок клапанов печки в разрезе
- Ответы: 15
- Просмотры: 14942
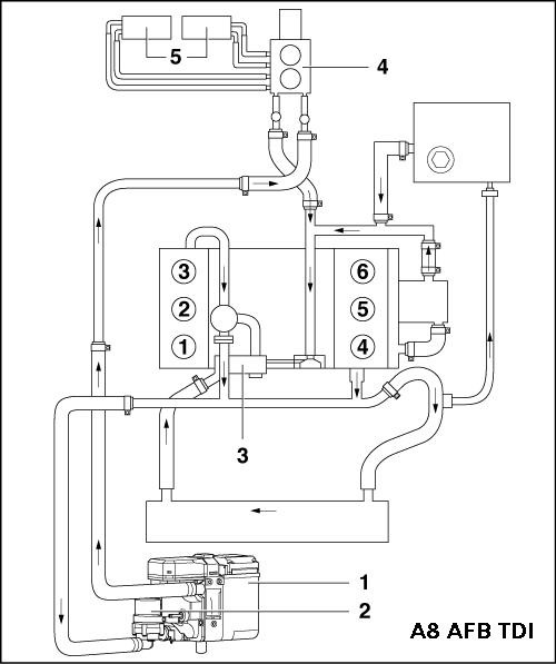
Блок клапанов печки в разрезе
Ок, спасибо. Пока сойдёмся на том, что клапана просто перекрывают подачу без циркуляции на обратку, ибо они между собой (вход и выход) никак не связаны.
- Вс май 12, 2019 9:11 am
- Форум: Охлаждение двигателя
- Тема: Блок клапанов печки в разрезе
- Ответы: 15
- Просмотры: 14942
Блок клапанов печки в разрезе
Т.е. получается если я просто заглушку двумя затычками вход и выход на печку, то все будет хорошо циркулиррвать? Возьмём к примеру webasto. Она подключена точно также, только перед печкой. В темах по webasto написано, что при снятии отопителя, контур охлаждения надо кольцевать, а не глушить. Если гл...
- Сб май 11, 2019 11:42 pm
- Форум: Охлаждение двигателя
- Тема: Блок клапанов печки в разрезе
- Ответы: 15
- Просмотры: 14942
Блок клапанов печки в разрезе
А это система охлаждения 2.5 Afb. Получается что циркуляция по малому кругу останется только через тонкий шланг обратки на расширительного бачке???
- Сб май 11, 2019 11:34 pm
- Форум: Охлаждение двигателя
- Тема: Блок клапанов печки в разрезе
- Ответы: 15
- Просмотры: 14942
Блок клапанов печки в разрезе
[video]https://youtu.be/XNVRtwDUrhE
По ссылке на видео хорошо показан принцип работы блока клапанов.
По ссылке на видео хорошо показан принцип работы блока клапанов.
- Сб май 11, 2019 8:08 pm
- Форум: Охлаждение двигателя
- Тема: Блок клапанов печки в разрезе
- Ответы: 15
- Просмотры: 14942
Блок клапанов печки в разрезе
Меня интересует вопрос как связаны между собой каналы обратки с радиаторов с основным выходом и почему у меня не идёт перелив с входа на выход когда закрыты клапаны.???
- Сб май 11, 2019 2:50 pm
- Форум: Охлаждение двигателя
- Тема: Блок клапанов печки в разрезе
- Ответы: 15
- Просмотры: 14942
Блок клапанов печки в разрезе
Просто есть видео на ютюб с блоком клапанов в ванной. Так там при нажатых клапана вода вылевалась из обрати.
- Сб май 11, 2019 9:14 am
- Форум: Охлаждение двигателя
- Тема: Блок клапанов печки в разрезе
- Ответы: 15
- Просмотры: 14942
Блок клапанов печки в разрезе
Но циркуляция антифриза не должна пропадать вроде на режиме LOW. Она должна идти мимо радиаторов отопителя, т.е.до клапанов поворачивать с подачи и сразу в обратку??? Печка подключена же последовательно же. На ней не должен замыкаться контур?
- Сб май 11, 2019 1:21 am
- Форум: Охлаждение двигателя
- Тема: Блок клапанов печки в разрезе
- Ответы: 15
- Просмотры: 14942
Блок клапанов печки в разрезе
Доброго времени! Проблема такая, началось все с плохой циркуляции антифриза. Все поиски свелись к блоку клапанов и радиатора печки. Я решил начать с промывки радиаторов печки. Подключил электропомпу от газели к выпускному патрубка чтоб в обратную сторону прокачать. Когда клапана открыты-циркуляции о...
- Сб июн 09, 2018 11:22 pm
- Форум: TDI 2.5, 3.3
- Тема: Моргает спираль после запуска двигателя
- Ответы: 6
- Просмотры: 3133
Моргает спираль после запуска двигателя
Если неисправна "лягушка" под педалью тормоза тоже будет моргать спираль. Исправил заменой крнцевика этого под педалью.
- Вс авг 27, 2017 6:44 pm
- Форум: Подвеска
- Тема: Развальные рычаги задней подвески
- Ответы: 1
- Просмотры: 2841
Развальные рычаги задней подвески
Здравствуйте.
Есть вопрос о различии задних развальных рычагов, похожих на бумеранг, с кузова Д2 и кузова Д3.
Что сайлентблоки немного другие это я вычитал на форуме. Получится ли с Д3 поставить рычаг на Д2? Форма очень похожая. Да и номера очень похожи.
Есть вопрос о различии задних развальных рычагов, похожих на бумеранг, с кузова Д2 и кузова Д3.
Что сайлентблоки немного другие это я вычитал на форуме. Получится ли с Д3 поставить рычаг на Д2? Форма очень похожая. Да и номера очень похожи.
- Вт июл 11, 2017 8:45 pm
- Форум: Ауди А8 и S8 - обсуждение, покупка
- Тема: Пробивка комплектации Audi A8 по VIN
- Ответы: 7737
- Просмотры: 906239
Re: Пробивка комплектации Audi A8 по VIN
Добрый день Властелины)))
Помогите пожалуйста с VIN-ом: WAUZZZ4DZWN004053
Помогите пожалуйста с VIN-ом: WAUZZZ4DZWN004053
- Вт апр 05, 2016 4:23 pm
- Форум: Суппорта, колодки/диски
- Тема: FAQ. Ремкоплект передних суппортов 1994-1998
- Ответы: 193
- Просмотры: 81696
Re: FAQ. Ремкоплект передних суппортов 1994-1998
Втулки из капролана ходят отлично. Износа пока нет. Пробег пока только 20 тыс. на них.
- Вс авг 30, 2015 10:49 pm
- Форум: Пневматическая подвеска
- Тема: Подлежит ли ремонту компресссор на фото?
- Ответы: 7
- Просмотры: 1822
Re: Подлежит ли ремонту компресссор на фото?
Поршню приварить я думаю труда большого не составит. Хорошая сварка будет не хуже литого.
- Вс июн 21, 2015 11:47 pm
- Форум: Панель приборов
- Тема: Не могу установить часы на приборке
- Ответы: 3
- Просмотры: 1386
- Вс июн 21, 2015 11:45 pm
- Форум: Панель приборов
- Тема: Не могу установить часы на приборке
- Ответы: 3
- Просмотры: 1386
Re: Не могу установить часы на приборке
Попробуй с выключенным зажиганием настроить. Вот только не помню ключ надо вставлять или нет.
- Пн янв 26, 2015 12:10 am
- Форум: Салон и опции
- Тема: как снять тонель на д2
- Ответы: 13
- Просмотры: 6497
Re: как снять тонель на д2
Начни с подлокотника, это самое простое. Потом надо снять боковые панели в ногах у водителя и пассажира. Коврики надо вытянуть. Вытягивать эти боковушки нужно приловчиться, они все время куда-то упираются. Когда снимешь боковушки, увидешь вроде 3 или 4 винтика со стороны водителя и столько же со сто...
- Вс ноя 30, 2014 9:47 pm
- Форум: TDI 2.5, 3.3
- Тема: Свечи накала не греют AFB
- Ответы: 7
- Просмотры: 2043
Re: Свечи накала не греют AFB
Я тоже так думаю, но все же хотелось узнать.Николай II писал(а):Саша, с уверенностью в 99% - кто то лазил.
даже если для Эмиратов машина произведена.
- Вс ноя 30, 2014 11:06 am
- Форум: TDI 2.5, 3.3
- Тема: Свечи накала не греют AFB
- Ответы: 7
- Просмотры: 2043
Re: Свечи накала не греют AFB
Такой вопрос, сколько должно быть стандартное значение в 12 канале на свечи накала в адаптации? У меня стояло 32968 и свечи не грели, лампочка загоралась и сразу гасла. Поставил сначала 32768 (при температуре на улице -5, выкинуло время 9,6 сек. Подумал многова-то. потом выставил 32868, по времени с...
- Сб ноя 29, 2014 3:38 pm
- Форум: TDI 2.5, 3.3
- Тема: Свечи накала не греют AFB
- Ответы: 7
- Просмотры: 2043
Re: Свечи накала не греют AFB
Может кто знает что значит в 12 группе, в окне время работы свечей накала, почему стоит 0.00 сек. Или это конкретно для горячего двигателя. Т.е. на холодном он покажет другое что-то? В базовые заходит, в окнах ошибки.
- Пт ноя 28, 2014 7:07 pm
- Форум: TDI 2.5, 3.3
- Тема: Свечи накала не греют AFB
- Ответы: 7
- Просмотры: 2043
Re: Свечи накала не греют AFB
Температуру блок видит соответствующую. Все на уровне. Масло 78 цельсия. Топливо 33 цельсия. ОЖ 89 цельсия. Больших разбежек нет вроде. ДТОЖ я новый купил BERU, какой стоял ранее. Т.е. на блок идут плказания, которые видим. А все вместе не стыкуется. Сигнал от датчика. А когда снимаешь фишку с ДТОЖ,...
- Пт ноя 28, 2014 6:07 pm
- Форум: TDI 2.5, 3.3
- Тема: Свечи накала не греют AFB
- Ответы: 7
- Просмотры: 2043
Свечи накала не греют AFB
Доброго времени суток форумчане! С наступлением холодов заметил что не греют свечи накала. Включаю зажигание, лампочка свечей накала загарается и сразу гаснет. Подключил к компьютеру, ошибок по этому поводу е было. Начал замечать что иногда стрелка температуры ОЖ на приборке забегает под 90 градусов...
- Пн июн 23, 2014 9:40 pm
- Форум: Ауди А8 и S8 - обсуждение, покупка
- Тема: Пробивка комплектации Audi A8 по VIN
- Ответы: 7737
- Просмотры: 906239
Re: Пробивка комплектации Audi A8 по VIN
WAUZZZ4DZWN004053
